EasyManua.ls Logo

Sony HCD-GTR7 - Schematic Diagram - Headphone and USB CD Board

Sony HCD-GTR7
92 pages
Print Icon
To Next Page IconTo Next Page
To Next Page IconTo Next Page
To Previous Page IconTo Previous Page
To Previous Page IconTo Previous Page
Loading...
5454
HCD-GTR6/GTR6B/GTR7/GTR8/GTR8B
HCD-GTR6/GTR6B/GTR7/GTR8/GTR8B
12345678 91011 141512 13
A
B
C
D
E
F
G
H
I
J
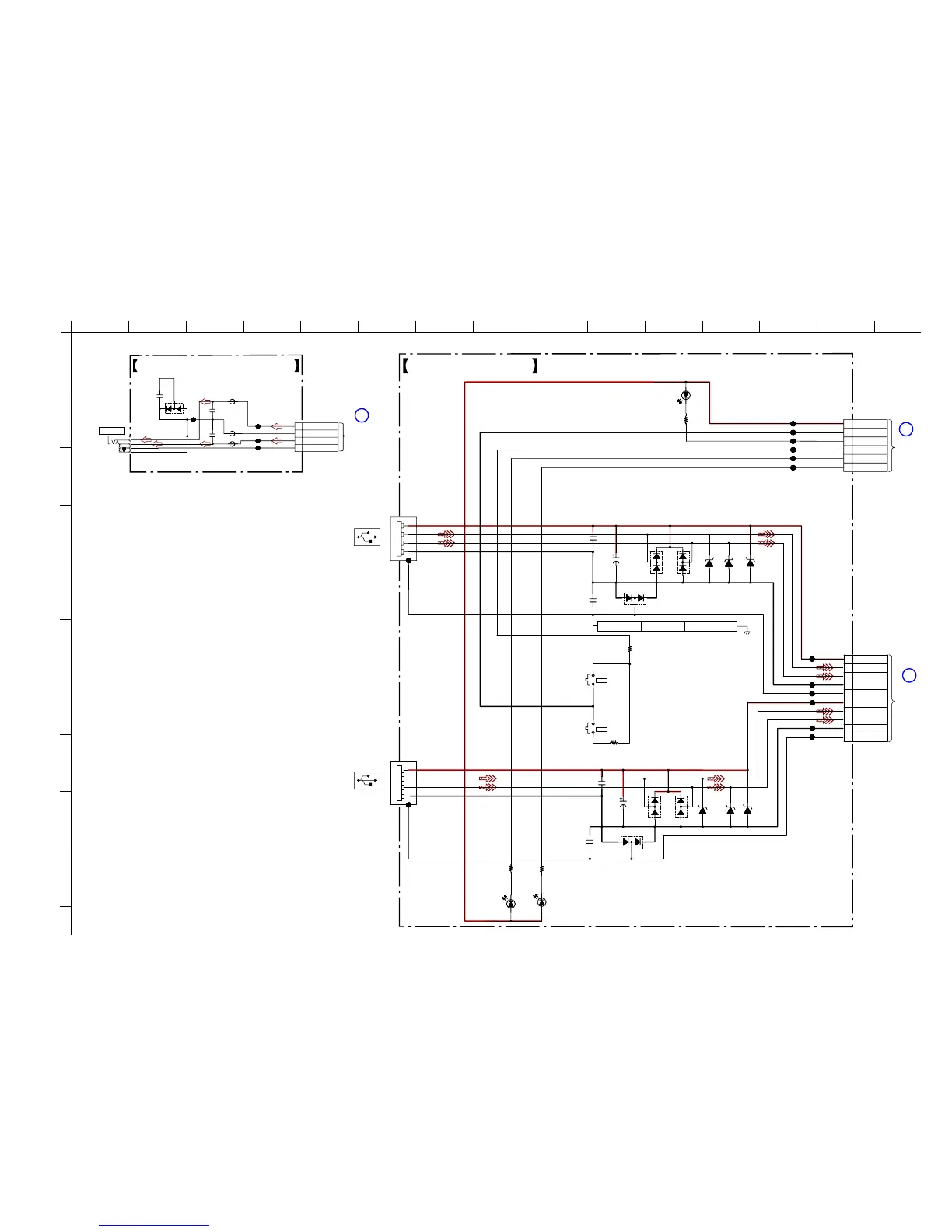
5-32. SCHEMATIC DIAGRAM — HEADPHONE AND USB CD BOARD —
(CHASSIS)
(USB)
CN1001
(USB)
CN1000
USB_CD BOARD
HEADPHONE BOARD
STR
BOARD
CN903C
(Page 48)
MAIN
BOARD
CN400
(3/5)
(Page 42)
HUB
BOARD
CN1501
(Page 56)
4P
CN1001
1
2
3
4
680
R1045
10V
C1043
220
MAZ8068GMLS0
D1031
C1047
0.1
S1000
1L434FV22D0TDF01
D1020
680
R1041
680
R1043
TP1035
TP1038
TP1039
TP1034
TP1033
TP1032
TP1031
TP1030
TP1029
10V
C1045
220
TP1047
MAZ8068GMLS0
D1023
C1048
0.1
USBH2
TP1048
TP1044
1
2
3
4
5
6
NO1007
6P
USB_B_RED
USB_B_BLUE
ADKEY0
USB_A_BLUE
D GND
LED+9V
MAZ8068GMLS0
D1035
MAZ8068GMLS0
D1034
MAZ8068GMLS0
D1025
MAZ8068GMLS0
D1024
MC2840-T112-1
D1038
MC2840-T112-1
D1032
MC2840-T112-1
D1033
MC2840-T112-1
D1027
MC2840-T112-1
D1026
MC2840-T112-1
D1030
33k
R1046
1
3
4
5
6
7
8
9
10
11
NO1005
11P
VBUS A
D- A
D+ A
GND A
SHIELD A
VBUS B
D- B
D+ B
GND B
SHIELD B
Mount Mecha
487053931
NO1009
C1044
0.1
C1046
0.1
USBH1
R1047
22k
1L434FB12E0MDTZ1
D1022
1L434FB12E0MDTZ1
D1021
USB A
S1001
USB B
USB A
4P
CN1000
1
2
3
4
USB B
HEADPHONE
1000p
C1061
FB1001
FB1002
0uH
0uH
FB1003
0uH
J1005
1000p
C1062
C1060
0.1
TP1054
TP1055
TP1056
TP1057
MC2840-T112-1
D1050
1
3
4
5
N01013
4P
HP_R
HP_GND
HP_L
HP_DET
M
I
R

Table of Contents

Related product manuals