EasyManua.ls Logo

Sony HCD-GTR7 - Printed Wiring Board - Subwoofer Board

Sony HCD-GTR7
92 pages
Print Icon
To Next Page IconTo Next Page
To Next Page IconTo Next Page
To Previous Page IconTo Previous Page
To Previous Page IconTo Previous Page
Loading...
51 51
HCD-GTR6/GTR6B/GTR7/GTR8/GTR8B
HCD-GTR6/GTR6B/GTR7/GTR8/GTR8B
12345678 91011 141512 13
A
B
C
D
E
F
G
H
I
J
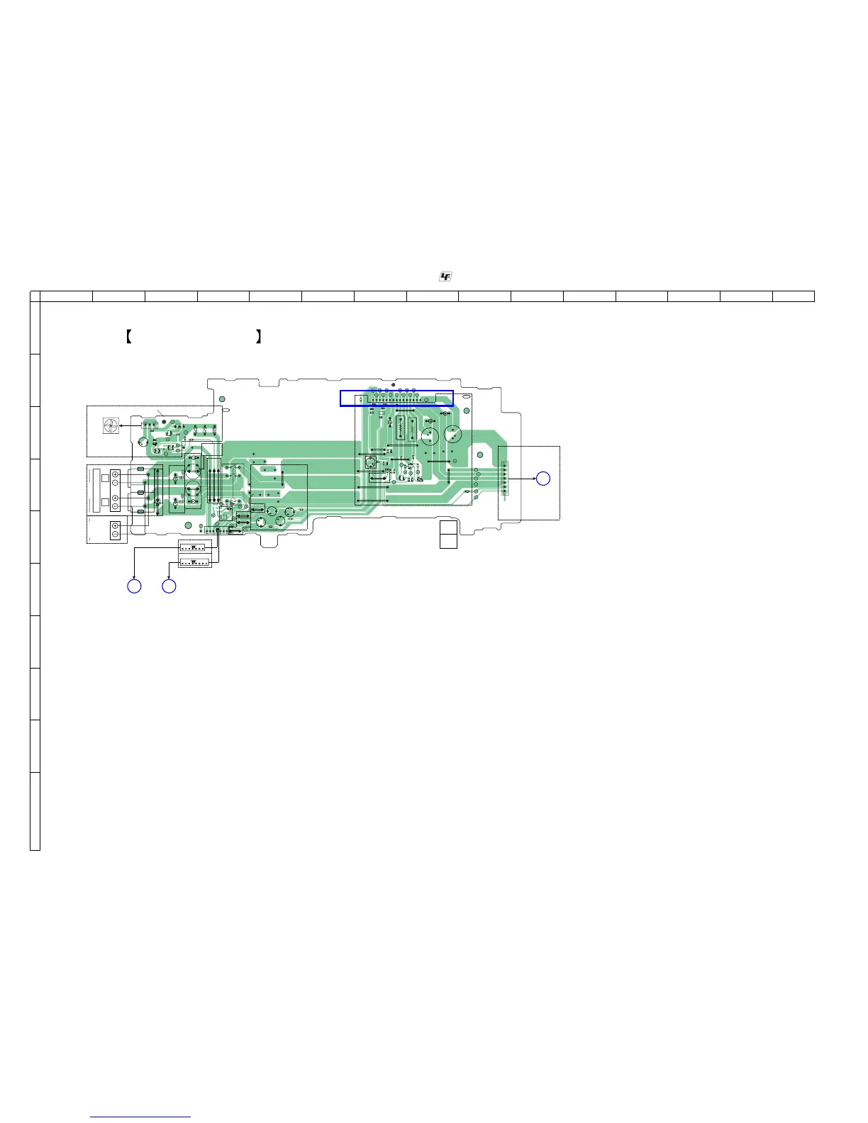
5-29. PRINTED WIRING BOARD — SUBWOOFER BOARD — • Refer to page 28 for Circuit Boards Location. : Uses unleaded solder.
1-878-533-
11
(11)
M893
DC FAN
MAIN
BOARD
CN550
(Page 39)
G
MAIN
BOARD
CN551
(Page 39)
H
FRONT
BOARD
N01301
(Page 37)
L
SUBWOOFER BOARD
BE
Q850
D800
BE
Q800
BE
Q822
BE
Q824
BE
Q825
R800
R801
R802
R808
R810
R814
R839
C803
R840
R841
C808
R850
R851
R852
R858
JL801
JL802
JL803
JL804
JL805
JL806
JL807
JL808
R860
JL809
JL811
JL812
JL813
JL814
JL815
JL824
JL827
JL831
R889
JL832
JL833
JL834
JL835
JL836
JL837
C853
R890
R891
R893
C858
JL841
JL842
JL843
JL844
JL845
JL846
JL847
D811
D812
JR804
JR
JR811
C819
JL224
JL825
C820
D817
JL894
JL893
R822
JL896
R818
JL895
R819
JL897
JL898
JL823
JL892
C801
C846
C847
C851
C896
C897
R867
TB801
SPEAKERS
TB802
SPEAKERS
L880
R836
R838
C800
C802
C825
C826
R886
R888
C850
C852
1
15
C892
RY862
JW884
L830
JW830
JW830,JW880
JW880
JW881
JW882
JW885
JW886
R815
R816
R817
C818
LP820
1
3
CN820
E
B
Q821
R830
R880
JW891
JW859
7
CN801/
CN802
CN801
CN802
18
71
18
GTR8/GTR8B
GTR7
GTR7
GTR7
GTR7/GTR8/GTR8B
GTR7/GTR8/GTR8B
GTR7/GTR8/GTR8B
GTR7
GTR7
GTR7/GTR8/GTR8B
:GTR7/GTR8/GTR8B
GTR8/GTR8B
GTR7/GTR8/GTR8B
1
7
CN803
JW860
JW861
JW862
JW810
JW843
JW858
JW876
JW808
JW828
JW875
JW889
R804
R827
R828
JW812
JW813
JW814
IC800
EXCEPT MX
GTR7
EXCEPT MX
EXCEPT MX
GTR8/GTR8B
GTR7/
GTR8/
GTR8B
GTR8/
GTR8B
SUBWOOFER OUT
R
L
GTR7

Table of Contents

Related product manuals