EasyManua.ls Logo

Sony HCD-GTR7 - Schematic Diagram - HUB Board

Sony HCD-GTR7
92 pages
Print Icon
To Next Page IconTo Next Page
To Next Page IconTo Next Page
To Previous Page IconTo Previous Page
To Previous Page IconTo Previous Page
Loading...
5656
HCD-GTR6/GTR6B/GTR7/GTR8/GTR8B
HCD-GTR6/GTR6B/GTR7/GTR8/GTR8B
12345678 91011 141512 13
A
B
C
D
E
F
G
H
I
J
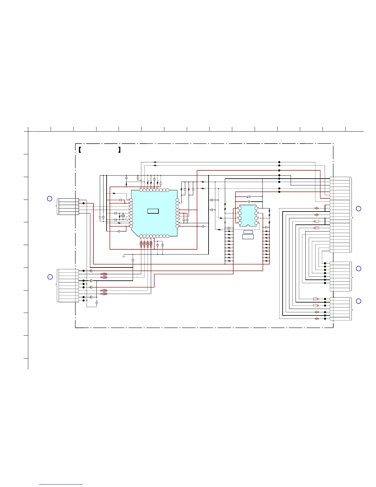
5-34. SCHEMATIC DIAGRAM — HUB BOARD — • Refer to page 22 for Block Diagrams. • Refer to page 59 for IC Block Diagrams.
0
0
0
0
0
0
0
0
0
0
3.3
3.3
0
0
0
0
0
3.3
0.1
9.2
0
0
0
3.4
0
0
0
3.3
0.1
3.3
1.7
3.3
0
0
3.3
DMB19
BOARD
CN1105
(2/4)
(Page 34)
MAIN
BOARD
CN500
(4/5)
(Page 43)
DMB19
BOARD
CN1106
(3/4)
(Page 35)
DMB19
BOARD
CN4602
(1/4)
(Page 33)
USB_CD
BOARD
NO1005
(Page 54)
P
I
F
Q
N
16V
10
C1512
10
C1508
10
C1514
10
C1501
8
7
6
54
3
2
1
NJM2903V (TE2)
IC1500
IC1500
OUT1
-IN1
+IN1
GND
+IN2
-IN2
OUT2
VCC
24MHz
X1500
12
47
C1520
1
2
3
4
5
5P
CN1503
USBGND
USBP
USBM
USB+5V
SHIELD
1
R1504
1
R1505
1
R1506
1
R1507
1
R1508
1
R1509
1
R1510
1
R1511
1
R1512
1
R1513
1
R1526
1
R1525
1
R1524
1
R1523
1
R1522
1
R1521
1
R1520
1
R1519
1
R1518
1
R1517
R1546
100
R1541
100
100k
R1533
100k
R1537
100k
R1538
100k
R1540
1M
R1530
12k
R1547
R1544
10k
10k
R1501
10k
R1502
100
R1500
330
R1503
100
R1527
10k
R1515
10k
R1514
0.1
C1507
0.1
C1510
0.1
C1502
0.1
C1517
22p
C1504
10p
C1503
C1519
0.01
0.1
C1523
0.1
C1524
0.1
C1500
JL1511
JL1512
JL1513
JL1514
JL1515
JL1516
JL1517
JL1518
JL1523
330
R1516
0.01
C1505
0.01
C1506
0.01
C1511
0.01
C1513
0.01
C1515
1
2
3
4
5
6
7
8
9
9P
CN1555
XIFCS
XIBSY
XSYRST
IFSDI
IFSOD
DGND
IFSCK
NC
NC
1
2
3
4
5
6
7
7P
CN1556
ROUT
AGND(AVDD)
LOUT
AGND
LIN
AGND
RIN
JL1551
JL1558
JL1559
JL1560
JL1562
JL1563
JL1564
JL1552
JL1553
JL1554
JL1555
JL1556
JL1557
100k
R1528
1
2
3
4
5
6
7
8
9
10
11
12
13
14
15
16
17
18
19
20
21
22
23
23P
CN1554
XIFCS
XIBSY
XSYSRST
IFSDI
IFSOD
IFSCK
DGND
RIN
AGND
LIN
AGND
LOUT
AGND(AVDD)
ROUT
AGND(AVDD)
VBUS_DET
3.3V
RST
M+9V
OC2
HUB_DGND
OC1
GND
1000p
R1535
12345678
10
11
12
13
14
15
16
17
2021222324252627
29
30
31
32
33
34
35
36
9
18
19
28
10k
R15
43
0.01
C1516
USBDN2_DM
SDA/SMBDATA/NON_REM1
RBIAS
PRTPWR2
PRTPWR1
VDD18
OCS2_N
RESET_N
VDD33CR
VDDA33
NC
XTAL2
NC
NC
NC
NC
VDDA33
HS_IND/CFG_SEL1
NC
SUSP_IND/
LOCAL_PWR/
NON_REM0
USBDN2_DP
TEST
VDDA33
USBUP_DM
USBUP_DP
VDD33PLL
XTAL1/CLKIN
USBDN1_DM
NC
VBUS_DET
VDD33
SCL/SMBCLK/CFG_SEL0
OCS1_N
NC
VDD18PLL
USBDN1_DP
FB1502
12
FB1503
12
FB1500
12
FB1501
12
C1522
0.1
1
2
3
4
5
6
7
8
9
10
10P
CN1501
USB A+5V
D- A
D+ A
USB A GND
SHILED A
USB B+5V
D- B
D+ B
USB B GND
SHEILD B
JL1501
JL1502
JL1505
JL1506
JL1507
JL1510
USB2512A-AEZG
USB CONTROLLER
SINGLE-SUPPLY
DUAL COMPARATOR
IC1501
IC1501
0.01
C1526
0.01
C1525
10k
R1550
10k
R1549
IC B/D
HUB BOARD

Table of Contents

Related product manuals