EasyManua.ls Logo

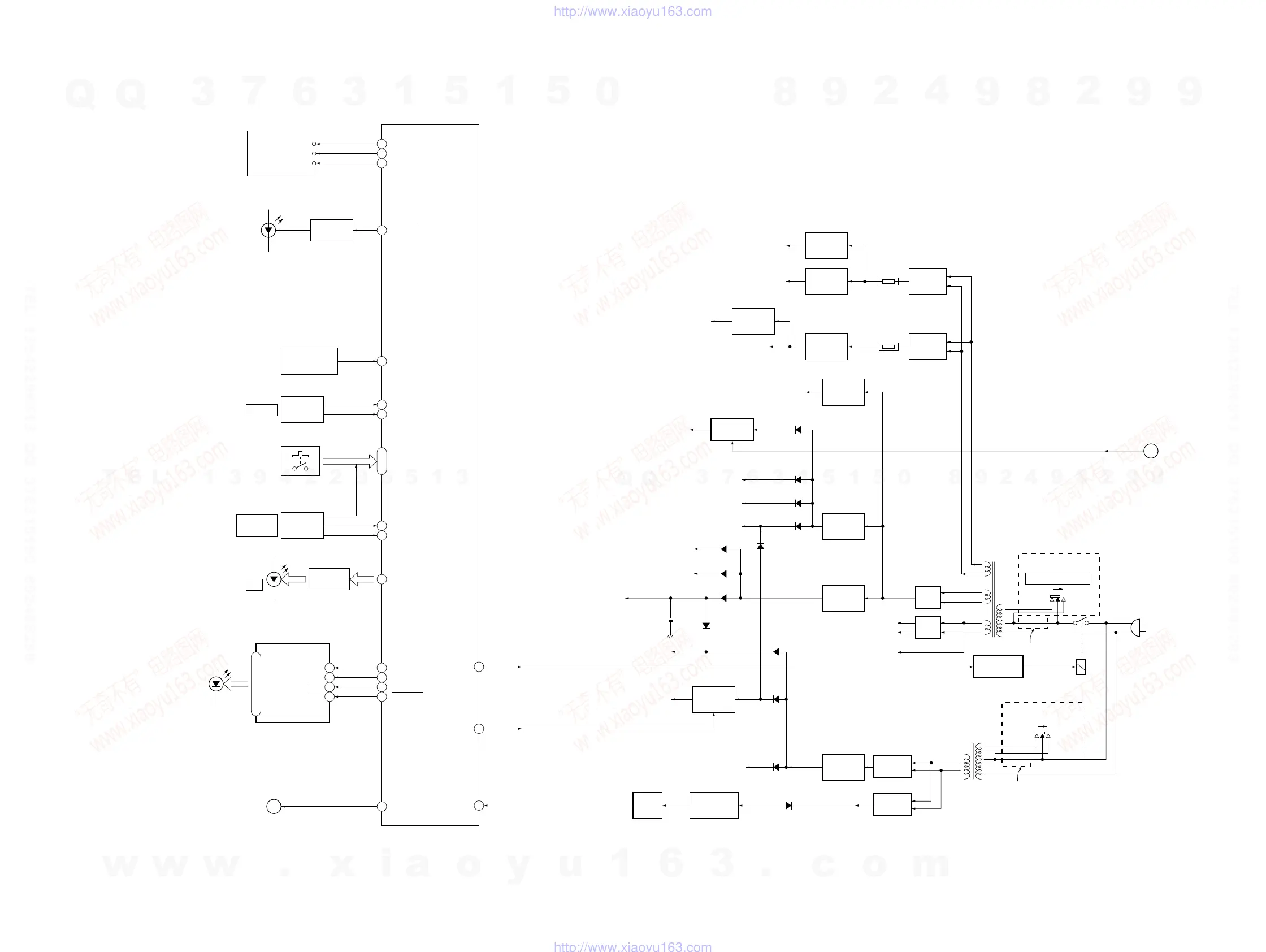
Sony HCD-PX5 - Block Diagram - DISPLAY;POWER Section

Sony HCD-PX5
114 pages
Print Icon
To Next Page IconTo Next Page
To Next Page IconTo Next Page
To Previous Page IconTo Previous Page
To Previous Page IconTo Previous Page
Loading...
HCD-PX5
5252
49
46
47
31
34
7
8
14
LIQUID CRYSTAL
DISPLAY UNIT
LCD600
LED DRIVE
Q703
D771 776, 781 786
LCD BACK
LIGHT
K
05
P.DOWN
+5V
REGULATOR
IC917
+6.1V
REGULATOR
IC916
B+ SWITCH
Q1101, 1102
RELAY DRIVE
Q901
RECT
D971
RECT
D803
D1002
D1103
D511
D506
D505
D507
D515
D514
D519
D524
D503
BT501
LITHIUM
BATTERY
D1109
D1108
+4V
REGULATOR
IC919
RESET SIGNAL
GENERTOR
IC508
RESET
SWITCH
Q521
T901
POWER
TRANSFORMER
(AC IN)
RY991
LCD ON/OFF
SWITCH
Q601, 602
RECT
D942, 945
RECT
D940, 941
T902
POWER
TRANSFORMER
+5.6V
REGULATOR
IC901
DIMMER
MD/CD POWER
LCD DATA
LCD CLK
LCD CE
DATA
SCK
STB
TR RELAY
LCD ON/OFF
RESET
SYSTEM CONTROLLER
IC506 (2/2)
E
BDPWR
(Page 50)
A+12V
A+7.5V
MD+5V
CD A+5V
B+5V
CDM+5V
CD+5V
SYS+5V
LCD+5V
A+3.3V
SYS+3.3V
BUP+3.3V
BUP +5V
AMP B+
AMP B
FAN +12V
93
68
69
85 87
VOLUME
REMOTE CONTROL
RECEIVER
IC701
ROTARY
ENCODER
S701
S702 710, 712 725
D705
D706 713,
D717, 718
SIRCS
ENC VOL A
ENC VOL B
70 ENC JOGA
KEY3 KEY1
(Page 50)
+12V
REGULATOR
IC912
M+7V
M+10V
+7V
REGULATOR
Q801
RECT
D961,
D963 965
RECT
D956,
D958 960
+10V
REGULATOR
Q800
+7.5V
REGULATOR
IC911
ENTER/YES
PUSH
LED DRIVE
Q704
ROTARY
ENCODER
S726
71 ENC JOGB
57 STBY LED
60 LED DATA
61 LED CLK
62 LED CS
64 LED-CLEAR
I/1
13
14
15
16
DATA
CLK
STB
CLR
18 23, 1 5, 7 11
P2
ı
P16
LED DRIVE
IC702
THP501
THP503
S901-1
VOLTAGE SELECTOR
220 240V 110 120V
S901-2
220 240V 110 120V
(Hong Kong, Korean)
(Tourist)
(Tourist)
(Hong Kong, Korean)
6-4. BLOCK DIAGRAM DISPLAY/POWER Section
w
w
w
.
x
i
a
o
y
u
1
6
3
.
c
o
m
Q
Q
3
7
6
3
1
5
1
5
0
9
9
2
8
9
4
2
9
8
T
E
L
1
3
9
4
2
2
9
6
5
1
3
9
9
2
8
9
4
2
9
8
0
5
1
5
1
3
6
7
3
Q
Q
TEL 13942296513 QQ 376315150 892498299
TEL 13942296513 QQ 376315150 892498299
http://www.xiaoyu163.com
http://www.xiaoyu163.com

Related product manuals