EasyManua.ls Logo

Sony HCD-PX5 - Schematic Diagram - POWER;SELECTOR Boards

Sony HCD-PX5
114 pages
Print Icon
To Next Page IconTo Next Page
To Next Page IconTo Next Page
To Previous Page IconTo Previous Page
To Previous Page IconTo Previous Page
Loading...
7979
HCD-PX5
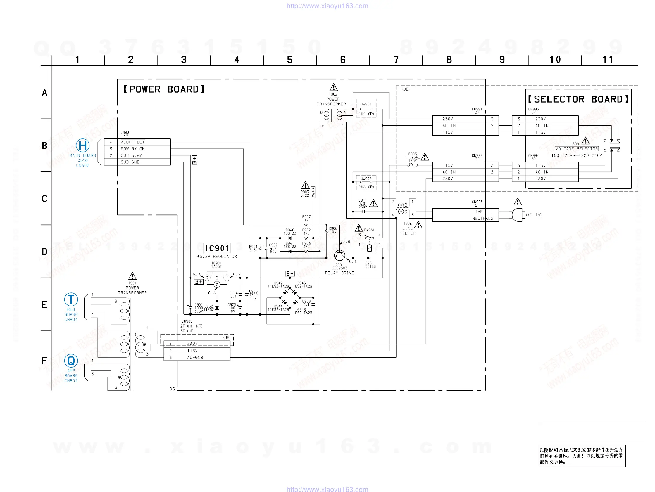
6-30. SCHEMATIC DIAGRAM POWER/SELECTOR Boards
Voltages and waveforms are dc with respect to ground
under no-signal (detuned) conditions.
no mark : FM
The components identified by mark 0 or dotted
line with mark 0 are critical for safety.
Replace only with part number specified.
(Page 67)
(Page 77)
(Page 71)
w
w
w
.
x
i
a
o
y
u
1
6
3
.
c
o
m
Q
Q
3
7
6
3
1
5
1
5
0
9
9
2
8
9
4
2
9
8
T
E
L
1
3
9
4
2
2
9
6
5
1
3
9
9
2
8
9
4
2
9
8
0
5
1
5
1
3
6
7
3
Q
Q
TEL 13942296513 QQ 376315150 892498299
TEL 13942296513 QQ 376315150 892498299
http://www.xiaoyu163.com
http://www.xiaoyu163.com

Related product manuals