EasyManua.ls Logo

Sony HCD-VX33 - Schematic Diagram Main Section (2;3)

Sony HCD-VX33
74 pages
Print Icon
To Next Page IconTo Next Page
To Next Page IconTo Next Page
To Previous Page IconTo Previous Page
To Previous Page IconTo Previous Page
Loading...
HCD-VX33
3232
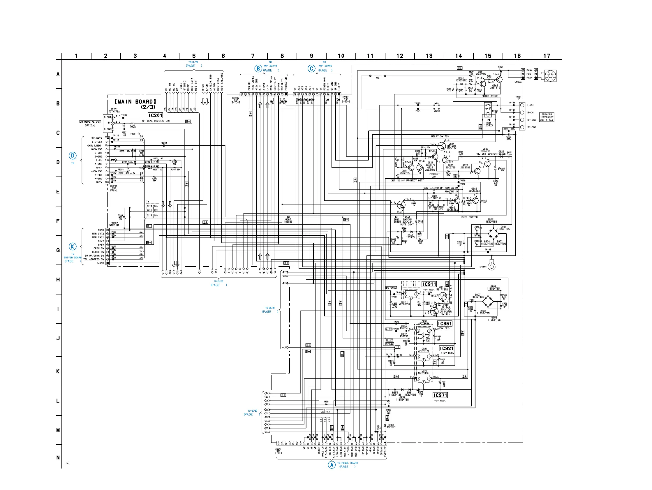
7-7. SCHEMATIC DIAGRAM MAIN SECTION (2/3)
See page 24 for Waveforms.
See page 46 for IC Pin Function Description.
See page 52 for IC Block Diagrams.
31
35
35
VIDEO BOARD
(PAGE 43)
41
33
33
33
37

Related product manuals