EasyManua.ls Logo

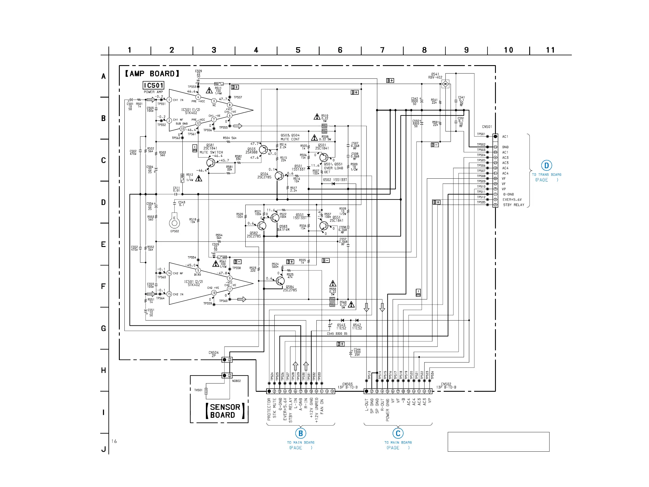
Sony HCD-VX33 - Schematic Diagram Power AMP Section

Sony HCD-VX33
74 pages
Print Icon
To Next Page IconTo Next Page
To Next Page IconTo Next Page
To Previous Page IconTo Previous Page
To Previous Page IconTo Previous Page
Loading...
HCD-VX33
3535
7-10. SCHEMATIC DIAGRAM POWER AMP SECTION
45
32 32
The components identified by mark 0 or dotted
line with mark 0 are critical for safety.
Replace only with part number specified.

Related product manuals