EasyManua.ls Logo

Sony HCD-VX33 - Printed Wiring Board Power Section; Schematic Diagram Power Section

Sony HCD-VX33
74 pages
Print Icon
To Next Page IconTo Next Page
To Next Page IconTo Next Page
To Previous Page IconTo Previous Page
To Previous Page IconTo Previous Page
Loading...
HCD-VX33
4545
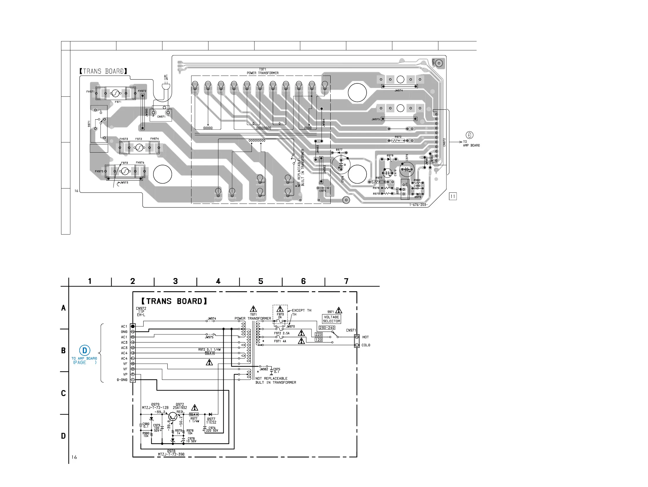
7-20. PRINTED WIRING BOARD POWER SECTION
See page 23 for Circuit Boards Location.
7-11. SCHEMATIC DIAGRAM POWER SECTION
1
11
TH
EXCEPT TH
VOLTAGE
SELECTOR
12
A
B
C
D
3456789
(Page 34)
35

Related product manuals