EasyManua.ls Logo

Sony RDR-GX310 - Page 81

Sony RDR-GX310
123 pages
Print Icon
To Next Page IconTo Next Page
To Next Page IconTo Next Page
To Previous Page IconTo Previous Page
To Previous Page IconTo Previous Page
Loading...
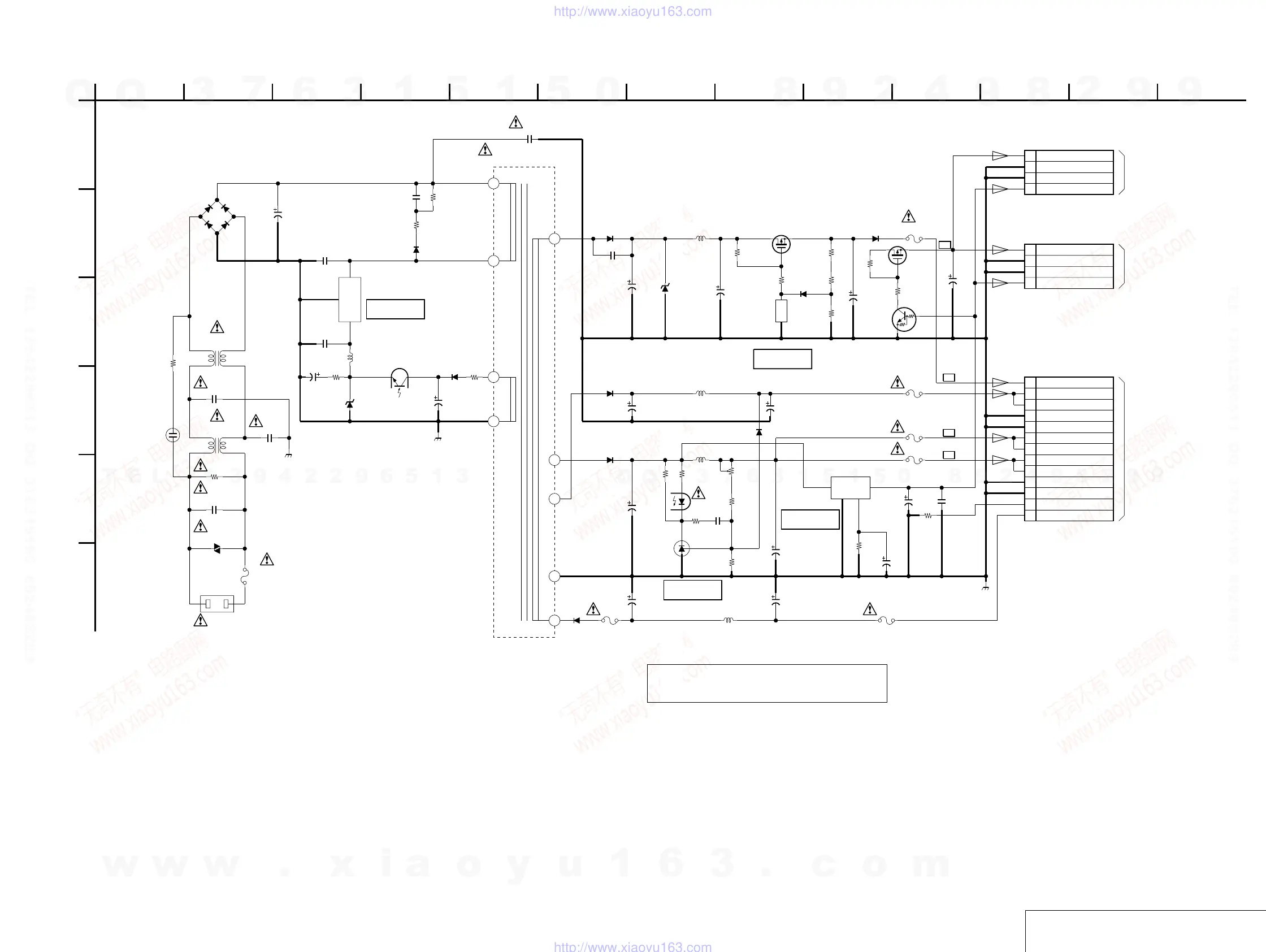
RDR-GX310/HX710/HX910
C103
330p
C104
330p
1/2W
R101
2.2M
Z101
S10K300
470V
F101
T3.15A/250V
Z102
DSP-50IN
1/2W
R102
220
C101
0.22u
250V
C105
470u
200V
C107
47p
1kV
C110
0.22u
25V
L103
C109
47u
35V
R112
47
D107
MTZJ7.5B
C108
10u
50V
D106
PR1003
R105
10
D105
SAR301
1/2W
R113
22
C106
1000p
1kV
2W
R104
100k
D301
2F5LC20U
C301
1000p
1kV
C302
470u
35V
D302
MTZJT-22B
C112
1000p
L301
3.7uH
C303
47u
35V
Q301
2SJ438
R301
680
1W
R302
150
D303
1SS113
R303
22k
R304
82k
R305
12k
C304
47u
35V
D304
11EQS06
P301
1A
R307
10k
Q302
2SJ525
R308
Q303
DTC114EKA
4P
CN2
1 SW12V
2 GND
3 GND
4SW5V
D401
FCQ08A04
C401
470u
35V
L401
10uH
D402
1SS355
C402
16V
100u
D403
FCQ08A04
C501
3900u
10V
R501
1k
PC101
PS2561AL1
L501
3.7uH
R502
100
RV501
4.7k
R504
22k
IC501
TL431CLP
R503
1k
C502
0.1u
R505
18k
P502
2A
P401
2.5A
P501
2A
13PCN3
1 UNSW12V
2 UNSW4V
3 UNSW4V
4 GND
5 GND
6 UNSW6VB
7 UNSW6VB
8 UNSW6VA
9 UNSW6VA
10 GND
11 GND
12 PCONT
13 UNSW-10V
4P
CN1
1 SW12V
2 GND
3 GND
4SW5V
R506
1k
C503
100u
16V
C513
47u
35V
C512
16V
470u
C706
1u
R507
220
C601
100u
25V
C602
47u
35V
D601
21DQ10
P602
5A
L601
10uH
P601
0.8A
1
A
C306
470u
16V
D101
S1WBA60B
L102
L.F.C
L101
L.F.C
NL
CN101
AC-1NLET
IC101
MIP-2E7
SWITCHING
IC101
12V REG
PC101
PS2561AL1
SW12V REG
SWITCH
IC301
SHUNT REG
SW5V REG
IC502
IC501
SHUNT REG
T101
SWITCHING TRANSGORMER
TO DVD
TO HDD
TO
AV-089 BOARD(1/8)
CN102
(SEE PAGE 4-5)
(SRV1793UC)
SWITCHING REGURATOR(RDR-HX910:TW model)
12
C
823 7 119
16
E
6
D
1045
F
B
IC301
M5237ML
IC502
PQ05RD21
12
34
B+
B+
B+
B+
13
Note : The components identified by mark 0 or dotted
line with mark 0 are critical for safety.
Replace only with part number specified.
4-61 4-62
SRV1793UC
(SWITCHING REGULATOR)(RDR-HX910:TW model)
w
w
w
.
x
i
a
o
y
u
1
6
3
.
c
o
m
Q
Q
3
7
6
3
1
5
1
5
0
9
9
2
8
9
4
2
9
8
T
E
L
1
3
9
4
2
2
9
6
5
1
3
9
9
2
8
9
4
2
9
8
0
5
1
5
1
3
6
7
3
Q
Q
TEL 13942296513 QQ 376315150 892498299
TEL 13942296513 QQ 376315150 892498299
http://www.xiaoyu163.com
http://www.xiaoyu163.com

Table of Contents

Other manuals for Sony RDR-GX310

Related product manuals