EasyManua.ls Logo

Sony RMT-D249P - Page 29

Sony RMT-D249P
123 pages
Print Icon
To Next Page IconTo Next Page
To Next Page IconTo Next Page
To Previous Page IconTo Previous Page
To Previous Page IconTo Previous Page
Loading...
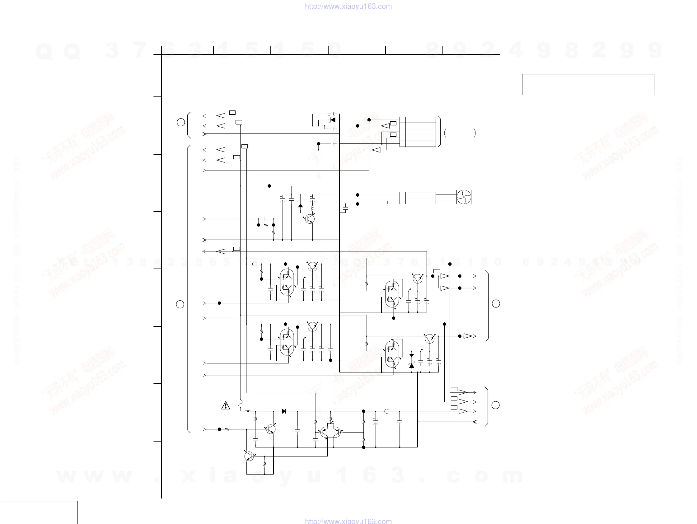
RDR-HX680/HX780/HX785/HX980/HX1080
4-84-7
POWER/FAN CONT.
AV-133 (2/5)
For Schematic Diagram
• Refer to page 4-51 for printed wiring board.
AV-133 BOARD(2/5)
POWER/FAN CONT.
-REF.NO.: 10,000 SERIES-
BLOCK
THROUGH THE
CN202
PAE-003 HARNESS
TO POWER
(SEE PAGE 4-44)
FAN
6
TO (4/5)
1
TO (1/5)
5
TO (3/5)
7
TO (5/5)
0
0
6.1
5.7
11.5
0.6
4.8
8.9
4.9
5.5
5.5
9.6
5.5
4.8
0
0
4.8
4.8
4.7
4.7
0
0
0.6
5.6
0.2
0.2
5.6
5.6
11.6
0
9.6
5.5
5.6
5.5
5.6
B+
B+
B+
B+
B+
B+
B+
B+
B+
B+
B+
1
2
3
4
5
1
2
EV+5.8V
GND
EV+12.1V
P_CONT
GND
FAN-
FAN+
(V+12R1E)
(V+5VO)
(V+5VI)
P_CONT
FANCTL
V+12R1
GND
GND
GND
25V
0.1
F
C301
25V
0.1
F
C302
JL330
V+12R1
JL329
JL319
16V
100
C303
UDZSNTPE-1715B
D301
JL325
JL326
25V
0.1
F
C202
16V
100
C204
1SS355TE-17
D201
JL314
1mH
L201
2SD2114KT146
FAN DRIVE
Q201
50V
470p
C206
3.3k
R219
JL307
JL311
2.2k
R220
0uH
L303
100
R304
25V
0.1
F
C305
UMD2N-TR
Q301
2SC4081T106R
Q302
25V
0.1
F
C306
16V
100
C308
16V
100
C307
RFTHRU
JL312
JL308
JL301
V+5BB
JL309
33
R305
TUON
25V
0.1
F
C309
25V
0.1
F
C310
UMD2N-TR
Q303
JL313
V+5TU
16V
220
C311
25V
F
C329
0.1
33
R306
16V
100
C316
SWVION5V
UMD2N-TR
Q307
Q308
2SC2411K-T-146-CQ
25V
0.1
F
C314
UMD2N-TR
+5V REG
+5V REG
+5V REG
+5V REG
+5V REG
+5V REG
+9V REG
+9V REG
Q305
1.5k
R309
16V
100
C319
2SC2411K-T-146-CQ
Q306
16V
100
C320
25V
0.1
F
C318
V+9V
V+5VV
16V
100
C315
V+5VV
JL344
JL345
JL341
JL316
JL315
JL338
JL320
JL347
JL346
JL343
L304
330uH
4.7k
R310
TU_DCCON
820
R311
2SC4081T106R
Q310
10k
R312
1SS355TE-17
D303
22k
R314
HN1A01FU-TE85R
Q309 - 311
+32V SWITCHING
REG
Q311
25V
0.1
F
C324
180k
R313
0.5%
100k
R315
0.5%
22k
R316
V+32V
0uH
L305
50V
10
C326
JL302
JL328
JL327
V+5R8E
50V
100p
C322
2012
50V
1
F
C323
50V
0.1
F
C328
UDZSNTPE-179.1B
D302
Q304
2SD2153T100V
Q309
2SC5876T106QR
1SS355TE-17
D304
16V
100
C312
25V
22
C205
16V
0.1
B
C208
SWVION9V
0.5A
IC317
32V
CN301
5P
CN201
2P
(V+5VI)
V+5VV
(V+5VI)
V+5VV
1
A
B
C
D
E
F
G
H
2
3 4 5 6
Note : The components identified by mark 0 or dotted
line with mark 0 are critical for safety.
Replace only with part number specified.
w
w
w
.
x
i
a
o
y
u
1
6
3
.
c
o
m
Q
Q
3
7
6
3
1
5
1
5
0
9
9
2
8
9
4
2
9
8
T
E
L
1
3
9
4
2
2
9
6
5
1
3
9
9
2
8
9
4
2
9
8
0
5
1
5
1
3
6
7
3
Q
Q
TEL 13942296513 QQ 376315150 892498299
TEL 13942296513 QQ 376315150 892498299
http://www.xiaoyu163.com
http://www.xiaoyu163.com

Table of Contents

Related product manuals