EasyManua.ls Logo

Sony RMT-D249P - Page 31

Sony RMT-D249P
123 pages
Print Icon
To Next Page IconTo Next Page
To Next Page IconTo Next Page
To Previous Page IconTo Previous Page
To Previous Page IconTo Previous Page
Loading...
RDR-HX680/HX780/HX785/HX980/HX1080
4-11 4-12
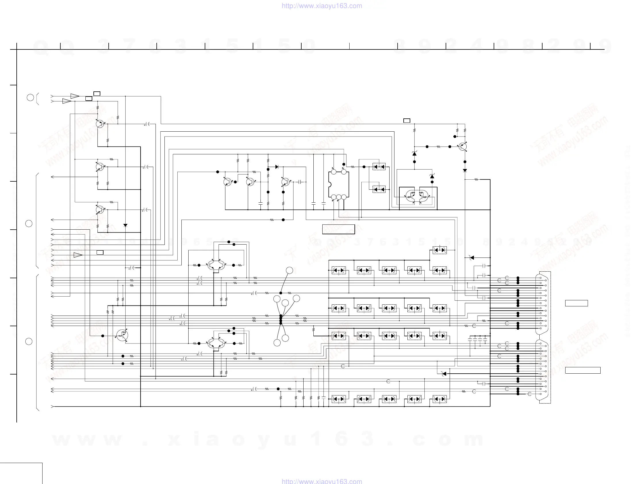
For Schematic Diagram
• Refer to page 4-4 for waveforms.
• Refer to page 4-51 for printed wiring board.
IC406
AV LTH SW
AV-133 BOARD(4/5)
EURO
-REF.NO.: 10,000 SERIES-
LINE 3 / TV
LINE 1 / DECORDER
6
TO (2/5)
3
TO (1/5)
8
TO (3/5)
15
14
12
11
13
10
0.5
0
0
0
10.8
0
10.8
0
4.2
0.3
5
0
4.9
4.2
4.9
0
4.8
10.1
2.8
2.8
1.7
0
0
11.5
0
0
0.3
2.1
2.1
11.4
0
4.8
4.8
0
0
0
0
B+
B+
B+
B+
42P
JA501
1
3
5
791113151719
21
2468101214161820
22
23
24
25
26
27
28
29
30
31
32
33
34
35
36
37
38
39
40
41
42
GND
1000p
C507
470p
C508
1000p
C505
470p
C506
UMZ6.8N-T106
D507
UMZ6.8N-T106
D506
UMZ6.8N-T106
D505
UMZ6.8N-T106
D504
NNCD3.9F-T1B
D503
FUNC_IN
BIN
GIN
R/CIN
2012
75
R501
2012
75
R502
2012
75
R503
0.1
C510
0
R506
JL543
NNCD3.9F-T1B
D508
UMZ6.8N-T106
D509
UMZ6.8N-T106
D511
NNCD3.9F-T1B
D510
NNCD3.9F-T1B
D512
C503
100p
50V
BLANK
2012
75
R514
2012
75
R571
UMZ6.8N-T106
D513
UMZ6.8N-T106
D517
UMZ6.8N-T106
D514
UMZ6.8N-T106
D516
UMZ6.8N-T106
D515
470p
C516
470p
C519
1000p
C518
1000p
C520
2012
3.9
R522
2012
68
R521
6.3V
470
C529
JL519
JL553
6.3V
470
C528
JL518
2012
68
R504
2012
3.9
R505
UMZ6.8N-T106
D522
UMZ6.8N-T106
D518
UMZ6.8N-T106
D520
UMZ6.8N-T106
D521
UMZ6.8N-T106
D519
100k
R529
JL557
0uH
L501
JL536
JL537
JL538
JL539
JL540
JL541
JL542
JL544
JL545
JL546
JL547
JL549
JL550
JL551
JL552
JL554
JL555
JL556
JL558
JL559
JL560
JL561
JL521
2012
68
R525
6.3V
470
C531
2012
3.9
R526
6.3V
470
C532
2012
75
R530
2012
0
R531
JL523
2012
68
R523
JL520
6.3V
470
C530
2012
3.9
R524
JL522
2012
75
R528
2012
0
R527
2012
75
R532
V+5V
AVLTH
JL528
RGBOUT
R/COUT
AV1_V/YOUT
BOUT
GOUT
AV1_V/YIN
56k
R519
10
R518
1.2k
R516
2012
560
R515
1.5k
R517
2SA1576A-T106-QR
Q502
1SS355TE-17
D526
UDZSNPTE-175.1B
D501
UDZSNPTE-175.1B
D502
SQU
FUNC_ON
JL534
JL532JL531
JL529
AVLOUT
2SC4081T106R
Q503
Q503 - Q505
AV IN,OUT
SWITCH
2SC4081T106R
Q504
2SC4081T106R
Q505
4.7k
R507
47k
R508
27k
R509
220k
R511
100k
R512
220
R520
220p
C517
220p
C511
0.1
C515
1SS355TE-17
D527
2.2M
R510
100k
R513
JL525
JL526
JL517
JL514
JL516
JL515
AVLIN
JL527
100
R542
100
R543
100
R544
100
R545
100k
R548
100k
R549
100k
R547
100k
R546
AV1_RIN
AV2_LIN
AV2_RIN
AV1_LIN
100
R537
100
R539
470
R536
470
R538
100k
R540
100k
R541
50V
4.7
C541
50V
4.7
C542
3.9k
R534
3.9k
R535
HN1C03FU-TE85R
MUTE SW
Q506
AV2_V/YIN
AV2_V/YOUT
AV1_ROUT
AV1_LOUT
50V
4.7
C544
470
R550
100k
R555
100k
R554
HN1C03FU-TE85R
MUTE SW
Q507
3.9k
R557
100
R553
3.9k
R556
AV2_ROUT
100
R551
50V
4.7
C543
470
R552
AV2_LOUT
DTA124EUA-T106
SA MUTE
Q508
1SS355TE-17
D528
16V
100
C545
SAMUTE
680
R561
15k
R560
10k
R558
22k
R566
12k
R568
25V
22
C547
BTOMAIN
15k
R564
680
R565
GTOMAIN
10k
R562
25V
22
C550
25V
22
C551
RTOMAIN
V+5VV
2SA1576A-T106-QR
BUFFER
BUFFER
BUFFER
Q511
JL535
JL507
JL502
JL503
JL548
0uH
L502
JL509
JL533
JL530
JL505
JL508
JL513
JL511
JL506
JL510
JL504
JL501
54
321
IC406
TC7S66FU(TE85R)
2SC4081T106R
Q509
2SC4081T106R
Q510
JL562
1k
R569
Q501
UMH1NTN
SWITCH
SWITCH
3
2
1
6
5
4
D523
DAN217UT106
D524
DAN217UT106
0
R559
0uH
R573
50V
100p
C552
UDZSNPTE-1713B
D529
UDZSNPTE-1713B
D530
UMZ6.8N-T106
D531
0
R563
0uH
L851
0uH
L852
0uH
L853
0uH
L854
0uH
L855
0uH
L856
0uH
L857
0uH
L858
0uH
L859
0uH
L860
0uH
L861
0
L803
0uH
L862
VCC
CONT
OUT/IN
IN/OUT
GND
22.ROUT
23.RIN
24.LOUT
25.GNDA
26.GNDV
27.LIN
28.BIN
29.FUNCTION
30.GNDV
31.N-LINK
32.GIN
33.NC
34.GNDV
35.GNDV
36.R/CIN
37.BLANK
38.GNDV
39.GNDV
40.V/YOUT
41.V/YIN
42.GNDV
7.BOUT
13.GNDV
11.GOUT
20.V/YIN
9.GNDV
10.N-LINK
14.GNDV
12.NC
4.GNDA
8.FUNCTION
2.RIN
17.GNDV
16.BLANK
6.LIN
15.R/COUT
19.V/YOUT
1.ROUT
21.GNDV
18.GNDV
3.LOUT
5.GNDV
(V+5VI)
V+12R1
1
A
B
C
D
E
F
G
H
2
3 4 5 6 7 8 9 10 11 12 13
EURO
AV-133 (4/5)
w
w
w
.
x
i
a
o
y
u
1
6
3
.
c
o
m
Q
Q
3
7
6
3
1
5
1
5
0
9
9
2
8
9
4
2
9
8
T
E
L
1
3
9
4
2
2
9
6
5
1
3
9
9
2
8
9
4
2
9
8
0
5
1
5
1
3
6
7
3
Q
Q
TEL 13942296513 QQ 376315150 892498299
TEL 13942296513 QQ 376315150 892498299
http://www.xiaoyu163.com
http://www.xiaoyu163.com

Table of Contents

Related product manuals