EasyManua.ls Logo

Sony RMT-D249P - Page 32

Sony RMT-D249P
123 pages
Print Icon
To Next Page IconTo Next Page
To Next Page IconTo Next Page
To Previous Page IconTo Previous Page
To Previous Page IconTo Previous Page
Loading...
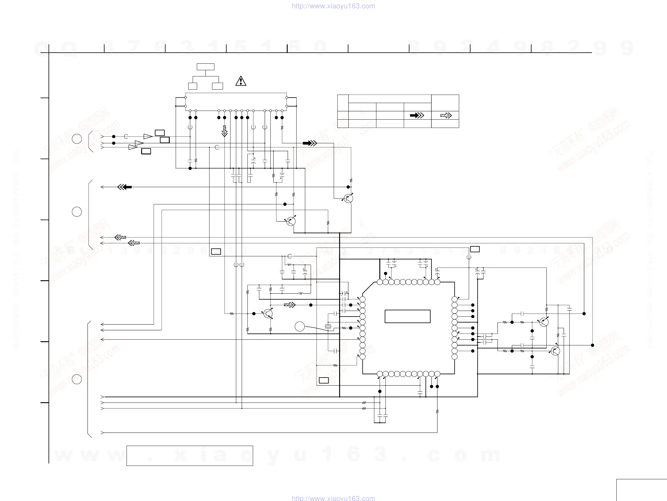
RDR-HX680/HX780/HX785/HX980/HX1080
(TUNER TMFE2-4707A)
EURO MSP
IC601
B+
B+
B+
B+
B+
B+
7
TO (2/5)
9
TO (3/5)
4
TO (1/5)
AERIAL
IN OUT
AV-133 BOARD(5/5)
TUNER
-REF.NO.: 10,000 SERIES-
Y/CHROMAYCHROMA
SIGNAL PATH
PB
AUDIO
REC
SIGNAL
VIDEO SIGNAL
3
0
0
0
0.9
0
0.2
4.3
4.4
4.9
4.7
0.2
0.9
4.8
1.4
1.4
2.3
2.3
0
4.9
2.5
2.5
2.2
4.4
1.6
3.8
4.7
0.8
1.4
1234567891011
12
13
14
15
16
17
18
19
20
21
22
2324252627282930313233
34
35
36
37
38
39
40
41
42
43
44
MSP3417G-QG-B8V3
IC601
GND
10V
1
F
C620
10V
100
C643
50V
56p
C622
50V
56p
C621
0
R616
JL621
JL623
JL631
JL644
JL645
JL653
JL652
JL651
JL650
JL649
JL648
JL647
JL632
50V
3p
CJ
C623
50V
3p
CJ
C624
25V
0.1
F
C619
10k
R619
X601
18.432MHz
50V
22p
C635
50V
22p
C636
10V
1
F
C625
100
R621
100
R622
0
R620
XRST1
SCL
SDA
10V
100
C642
50V
10
C641
25V
0.1
F
C617
25V
0.1
F
C618
50V
10
C638
50V
3.3
C639
50V
100p
C615
JL619
L608
0uH
2012
10uH
L609
330
R63016V
0.01
B
C616
2SC4081T106R
SIF AMP
Q606
100
R633
2.2k
R634
4.7k
R631
22
R632
25V
0.1
F
C614
10V
100
C640
L606
0uH
2012
25V
0.1
F
C613
MSPSTAT
JL614
50V
3900p
B
C629
50V
3900p
B
C632
3.3k
R624
3.3k
R627
3.3k
R625
3.3k
R628
2SA1576A-T106-QR
BUFFER
Q604
2SA1576A-T106-QR
BUFFER
Q605
16V
0.01
B
C628
16V
0.01
B
C631
50V
560p
C630
50V
560p
C633
1k
R623
1k
R626
25V
0.1
F
C627
25V
0.1
F
C626
JL656
JL657
JL658
JL659
JL660
V+5BB
50V
2200p
B
C602
50V
2200p
B
C603
JL604
0uH
L604
0uH
L605
10V
100
C609
50V
100p
C604
JL603
JL605
JL608
JL609
JL610
JL611
JL612
JL616
JL617
V+32V
V+5TU
0
R603
16V
47
C611
2SA1576A-T106-QR
AGC
Q602
2SA1576A-T106-QR
BUFFER
Q601
10k
R605
AGC
JL618
L601
0uH
2012
JL601
JL602
10k
R606
AFT
1k
R602
JL620
L602
0uH
2012
TU_VIN
JL661
50V
10p
C605
50V
10p
C606
L607
100uH
0
R609
100
R638
0uH
R635
0uH
R636
0uH
R637
1k
R607
10V
0.47
B
C608
BB
GND
AUDIO OUT
SIF OUT
GND
SCL
SDA
AGC OUT
MB
TU
GND
AFT OUT
VIDEO OUT
U601
AVSUP
AIN1+
AIN1-
TESTEN
XIN
XOUT
TP
DCO1
DCO0
ADSEL
STBYQ
SCL
SDA
TP
DVSUP
DVSS
TP
RESETQ
VREF2
DACMR
DACML
VREF1
SCOR
SCOL
NC
AHVSUP
CAPLM
AHVSS
AGNDC
NC
NC
NC/ASG
SC1R
VREFTOP
MONOIN
AVSS
NC
TP
TP
TP
TP
TP
TP
TP
TU_RIN
TU_LIN
1
A
B
C
D
E
F
G
2
3 4 5 6 7 8 9
4-13 4-14
TUNER
AV-133 (5/5)
For Schematic Diagram
• Refer to page 4-4 for waveforms.
• Refer to page 4-51 for printed wiring board.
Note : The components identified by mark 0 or dotted
line with mark 0 are critical for safety.
Replace only with part number specified.
w
w
w
.
x
i
a
o
y
u
1
6
3
.
c
o
m
Q
Q
3
7
6
3
1
5
1
5
0
9
9
2
8
9
4
2
9
8
T
E
L
1
3
9
4
2
2
9
6
5
1
3
9
9
2
8
9
4
2
9
8
0
5
1
5
1
3
6
7
3
Q
Q
TEL 13942296513 QQ 376315150 892498299
TEL 13942296513 QQ 376315150 892498299
http://www.xiaoyu163.com
http://www.xiaoyu163.com

Table of Contents

Related product manuals