EasyManua.ls Logo

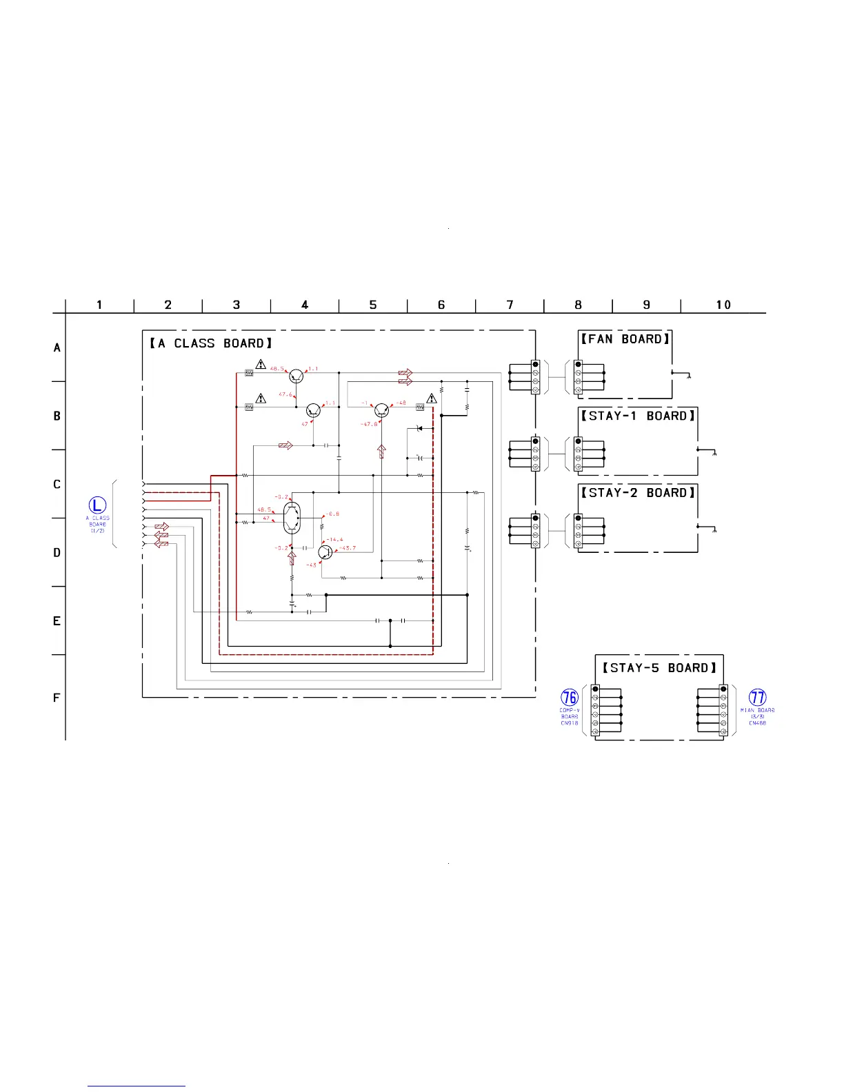
Sony STR-DB798 - Schematic Diagram − a CLASS Section (2;2)

Sony STR-DB798
96 pages
Print Icon
To Next Page IconTo Next Page
To Next Page IconTo Next Page
To Previous Page IconTo Previous Page
To Previous Page IconTo Previous Page
Loading...
STR-DB798
4343
STR-DB798
R2706
R2704
R2703
R2705
R2711
R2701
R2708
R2707
R2715
D2701
R2712
C2708
R2719
R2709
R2710
R2714
R2713
C2705
C2706
Q2706Q2704
Q2705
C2704
Q2701
Q2703
C2701
R2702
C2702
C2808 C2807
R2716
C2707
C2711
CN2005 CN18
CN2004
CN2003
CN28
CN38
CN168 CN178
1.2k
1.2k
330
4.7k
100k
1k
3.3k
560
120
MTZJ5.6B
100k
220p
100V
150
2.2k
56k
120
470
330
25V
4p
500V
2SC22292SA992
2SA949
220
16V
2SC5169
2SC1740
220p 100V
56k
47
63V
0.0022
100V
0.0022
100V
18k
4p 500V
100p 100V
4P 4P
4P
4P
4P
4P
6P 6P
GND
-B
+B
NF
GND
SBL
BIAS-
BIAS+
1
2
4
3
5
BIAS
BIAS
BIAS
PRE DRIVE
PRE DRIVE
(2/2)
(CHASSIS)
(CHASSIS)
(CHASSIS)
EB18
EB28
EB38
6-30. SCHEMATIC DIAGRAM – A CLASS Section (2/2) –
(Page 42)
(Page 33)
(Page 39)

Table of Contents

Other manuals for Sony STR-DB798

Related product manuals