EasyManua.ls Logo

Sony STR-DE497P - Block Diagram - Video;Display Section

Sony STR-DE497P
52 pages
Print Icon
To Next Page IconTo Next Page
To Next Page IconTo Next Page
To Previous Page IconTo Previous Page
To Previous Page IconTo Previous Page
Loading...
STR-DE497P/K4800P/K5800P
1818
STR-DE497P/K4800P/K5800P
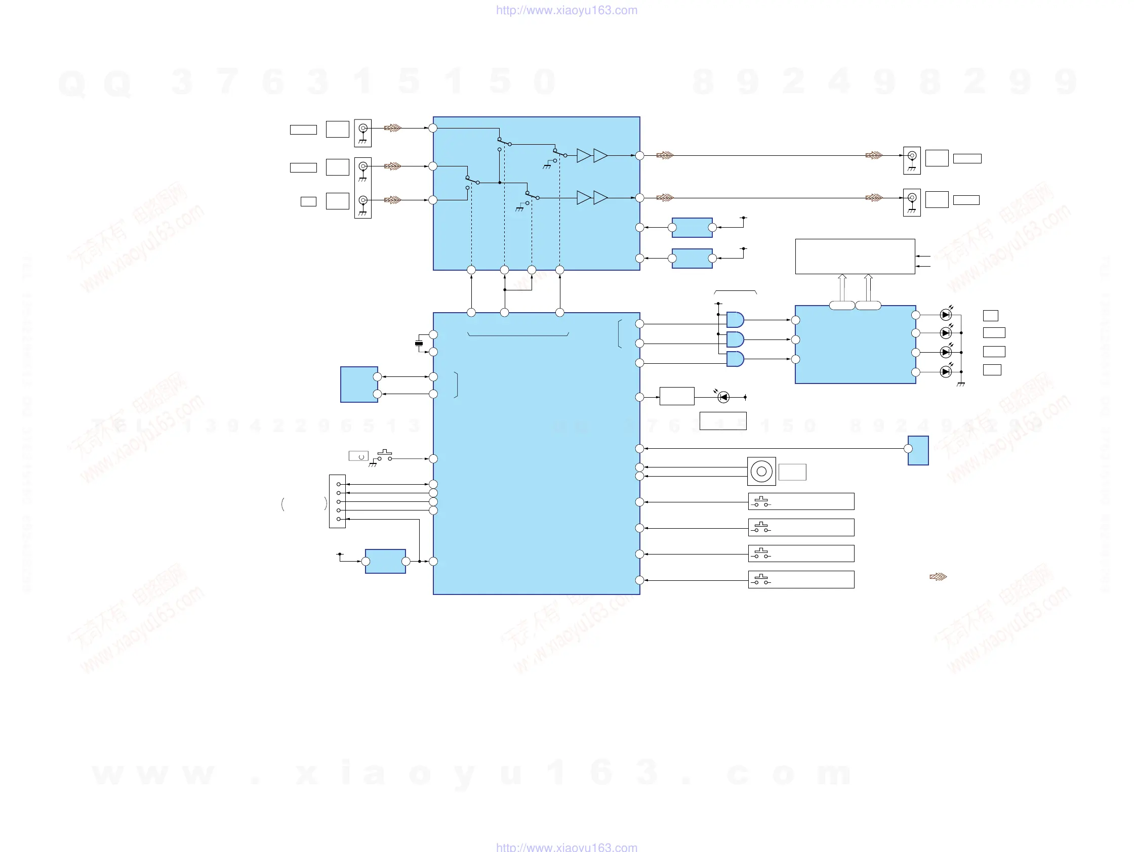
4-4. BLOCK DIAGRAM — VIDEO/DISPLAY SECTION —
12
10
5
3
1
2 413
88
83
61
7
14 - 29 42 - 31
82
34
33
5
6
8890
11
8
14
62
8
63
46
60
59
54
38
9
1
2
4
SW NETWORK S131-135,151
39
SW NETWORK S100-107
40
SW NETWORK S120-123,125
41
SW NETWORK S110-116
RV102
MASTER
VOLUME
56
28
27
51
49
77
23
13
VIDEO
IN
VIDEO 1
VIDEO
OUT
MONITOR
VIDEO
OUT
VIDEO 1
VIDEO
IN
VIDEO2
VIDEO
IN
DVD
+3.3V
(STBY)
RESET
IC1602
VOUT1
VOUT2
+5V
V3
V2
V1
X1
X0
SW2
SW3
SW1
SDA
EEPROM
VIDEO SW
SCL
POWER KEY
FLASH1
FLASH2
MD2
MD0
RSTX
-5V
IC807
IC804
+5V
REG
-5V
REG
+V
-V
J201 (2/2)
J200 (2/2)
FL101
VACUUM
FLUORESCENT
DISPLAY
F1
F2
DIN
CLK
STB
SW1
SW2
3
SW3
SW4
VIDEO AMP
IC203
S2
M2
S1
M1
J201 (1/2)
J200 (1/2)
SDA
SCL
EEPROM
IC1604
X1601
16MHz
DIN
FL DRV/
LED DRV
BUFFER
IC101
CLK
FL_STB
BLUE LED
SIRCS
VOL(A)
VOL(B)
A/D0
A/D1
A/D2
A/D3
5
+5V
4
1
2
10
9
6
3
8
3
1
FL DISPLAY
DRIVER
IC100
SEG1-16 GRID1-12
LED DRIVER
Q100
1
REMOTE
CONTROL
RECEIVER
IC102
OUT
SIRCS
SYSTEM
CONTROL
IC1601 (3/4)
CNS3
FLASH1
FLASH2
MD2
MD0
RESET
1
2
7
6
5
FLASH
PROGRAMMING
S152
+5V
12
I
/
I
D101
MULTI CHANNEL
DECODING
D102
D103
D104
D105
MUSIC
MOVIE
A.F.D.
2CH
-2
-1
-1
-2
-3
• Signal path
: VIDEO
w
w
w
.
x
i
a
o
y
u
1
6
3
.
c
o
m
Q
Q
3
7
6
3
1
5
1
5
0
9
9
2
8
9
4
2
9
8
T
E
L
1
3
9
4
2
2
9
6
5
1
3
9
9
2
8
9
4
2
9
8
0
5
1
5
1
3
6
7
3
Q
Q
TEL 13942296513 QQ 376315150 892498299
TEL 13942296513 QQ 376315150 892498299
http://www.xiaoyu163.com
http://www.xiaoyu163.com

Related product manuals