EasyManua.ls Logo

Sony STR-DE497P - Schematic Diagram - Power Section

Sony STR-DE497P
52 pages
Print Icon
To Next Page IconTo Next Page
To Next Page IconTo Next Page
To Previous Page IconTo Previous Page
To Previous Page IconTo Previous Page
Loading...
STR-DE497P/K4800P/K5800P
31 31
STR-DE497P/K4800P/K5800P
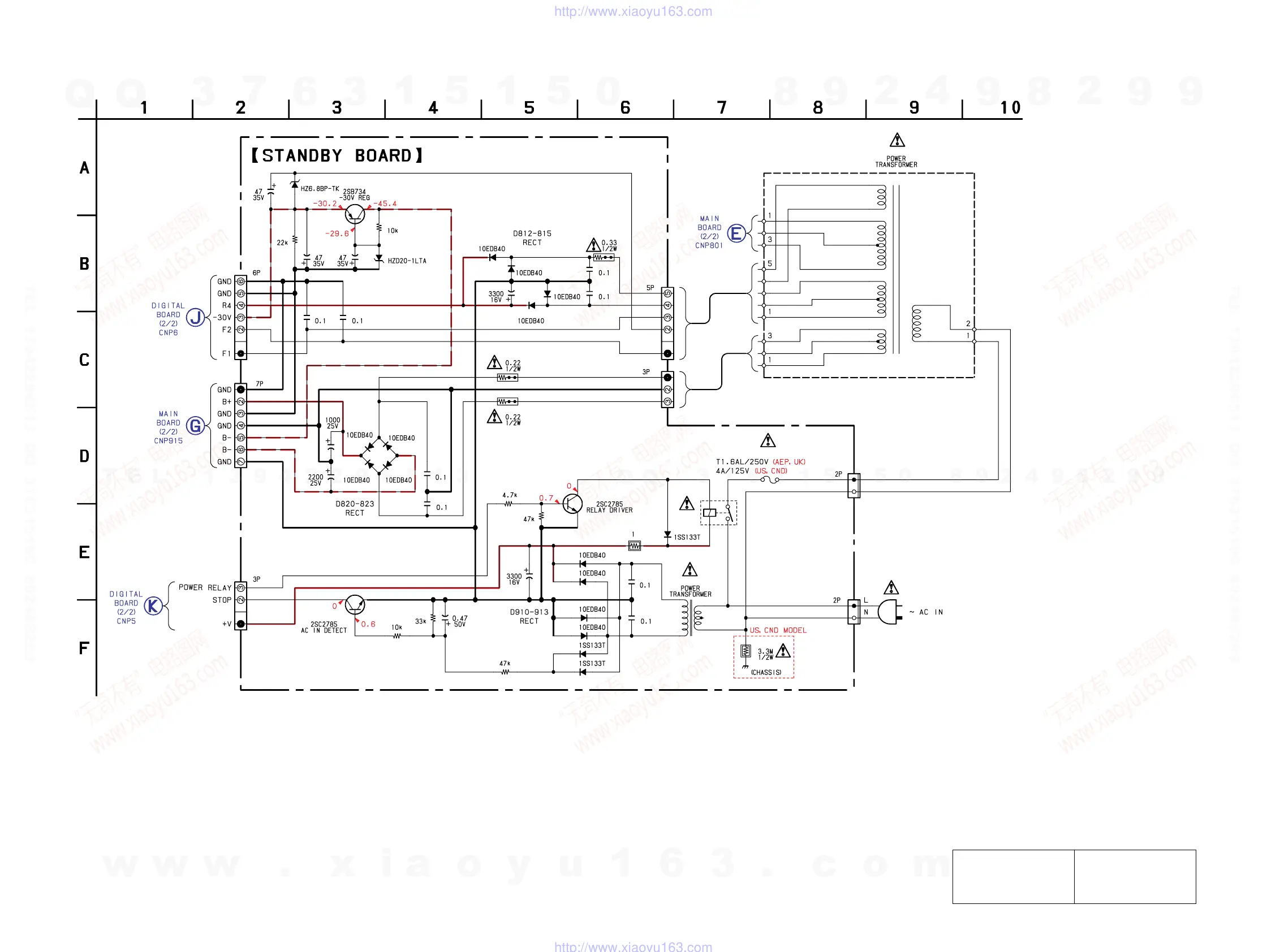
4-18. SCHEMATIC DIAGRAM — POWER SECTION — • Refer to page 15 for Common Note on Schematic Diagram.
C830
R903
R902
D914
D915
C920
C921
C950
C813
C814
R904
C831
C820C821
C923
R923
R806
R922
R921
C801 C802
C816
C822
D804
D813
D814
D815
D820
D821 D822
D823
D910
D911
D912
D913
CNP804
CNP905
CNP903
CNP901
C815
RY901
C823
T901
Q801
CNP802
CNP912
Q921
R910
R810
R812
Q901
D901
T902
CNP902
D812
F901
D801
R804
R901
G901
(Page 26)
(Page 22)
(Page 22)
(Page 26)
The components identified by
mark 0 or dotted line with mark
0 are critical for safety.
Replace only with part number
specified.
Les composants identifiés par
une marque 0 sont critiques
pour la sécurité.
Ne les remplacer que par une
pièce portant le numéro spécifié.
w
w
w
.
x
i
a
o
y
u
1
6
3
.
c
o
m
Q
Q
3
7
6
3
1
5
1
5
0
9
9
2
8
9
4
2
9
8
T
E
L
1
3
9
4
2
2
9
6
5
1
3
9
9
2
8
9
4
2
9
8
0
5
1
5
1
3
6
7
3
Q
Q
TEL 13942296513 QQ 376315150 892498299
TEL 13942296513 QQ 376315150 892498299
http://www.xiaoyu163.com
http://www.xiaoyu163.com

Related product manuals