EasyManua.ls Logo

Sony STR-DE497P - Schematic Diagram - Display Section

Sony STR-DE497P
52 pages
Print Icon
To Next Page IconTo Next Page
To Next Page IconTo Next Page
To Previous Page IconTo Previous Page
To Previous Page IconTo Previous Page
Loading...
STR-DE497P/K4800P/K5800P
29 29
STR-DE497P/K4800P/K5800P
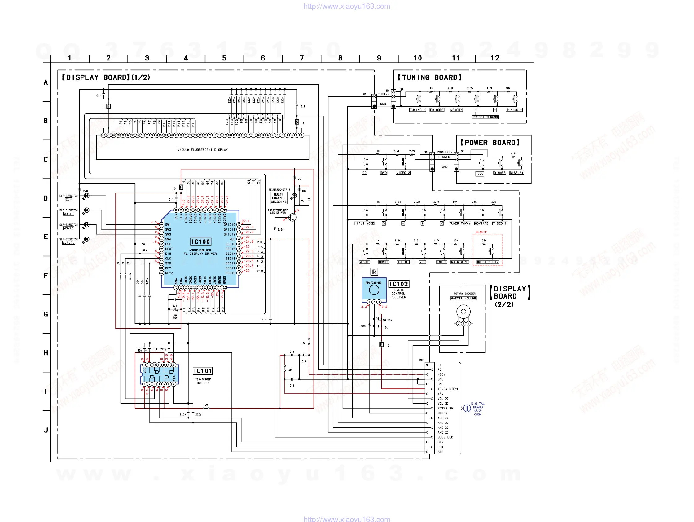
4-16. SCHEMATIC DIAGRAM — DISPLAY SECTION — • Refer to page 15 for Common Note on Schematic Diagram.
C100
C115
C132
C133
C134
C135
C136
C137
C138
C139
C140
C141
C142
C143
R150
S104
L103
R141
R161
R101
R111
R121
R102 R103
R112 R113
R122
R104
R114
R105
R115
R162
R172
R173
R174
R153
S151
R133
S135S134S133S132S131
R123
R124
R136R132 R134 R135
L102
R199
R198
R175
CNS100
C151
R154
C105
CNP103
CNP101
L101
C108
C104
C101
C152C150
C153
C154
C157
C156
C155
C114
IC102
C144
C112
C111
C110
C109
CNP104
S120 S121 S125
S152 S122 S123
CNP102
R106 R107
S107S106
S105S103S102S101
S100
S110 S111 S112 S113 S114 S115
R116
S116
FL101
RV102
Q100
IC101
D102
D103
D104
D105
D101
R160
IC100
(Page 26)
w
w
w
.
x
i
a
o
y
u
1
6
3
.
c
o
m
Q
Q
3
7
6
3
1
5
1
5
0
9
9
2
8
9
4
2
9
8
T
E
L
1
3
9
4
2
2
9
6
5
1
3
9
9
2
8
9
4
2
9
8
0
5
1
5
1
3
6
7
3
Q
Q
TEL 13942296513 QQ 376315150 892498299
TEL 13942296513 QQ 376315150 892498299
http://www.xiaoyu163.com
http://www.xiaoyu163.com

Related product manuals