EasyManua.ls Logo

Sony STR-DE497P - Printed Wiring Board - Video Section; Schematic Diagram - Video Section

Sony STR-DE497P
52 pages
Print Icon
To Next Page IconTo Next Page
To Next Page IconTo Next Page
To Previous Page IconTo Previous Page
To Previous Page IconTo Previous Page
Loading...
STR-DE497P/K4800P/K5800P
27 27
STR-DE497P/K4800P/K5800P
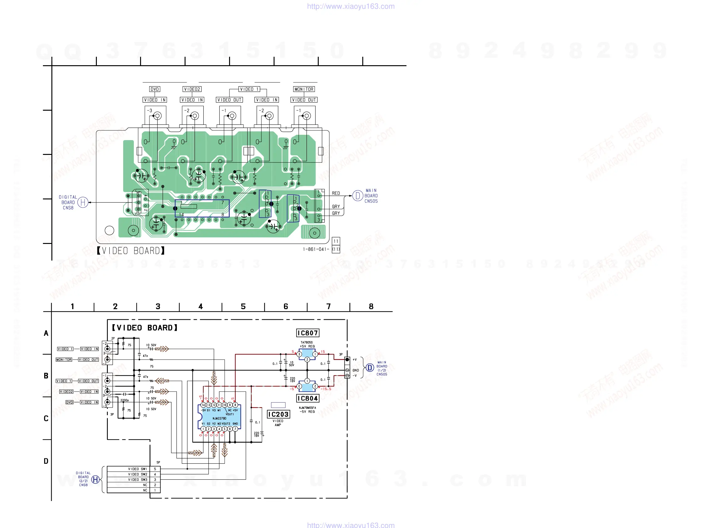
4-13. PRINTED WIRING BOARD — VIDEO SECTION — • Refer to page 15 for Circuit Boards Location and Common Note on Printed Wiring Boards.
4-14. SCHEMATIC DIAGRAM — VIDEO SECTION — • Refer to page 15 for Common Note on Schematic Diagram and page 32 for IC Block Diagrams.
(Page 20)
1
A
B
C
D
2345678
JW202
JW203
JW
201
JW204
R218
IC807
IC804
R201
CNP156
C214
C824
R200
C215
C809
C210
C213
CNS250
C208
R220
C248
C206
C201
R221
C200
C825
J201
J200
C207
IC203
T201
T202
IC B/D
C200
R220
R218
R221
C214
C215
C248
C201
C213
C809
C825
C824
C208
C210
J201
IC203
CNS250
CNP156
R201
R200
J200
C206
C207
IC807
IC804
(Page 24)
(Page 26)
(Page 21)
w
w
w
.
x
i
a
o
y
u
1
6
3
.
c
o
m
Q
Q
3
7
6
3
1
5
1
5
0
9
9
2
8
9
4
2
9
8
T
E
L
1
3
9
4
2
2
9
6
5
1
3
9
9
2
8
9
4
2
9
8
0
5
1
5
1
3
6
7
3
Q
Q
TEL 13942296513 QQ 376315150 892498299
TEL 13942296513 QQ 376315150 892498299
http://www.xiaoyu163.com
http://www.xiaoyu163.com

Related product manuals