EasyManua.ls Logo

Sony VPL-PS10 - Page 180

Sony VPL-PS10
196 pages
Print Icon
To Next Page IconTo Next Page
To Next Page IconTo Next Page
To Previous Page IconTo Previous Page
To Previous Page IconTo Previous Page
Loading...
7-30
VPL-PS10/PX10/PX15
7-30
2
3
4
5
ABCDEFGH
1
C (1/5)C (1/5)
1
234
5 6 7 8
1
23
4 5
G
I
O
ON/OFF ADJ
1
23
4 5
A1
A2
A3
A4
A5
A6
A7
A8
A9
A10
A11
A12
A13
A14
A15
A16
A17
A18
A19
A20
A21
A22
A23
A24
A25
A26
A27
A28
A29
A30
A31
A32
A33
A34
B1
B2
B3
B4
B5
B6
B7
B8
B9
B10
B11
B12
B13
B14
B15
B16
B17
B18
B19
B20
B21
B22
B23
B24
B25
B26
B27
B28
B29
B30
B31
B32
B33
B34
A35
B35
A1
A2
A3
A4
A5
A6
A7
A8
A9
A10
A11
A12
A13
A14
A15
A16
A17
A18
A19
A20
A21
A22
A23
A24
A25
A26
A27
A28
A29
A30
A31
A32
A33
A34
B1
B2
B3
B4
B5
B6
B7
B8
B9
B10
B11
B12
B13
B14
B15
B16
B17
B18
B19
B20
B21
B22
B23
B24
B25
B26
B27
B28
B29
B30
B31
B32
B33
B34
A35
B35
1
23
4 5
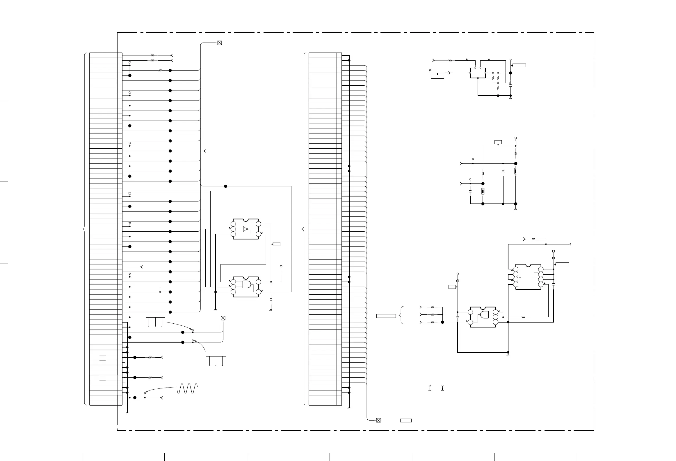
TH102
C107
C109
C113
IC104
C112
TH101
IC105
R139
R140
R138
IC109
C123
R130
R131
R132
R133
R135
R136
R137
TP108
TP110
TP111
TP114
TP115
TP112
TP113
CN1202
R141
R101
R102
R128
R129
R103
C101
JL140
JL141
JL143
JL144
CN1201
IC106
IC107
FB121
FB110
FB109
10K
LCD
0.01
25V
B:CHIP
0.01
25V
B:CHIP
0.1
16V
B:CHIP
TC7WH74FU(TE12R)
DIVIDE 1/2
0.1
16V
B:CHIP
10K
LAMP
TC7SET08FU(TE85)
BUFF
510
1/16W
:RN-CP
8.2k
1/16W
:RN-CP
20k
1/16W
:RN-CP
PQ20VZ1U
15.5V REG
47
25V
:AL-CP
1k
1/16W
:RN-CP
2.7k
1/16W
:RN-CP
47
1/16W
:CHIP
47
1/16W
:CHIP
47
1/16W
:CHIP
47
1/16W
:CHIP
47
1/16W
:CHIP
70P
WHT
0
1/16W
:CHIP
0 :CHIP 1/16W
0 :CHIP 1/16W
0
1/16W
:CHIP
0
1/16W
:CHIP
0 :CHIP 1/16W
0.1
16V
B:CHIP
#
#
#
#
70P
WHT
TC7SET04FU(TE85)
TC7SET32FU(TE85)
0UH
0UH
0UH
5V
5V-2
MCLK B
MCLK R
MCLK G
3.3V-2
DCLK
DA DAT
TG
5V
5V-2
12V-3
LAMP TEMP
PANEL TEMP
DCLK
CLP
5V-3
16.5V
LAMP TEMP
PANEL TEMP
15.5V
16.5V
STATE
STATE
HSO
VSO
DACLK
I2C
3.3V-2
5V-2
13
5
24
13
5
24
5V
R9
R8
R6
R3
R4
G4
B6
B7
B8
B9
B2
B3
B4
B5
R5
R7
R0
G5
R2
G6
G8
G9
G7
G2
G3
G1
G0
B1
B0
R1
POS-CON2
POS-CON1
ENBX2B
ENBX2G
ENBX2R
ENBX1B
ENBX1G
ENBX1R
RBDIR
GDIR
DWN
NRGRGB
CLYRGB
DYRGB
CLXB
CLXG
CLXR
DXB
DXG
DXR
ENB
PRG
FRPG
FRPRB
SDA 100K
SCL 100K
R0
R1
R2
R3
R4
R5
R6
R7
R8
R9
G0
G1
G2
G3
G4
G5
G6
G7
G8
G9
B0
B1
B2
B3
B4
B5
B6
B7
B8
B9
-1
TO_P4,5,6
CK
D
GND
VCC
Q
Q
PR
CLR
R0
R1
R2
R3
R4
R5
R6
R7
R8
R9
G0
G1
G2
G3
G4
G5
G6
G7
G8
G9
B0
B1
B2
B3
B4
B5
B6
B7
B8
B9
-1
B9
B8
B7
B6
B5
B4
B3
B2
B1
B0
G9
G8
G7
G6
G5
G4
G3
G2
G1
G0
R9
R8
R7
R6
R5
R4
R3
R2
R1
R0
GND
GND
SUB+5V
SUB+5V
PANEL_TEMP
POS_CON2
POS_CON1
ENBX2B
ENBX2G
ENBX2R
ENBX1B
ENBX1G
ENBX1R
CLP
RBDIR
GDIR
DWN
NRGRGB
CLYRGB
DYRGB
CLXB
CLXG
CLXR
DXB
DXG
DXR
ENB
PRG
FRPRB
FRPG
SDA_100K
SCL_100K
GND
GND
GND
GND
GND
DCLK
DCLK
VSO
VSO
HSO
HSO
LAMP_TEMP
A+5V(5V-3)
A+5V(5V-3)
A+5V(5V-3)
A+5V(5V-3)
D+5V(5V-2)
D+5V(5V-2)
D+5V(5V-2)
D+5V(5V-2)
A+12V(12V-3)
A+12V(12V-3)
A+12V(12V-3)
STATE 15V
A+16.5V
A+16.5V
A+16.5V
A+16.5V
A+16.5V
A+16.5V
A+16.5V
GND
GND
GND
GND
GND
GND
GND
GND
D+3.3V
D+3.3V
TO BB BOARD
CN304
TO BB BOARD
CN305
TO_P2
C
(1/5)
(REGULATOR)
B-SS1721-WW-C-P1
+5V
+16.5V
+15.5V
+5V
+13.3V
+5V
0.6
4.4
4.4
0.1
4.5
4.9 1.2
1.7
1.6 1.6
1.6
2.4
TP112
4.6 Vp-p (V)
TP113
4.6 Vp-p (V)
3.8Vp-p (67.7 MHz) (VPL-PX10/PX15)
8.4Vp-p (42.9 MHz) (VPL-PS10)
TP108

Related product manuals