EasyManua.ls Logo

Sony VPL-PS10 - Page 181

Sony VPL-PS10
196 pages
Print Icon
To Next Page IconTo Next Page
To Next Page IconTo Next Page
To Previous Page IconTo Previous Page
To Previous Page IconTo Previous Page
Loading...
7-31
VPL-PS10/PX10/PX15
7-31
2
3
4
5
1
A BCDEFGH
C (2/5)C (2/5)
1
23456789
1011
12
13
14
15
16
17
18
19
20
21
22
23
24
25 26 27 28 29
30
31
32 33 34 35 36
37
38
39
40
41
42
43
44
45
46
47
48
1
2
3
123456789101112131415161718192021
22 23 24 25 26 27 28 29 30 31 32 33 34 35 36 37 38 39 40 41 42
1 2 3 4 5 6 7
8
109 11 12
131415161718192021222324
1
2
3
4
5
6
7
8
9
1 2 3 4 5 6 7
8
109 11 12
131415161718192021222324
IC301
R333
R331
C302
C316
C312
C306
C318
R326
R319
R309
R305
R317
R328
R315
R332
R306
IC304
R336
R337
C325
RB303
RB302
RB301
C308
C314
C320
C303
C322
C321
C324
C305
C311
C315
C301
L301
L302
C317
L303
C310
R329
R330
R322
R310
C307
C313
C309
C304
C323
R304
R334
R335
R338
R339
R340
C326
C327
C329
FB305
RB304
R343
R345
R346
IC305
R347 R348 R349
R350
R351
R352
C283
TP301
TP302
TP303
TP304
TP305
TP306
TP307
TP308
TP309 TP310
TP311
D306
D307
D308
CN1203
R353
R354
R355
R313
R327
R307
R320
R325
R314
R303
R312
R318
R324
IC303
FB301
FB302 FB303
D301
FB304
FB306
FB307
D303
D304 D305
IC302
D302
R344
RB306
Q302
Q304
Q303
Q301
R323
R311
R342
R341
R302
R301
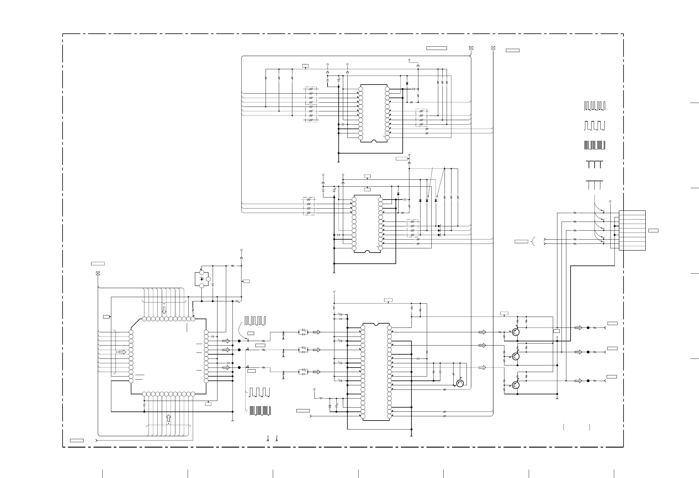
ADV7123KST140
D/A CONVERTER
3.3k
1/16W
:CHIP
680
1/16W
:RN-CP
47
6.3V
:AL-CP
3.3
50V
:AL-CP
3.3
50V
:AL-CP
3.3
50V
:AL-CP
82
16V
:OS
75
1/16W
:RN-CP
75
1/16W
:RN-CP
75
1/16W
:RN-CP
82
1/16W
:CHIP
82
1/16W
:CHIP
82
1/16W
:CHIP
470k
1/16W
:CHIP
100
1/16W
:CHIP
47k
1/16W
:CHIP
M62392FP
DAC
5.6k 1/16W :RN-CP
10k
1/16W
:RN-CP
47
6.3V
:AL-CP
100*4
:CHIP
100*4
:CHIP
100*4
:CHIP
0.1
16V
B:CHIP
0.1
16V
B:CHIP
47
6.3V
:AL-CP
0.1
16V
B:CHIP
0.1
16V
B:CHIP
0.1
16V
B:CHIP
0.1
16V
B:CHIP
0.01
25V
B:CHIP
0.01
25V
B:CHIP
0.01
25V
B:CHIP
0.01
25V
B:CHIP
10µH
:CHIP
10µH
:CHIP
0.01
25V
B:CHIP
10µH
:CHIP
0.22
10V
B:CHIP
2.2k
1/10W
:CHIP
2.2k
1/10W
:CHIP
2.2k
1/10W
:CHIP
2.2k
1/10W
:CHIP
0.22
10V
B:CHIP
10
16V
:AL-CP
10
16V
:AL-CP
10
16V
:AL-CP
0.022
25V
B:CHIP
100
1/16W
:CHIP
100 1/16W :CHIP
100 1/16W :CHIP
47 1/16W :CHIP
47 1/16W :CHIP
47 1/16W :CHIP
0.1
16V
B:CHIP
47
6.3V
:AL-CP
0.022
25V
B:CHIP
BK1608TS601
100*4
:CHIP
10k
1/16W
:RN-CP
100 1/16W :CHIP
100 1/16W :CHIP
M62392FP
DAC
10k
1/16W
:RN-CP
10k
1/16W
:RN-CP
10k
1/16W
:RN-CP
10k
1/16W
:RN-CP
10k
1/16W
:RN-CP
10k
1/16W
:RN-CP
0.1
16V
B:CHIP
RD5.1SB3-T1LEVEL
LEVEL SHIFT
RD5.1SB3-T1LEVEL
LEVEL SHIFT
RD5.1SB3-T1LEVEL
LEVEL SHIFT
9PIN
12k 1/16W :CHIP
12k 1/16W :CHIP
12k 1/16W :CHIP
10k 1/16W :CHIP
680
1/16W
:CHIP
680
1/16W
:CHIP
680
1/16W
:CHIP
390
1/16W
:CHIP
390
1/16W
:CHIP
390
1/16W
:CHIP
22
1/16W
:RN-CP
22
1/16W
:RN-CP
22
1/16W
:RN-CP
LM4041DIM3-1.2
(T&R)
SHUNT REG
0UH
0UH 0UH
1SS355TE-17
PROTECT
0UH
0UH
0UH
1SS355TE-17
0V PROT
1SS355TE-17
0V PROT
1SS355TE-17
0V PROT
M52749FP-TP
CLAMP&AMP
1SS355TE-17
PROTECT
5.6k
1/16W
:RN-CP
100*4 :CHIP
2SA1462-T1Y33Y34
BUFF
2SA1462-T1Y33Y34
BUFF
2SA1462-T1Y33Y34
BUFF
2SA1462-T1Y33Y34
BUFF
2.2k 1/10W :CHIP
2.2k 1/10W :CHIP
47
1/16W
:CHIP
47 1/16W :CHIP
100 1/16W :CHIP
100 1/16W :CHIP
5V-3
5V-3
5V-3
R OUT
G OUT
B OUT
CLP
5V-2
VSO
HSO
DA DAT
DACLK
DAC
12V-3
I2C
15.5V
5V-3
5V-3 5V-2
15.5V
SCEN
G2
G3
G4
G5
G6
G7
G8
G9
B2
B3
B4
B5
B6
B7
B8
B9
R2
R3
R4
R5
R6
R7
R8
R9
SCL 100K
SDA 100K
B0
B1
G1
G0
R0
R1
VIDEO RR
VIDEO RG
VIDEO RB
VCOM R
VCOM G
VCOM B
SDA 100K
SCL 100K
CAL
SCEN
DLYCNT B
DLYCNT G
DLYCNT R
NRSBB
NRSBG
NRSBR
SDA 100K
SCL 100K
NRSAR
NRSAG
NRSAB
G0
G1
G2
G3
G4
G5
G6
G7
G8
G9
R9
R8
R7
R6
R5
R4
R3
R2
R1
R0
RSET
VREF
COMP
VAA
VAA
GND
GND
VAA
B0
B1
B2
B3
B4
B5
B6
B7
B8
B9
CLOCK
PSAVE
BLANK
SYNC
BLUE
GREEN
RED
TO_P4,P5,P6
FROM_P1
FROM_P2
FROM_P1
R
SCL
SDA
AO7
AO8
AO9
AO10
AO11
AO12
VREFL
VREFU1
GNDVREFU2
AO1
AO2
AO3
AO4
AO5
AO6
VCC
VDD
CS2
CS1
CS0
GND
FROM_P1
IOR
IOR
IOG
IOG
IOB
IOB
R
SCL
SDA
AO7
AO8
AO9
AO10
AO11
AO12
VREFL
VREFU1
GNDVREFU2
AO1
AO2
AO3
AO4
AO5
AO6
VCC
VDD
CS2
CS1
CS0
OSDBLK
VCC1
OSDR
GND1
SOG IN
VCC1
OSD G
GND1
VCC1
OSD B
GND1
NC
GND1
ABL IN
NC
VCC 5V
SOG OUT
CLP
VCC2
NC
GND2
NC
GND2
CONT REF
MBRT
GND2
CONT DAC
BLK
D/A 1
GND
SDA
SCL
D/A 2
D/A 3
D/A 5
D/A 4
B_IN
B_OUT
R_IN
G_IN
R_OUT
G_OUT
M.OUT
R
G
B
HV
VD
GND
GND
GND
+5V
FROM_P1
TO_P4
TO_P3
TO_P5
C
(2/5)
D/A CONV.,DAC,
CLAMP & AMP
B-SS1721-WW-C-P2
+5V
+5V
+5V
+5V
+5V
+5V
+15.5V
+12V
+12V
1.2
1.2
2.0
3.0
3.0
3.1
3.5
3.3
2.4
3.2
3.1
3.1
2.3
4.8
4.8
2.5
2.5
2.5 2.5
2.5
3.5(2.5)
3.5(2.5)
3.5(2.5)
4.8
4.8
2.7
2.7
2.7
0.2
4.0
4.1
4.4
2.6
3.7
4.7
3.2
3.0
4.8
4.8
2.6
3.2
1.5
2.2
1.5
2.2
2.1
1.4
R
G
B
R
G
B
R
G
B
R
G
B
R
G
B
1.1Vp-p (H)
TP308(BLUE)
1.4Vp-p (H)
TP306(RED)
1.4Vp-p (H)
TP307(GREEN)
1.2Vp-p (H)
TP303
1.5Vp-p (H)
TP301
TP305
3.3 Vp-p (V)
1.5Vp-p (H)
TP302
TP304
3.3 Vp-p (H)

Related product manuals