EasyManua.ls Logo

Sony VPL-PS10 - Page 182

Sony VPL-PS10
196 pages
Print Icon
To Next Page IconTo Next Page
To Next Page IconTo Next Page
To Previous Page IconTo Previous Page
To Previous Page IconTo Previous Page
Loading...
7-32
VPL-PS10/PX10/PX15
7-32
2
3
4
5
ABCDEFGH
1
C (3/5)C (3/5)
1
2
3
4
5
6
7
8
9
10
11
12
13
14
15
16
17
18
19
20
21
22
23
24
25
26
27
28
29
30
1
2
3
4
5
6
7
8
9
10
11
12
13
14
15
16
17
18
19
20
21
22
23
24
25
26
27
28
29
30
123456789101112
13
14
15
16
17
18
19
20
21
22
23
24
25 26 27 28 29 30 31 32 33 34 35 36
37
38
39
40
41
42
43
44
45
46
47
48
1 2 3 4 5 6 7 8 9 10 11 12 13 14 15 16
17
18
19
20
21
22
23
24
25
26
27
28
29
30
31
32
33343536373839404142434445464748
49
50
51
52
53
54
55
56
57
58
59
60
61
62
63
64
1 2 3 4 5 6 7 8 9 10 11 12 13 14 15 16
17
18
19
20
21
22
23
24
25
26
27
28
29
30
31
32
33343536373839404142434445464748
49
50
51
52
53
54
55
56
57
58
59
60
61
62
63
64
C500
C501
C502
C503
C507
C508
C509
C511
C512
C514
C516
C517
C518
C519
C520
C522
C523
C524
C526
C527
C528
C529
C530
C531
C532
L500
L501
L502
R500
R501
R502
R503
R504
R505
R506
R507
R508
R509
R510
R511
R512
R513
R515
R518
R524
TP500
TP502
R532
R533
R534
R535
R536
R537
TP201
TP202
TP203
TP204
TP205
TP206
TP207
TP208
TP209
R521
R538
FB501
FB502 FB503
C506
C505
FB500
FB504
FB505 FB506
IC500
Q504
D500
IC502
CN1205
C510
C515
C513
R514
R539
IC501
C521
TP501
R531
R530
R529
C525
R528
R527
R526
C504
Q501
Q500
Q503
Q502
JL505
CN1206
0.1
50V
B:CHIP
0.1
25V
B:CHIP
0.1
16V
B:CHIP
0.1
50V
B:CHIP
0.1
50V
B:CHIP
10p
:CHIP
0.022
25V
B:CHIP
0.022
25V
B:CHIP
1000p
B:CHIP
0.022
25V
B:CHIP
0.1
16V
B:CHIP
0.022
25V
B:CHIP
2.2
10V
B:CHIP
1000p
B:CHIP
22p
CH:CHIP
0.1
50V
B:CHIP
0.1
16V
B:CHIP
0.1
16V
B:CHIP
0.1
50V
B:CHIP
47
25V
:AL-CP
47
25V
:AL-CP
100
16V
:AL-CP
0.1
25V
B:CHIP
0.1
50V
B:CHIP
0.1
50V
B:CHIP
100µH
:CHIP
1µ
1µ
100
1/16W
:CHIP
2.2k
1/16W
:CHIP
2.2k
1/16W
:CHIP
10
1/16W
:CHIP
10
1/16W
:CHIP
100
1/16W
:CHIP
2.2k
1/16W
:CHIP
2.2k
1/16W
:CHIP
10
1/16W
:CHIP
10
1/16W
:CHIP
6.8k
1/16W
:CHIP
4.7k
1/16W
:CHIP
10k
1/16W
:CHIP
47k
1/16W
:CHIP
100
1/16W
:CHIP
47
1/16W
:CHIP
100
1/16W
:CHIP
0 :CHIP 1/16W
0 :CHIP 1/16W
0 :CHIP 1/16W
0 :CHIP 1/16W
0 :CHIP 1/16W
0 :CHIP 1/16W
100
1/16W
:CHIP
0
1/16W
:CHIP
0UH
0UH 0UH
0.1 50V B:CHIP
0.1 16V B:CHIP
0UH
0UH
0UH 0UH
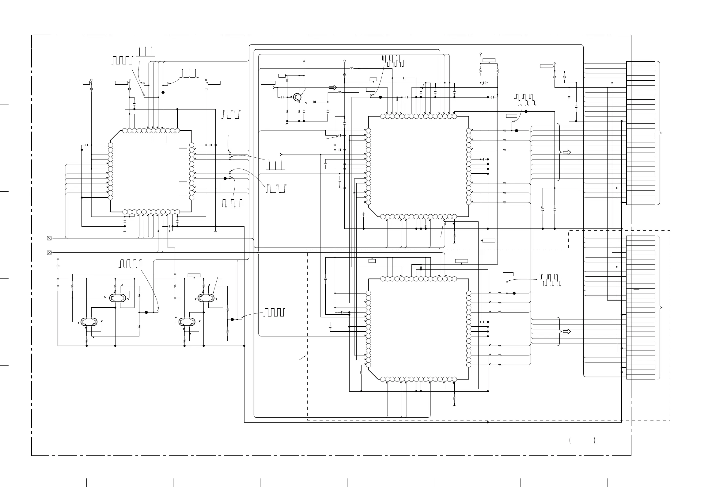
LEO1030F0A
LEVEL SHIFT
2SC4081TI06R
BUF
1SS355TE-17
RECT
CXA3512R-TR
LCD DRIVER
30P
2.2
0.1
0.1
100
1/16W
0
CXA3512R-T6
LCD DRIVER
0.1
0
0
0
0.1
0
0
0
0.1 16V B:CHIP
HNIB01FU-TE85R
NRS BUF
HNIB01FU-TE85R
NRS BUF
HNIB01FU-TE85R
LEVEL BUF
HNIB01FU-TE85R
NRS BUF
30P
15.5V
5V-2
15.5V
15.5V
15.5V
5V-2
15.5V
MCLK G
5V-3
G OUT
DAC
TG
30
29
28
27
26
25
24
23
22
21
20
19
18
17
16
15
14
13
12
11
10
9
8
7
6
5
4
3
2
1
30
29
28
27
26
25
24
23
22
21
20
19
18
17
16
15
14
13
12
11
10
9
8
7
6
5
4
3
2
1
6
2
1
3
5
4
6
2
1
3
5
4
6
2
1
3
5
4
6
2
1
3
5
4
VID1
VID2
VID3
VID4
VID5
VID6
VID7
VID8
VID9
VID10
VID11
VID12
SCENSCEN
CAL
CLYRGB
DIRY
DIRX
ENB1
ENB2
DX
CLX
CLX
DY
CLY
NRG
NRS1
NRS2
VID11
VID9
VID7
VID5
VID3
VID1
ENB
PRG
PRG
ENB
DY
NRS2
NRS1
DX
CLX
DIRX
ENB2
ENB1
DIRY
NRG
DY
DY
DIRY
CLX
CLX
CLX
DX
ENB1
ENB2
DIRX
DY
CLY
CLY
NRG
ENBX1G
ENBX2G
NRGRGB
DYRGB
CLXG
DXG
NRSAG
NRSBG
NRS1
CLY
CLY
CLY
FRPG
FRPG
FRPG
POS-CON1
POS-CON2
DLYCNT G
POS-CON1
POS-CON2
RBDIR
DWN
VCOM G
VIDEO RG
DLYCNT G
VPL-PX15,
VPL-PX10
MODEL ONLY
GDIR
VID2
VID6
VID4
VID12
VID10
VID8
VID1
VID3
VID5
VID7
VID9
VID11
PRGPOL
PRG
NC
NC
POSCTR1
POSCTR2
NC
GND
GND
STATUS
ENB
NC
D10R2
DIRCTR
NC
DCFBSW
VCOMOUT
VCOMOFF
SIGCNT
FRP
SID_O
SID_R
SID_IN
GND
GND
VCC
NC
SH_IN
VIDEO_O
VIDEO_R
VIDEO_I
NC
SHOUT6
NC
SHOUT5
NC
SHOUT4
NC
PGND
GND
GND
PVCC
NC
SHOUT3
NC
SHOUT2
NC
SHOUT1
CAL_R
CAL_O
CAL_I
VDD
DGND
MCLK
MCLKX
GND
GND
DLYCTR
CLKOUT
CLKOUTX
NC
CLKIN
CLKINX
F/H_CNT
PRGPOL
PRG
NC
NC
POSCTR1
POSCTR2
NC
GND
GND
STATUS
ENB
NC
D10R2
DIRCTR
NC
DCFBSW
VCOMOUT
VCOMOFF
SIGCNT
FRP
SID_O
SID_R
SID_IN
GND
GND
VCC
NC
SH_IN
VIDEO_O
VIDEO_R
VIDEO_I
NC
SHOUT6
NC
SHOUT5
NC
SHOUT4
NC
GND
GND
PVCC
NC
SHOUT3
NC
SHOUT2
NC
SHOUT1
CAL_R
CAL_O
CAL_I
VDD
DGND
MCLK
MCLKX
GND
GND
DLYCTR
CLKOUT
CLKOUTX
NC
CLKIN
CLKINX
F/H_CNT
VCC
GND
ENBY2IN
ENBY1IN
DIRYIN
CLX2IN
CLX1IN
DXIN
CLYIN
DYIN
NRGIN
GND
VCC
ENBX4IN
ENBX3IN
ENBX2IN
ENBX1IN
DIRXIN
NRSC
NRSA
NRSB
NRS
DGND
VDD1
DIRY
DIRX
ENBX1
ENBX2
ENBX3
ENBX4
DX
CLX1
VDD1
DIRY
DIRX
CLX1
DGND
CLX2
NRG
CLY
DY
ENBY1
ENBY2
VDD2
VDD2
GND
CLX2
CLY
PGND
DY
CLY
NRG
VDDY
CLX
CLX
CLY
VDDX
DX
ENB2
ENB1
DIRX
VSSX
VID1
VID2
VID3
VID4
VID5
VID6
VID7
VID8
VID9
VID10
VID11
VID12
LCCOM
DY
DIRY
VSSY
NRS1
DY
VDDY
NRG
DIRY
LCCOM
ENB1
ENB2
DIRX
CLX
DX
VDDX
NC
NC
VSSY
VID1
VID2
VID3
VID4
VID5
VID6
VSSX
LCCOM
NRS1
NRS2
VSSY
VSSY
DY
CLX
CLY
CLY
GVID1
GVID2
GINV
FROM_P2
TO LCDTO LCD
C
(3/5)
LEVEL SHIFT,
LCD DRIVER
B-SS1721-WW-C-P3
+5V +15.5V +15.5V
+15.5V
+5V
+5V
+15.5V
+15.5V
+15.5V
+15.5V+5V
0
2.8
4.8
2.4
4.9
4.5
3.6
3.6
4.9
2.5
8.4
2.5
5.5
11.4
11.3
0.4
8.4
8.3
15.5
0
0
7.8
7.0
1.5
5.5
6.1
5.5
6.1
5.5
4.9
5.4
4.9
5.5
4.9
5.5
4.9
5.5
6.1
5.5
6.1
3.0
2.4
3.0
7.0
7.0
2.4
1.4
3.2
3.2
3.4
3.4
3.4
0
0.6
0
0
0
0
0
7.2
7.2
7.2
7.2
7.2
7.2
2.2
3.0
7.2
7.2
4.9
4.9
2.4
7.1
3.6
6.0
7.2 2.5 7.1
7.1
2.4
1.4
3.2
3.3
3.3
0
0.6
3.2
0
4.5
0
0
7.2
7.2
7.2
7.2
7.2
7.2
G
G
G
TP201
15 Vp-p (V)
TP202
15 Vp-p (2H)
TP203
15 Vp-p (H)
TP204
15 Vp-p (2.8 MHz)
(VPL-PX10/PX15)
15 Vp-p (3.58 MHz)
(VPL-PS10)
TP205
15 Vp-p (H)
TP206
15 Vp-p (2.8 MHz)
(VPL-PX10/PX15)
15 Vp-p (3.58 MHz)
(VPL-PS10)
TP207
15 Vp-p (2.8 MHz)
(VPL-PX10/PX15)
15 Vp-p (3.58 MHz)
(VPL-PS10)
TP208
4.6 Vp-p (2H)
TP209
4.6 Vp-p (2H)
TP500(GINV)
6.8 Vp-p (2H)
TP501(GVID2)
10.4 Vp-p (2H)
TP502(GVID1)
10.2 Vp-p (2H)

Related product manuals