EasyManua.ls Logo

ST STEVAL-WBC2TX50 - Figure 32. STEVAL-WBC2 TX50 Circuit Schematic (4 of 6); Figure 33. STEVAL-WBC2 TX50 Circuit Schematic (5 of 6)

ST STEVAL-WBC2TX50
84 pages
Print Icon
To Next Page IconTo Next Page
To Next Page IconTo Next Page
To Previous Page IconTo Previous Page
To Previous Page IconTo Previous Page
Loading...
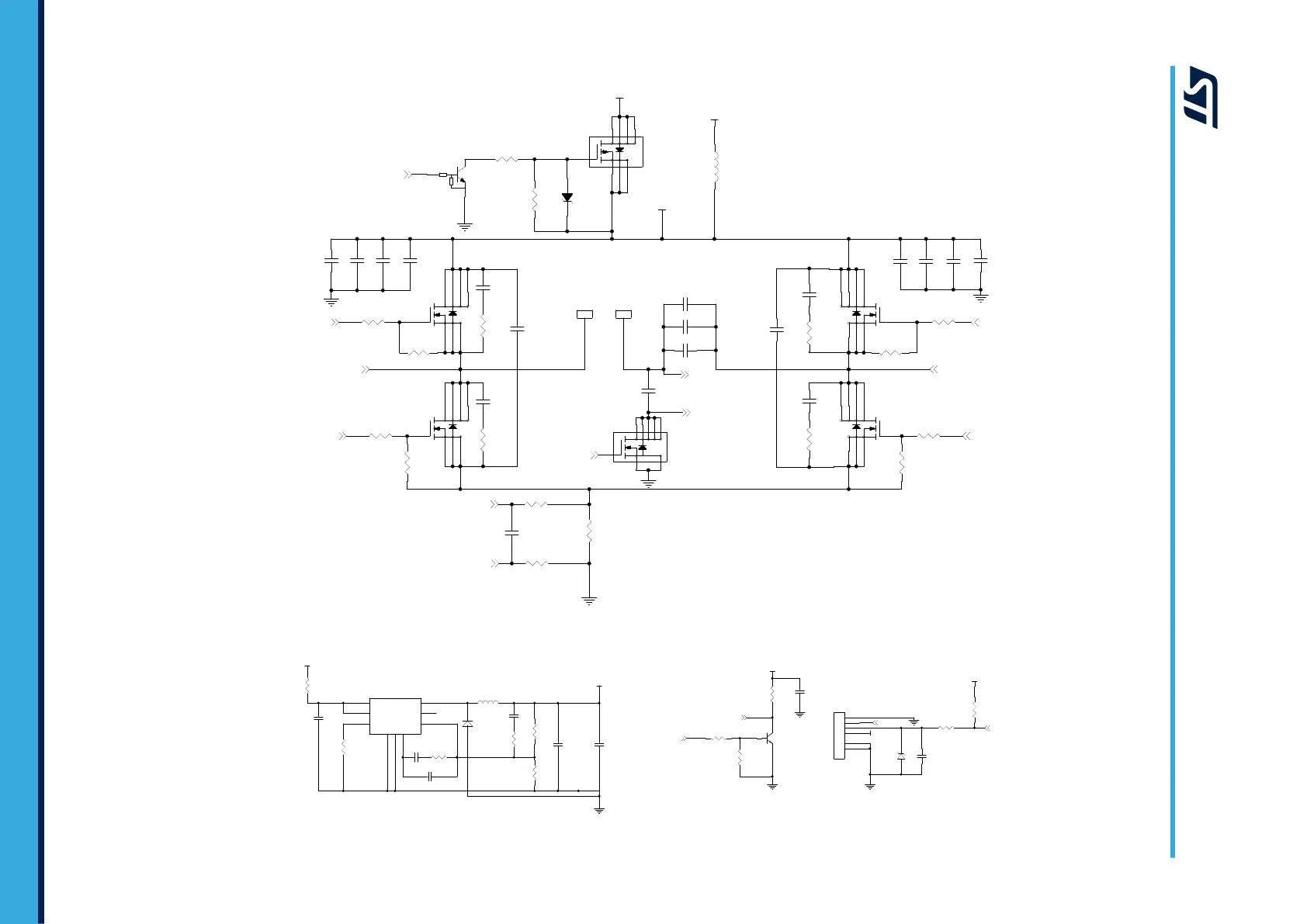
Figure 32. STEVAL-WBC2TX50 circuit schematic (4 of 6)
GND POWER
COIL POWER TANK
DCDC SHORT
R413
10 K
L400
1uH
R403 0 R
R408
0.010R 0.1% 1W
R404
0 R
C400
X7R
50V
100NF
G
S
D
5
4
1
6
7
8
2
3
Q400
STL20N6F7
R400
0 R
R401
NP
G
S
D
5
4
1
6
7
8
2
3
Q401
STL20N6F7
R415
10 K
R412
10 K
R414
10 K
G
S
D
5
4
1
6
7
8
2
3
Q403
STL20N6F7
R407 0 R
G
S
D
5
4
1
6
7
8
2
3
Q402
STL20N6F7
C406
NP
C412
X7R
50V
5.6NF
R405
0 R
R417 0 R
C416
C0G
50V
NP
1
TP401
WIRE_S OLDER
1
TP400
WIRE_S OLDER
C407
C0G
100V
100NF
R410
30 K
S
D
G
5
4
1
6
7
8
2
3
Q404
STL42P 6LLF6
60V_0.023R_42A_P-Cha nne l
10K
10K
1
2 3
Q405
PDTC114EU,135
R411 30 K
C415
X7R
100V
5.6NF
C401
X7R
50V
10UF
C402
X7R
50V
10UF
C410
X7R
50V
10UF
C404
X7R
50V
10UF
C403
X7R
50V
100NF
C411
X7R
50V
10UF
C405
X7R
50V
10UF
D400
10V
G
S
D
5
4
1
6
78
2
3
Q406
STL6N3LLH6
30V_0.021R_6A_N-Cha nne l
C408
C0G
100V
100NF
C409
C0G
100V
100NF
R409 0 R
C432
X7R
50V
100NF
R402
NP
C414
NP
R406
NP
C413
NP
C417
X7R
50V
100NF
VDCDC
GD_HS3
GD_LS 3GD_LS 2
GD_HS2
BRIDGE_IS NS _P
SW_HS 2 SW_HS 3
BRIDGE_IS NS _N
VBRIDGE
RING_NODE
DCDC_S HORT
VIN
QF_DRIVER
QF_S HORT
Figure 33. STEVAL-WBC2TX50 circuit schematic (5 of 6)
FAN CONTROL
powe r s upply for FAN
R507
10 K
C504
16 V
10 UF
X7R
R506
47 K
R505 10 K
1
2 3
Q500
LMBT22 22 AWT1G
R509
10 K
D500
5V
C505
C0G
50 V
1NF
1
2
3
4
5
6
F5 00
R508
1 K
1
OUT
2
SYNCH
3
EN
4
COMP
5
FB
6
FS W
7
GND
8
VCC
9
GND
U500
L798 6ATR
C500
16 V
10 UF
X5R
C502
X7R
50 V
10 0NF
R504
4.7 K
1%
R500
57 6 R
1%
R503
16 0 R
R502
51 0 R
C503
X7R 50V
22 0P F
C506
X7R 16V
82 NF
C507
X7R
50 V
8.2 NF
C508
X7R
16 V
10 NF
R510
0 R
08 05
D501
LMBR2 40 ET1 G
L500
10 uH
R501
38 .3 K
1%
BUCK_5V5
FAN
FAN_P WM
FAN_FB
3V3
BUCK_5V5
FAN_P WM
BUCK_5V5
VIN
UM3231
- Rev 1
page 47/84
UM3231
STEVAL-WBC2TX50 description

Table of Contents

Related product manuals