EasyManua.ls Logo

stellar labs 5521 - Extension Boom Assembly (PN 59146)

Default Icon
43 pages
Print Icon
To Next Page IconTo Next Page
To Next Page IconTo Next Page
To Previous Page IconTo Previous Page
To Previous Page IconTo Previous Page
Loading...
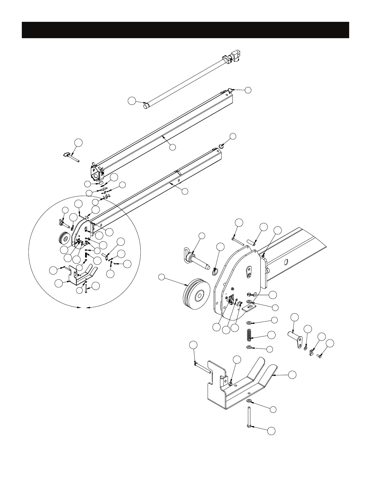
Page 30 | Stellar
®
5521 Telescopic Crane Owners Manual
Extension Boom Assembly - PN 59146
2
1
7
7
28
29
3
25
4
5
6
15
16
17
9
10
20
26
27
5
5
18
19
21
22
24
13
23
12
14
5
11
A
20
DETAIL A
SCALE 1 : 9
13
23
12
11
15
16
17
10
9
8
19
5
5
21
22
24
18
5
26
5
27
19

Related product manuals