EasyManua.ls Logo

Stulz CyberCool - 3.7 Operating modes of version GE

Stulz CyberCool
62 pages
Print Icon
To Next Page IconTo Next Page
To Next Page IconTo Next Page
To Previous Page IconTo Previous Page
To Previous Page IconTo Previous Page
Loading...
15
TC
PI
PI
FS
TC
PI
PI
FS
TT
TT
TT
TT
TT
PI
FZAL
PI
TT
TT
TT
PI
FZAL
PI
© STULZ GmbH – all rights reserved EN/09.2017/G44
cybercool indoor chiller original instructions
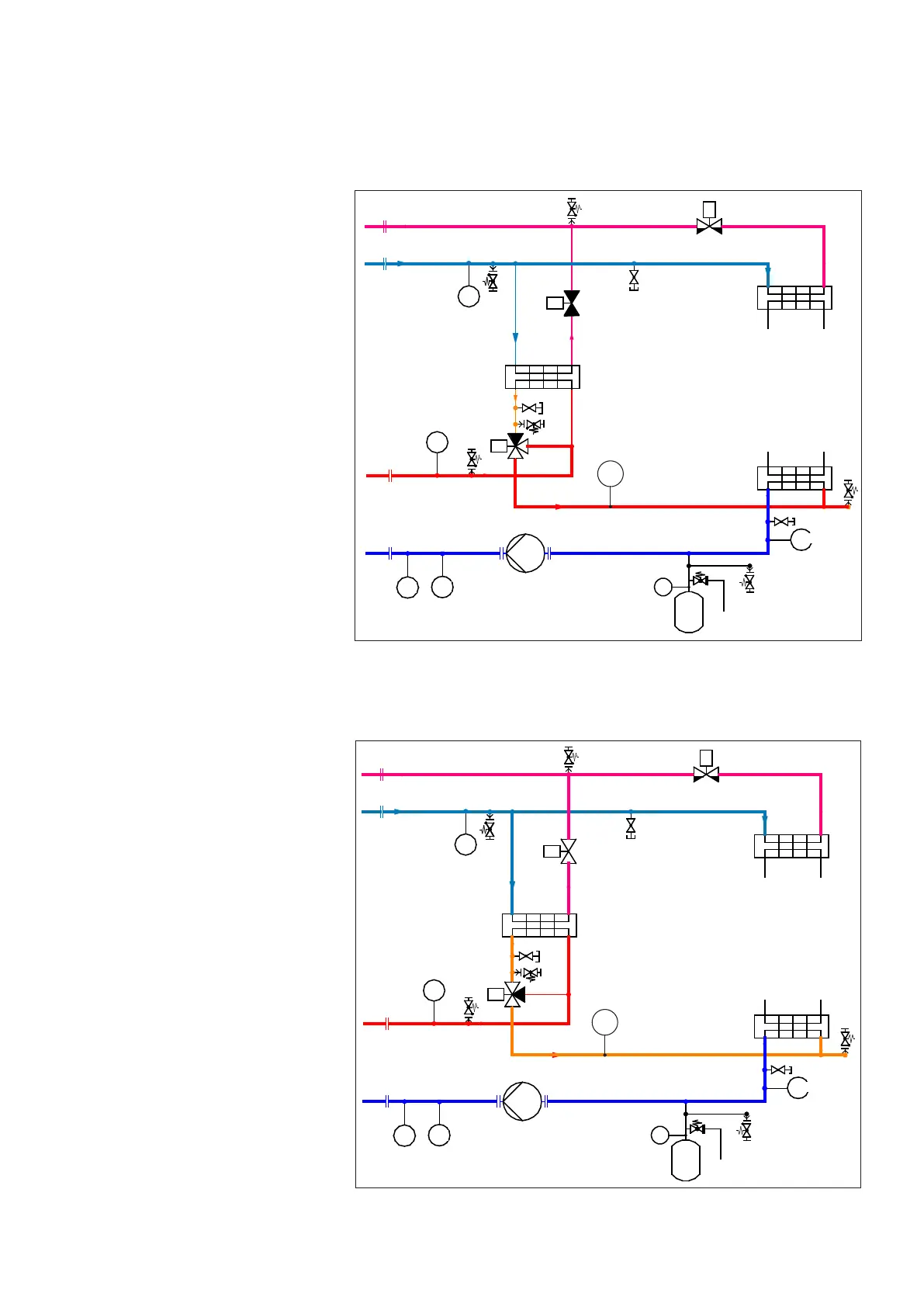
3.7 Operating modes of version GE
3.7.1 DX mode
3.7.2 Mix mode
Chilled water is only cooled by the
refrigerant circuit.
The G valve controls the condensa-
tion pressure. The GE valve is closed.
The free cooling valve has completely
opened the bypass line and closed
the flow through the heat exchanger
for free cooling.
FC valve: free cooling valve
Condenser
Refrigerant circuit
Heat exchanger for
free cooling
GE valve
FC valve
The chilled water is directly cooled on
the one hand and additionally by the
refrigerant circuit.
The G valve controls the condensa-
tion pressure. The GE valve is com-
pletely open.
The free cooling valve has completely
closed the bypass and has opened
the way for the flow through the heat
exchanger for free cooling.
Evaporator
G valve
Condenser
Refrigerant circuit
Heat exchanger for
free cooling
GE valve
FC valve
Evaporator
G valve

Related product manuals