EasyManua.ls Logo

Stulz CyberCool - 3.8.1 Cooling system A

Stulz CyberCool
62 pages
Print Icon
To Next Page IconTo Next Page
To Next Page IconTo Next Page
To Previous Page IconTo Previous Page
To Previous Page IconTo Previous Page
Loading...
18
TSL
EN/09.2017/G44  © STULZ GmbH – all rights reserved
cybercool indoor chiller original instructions
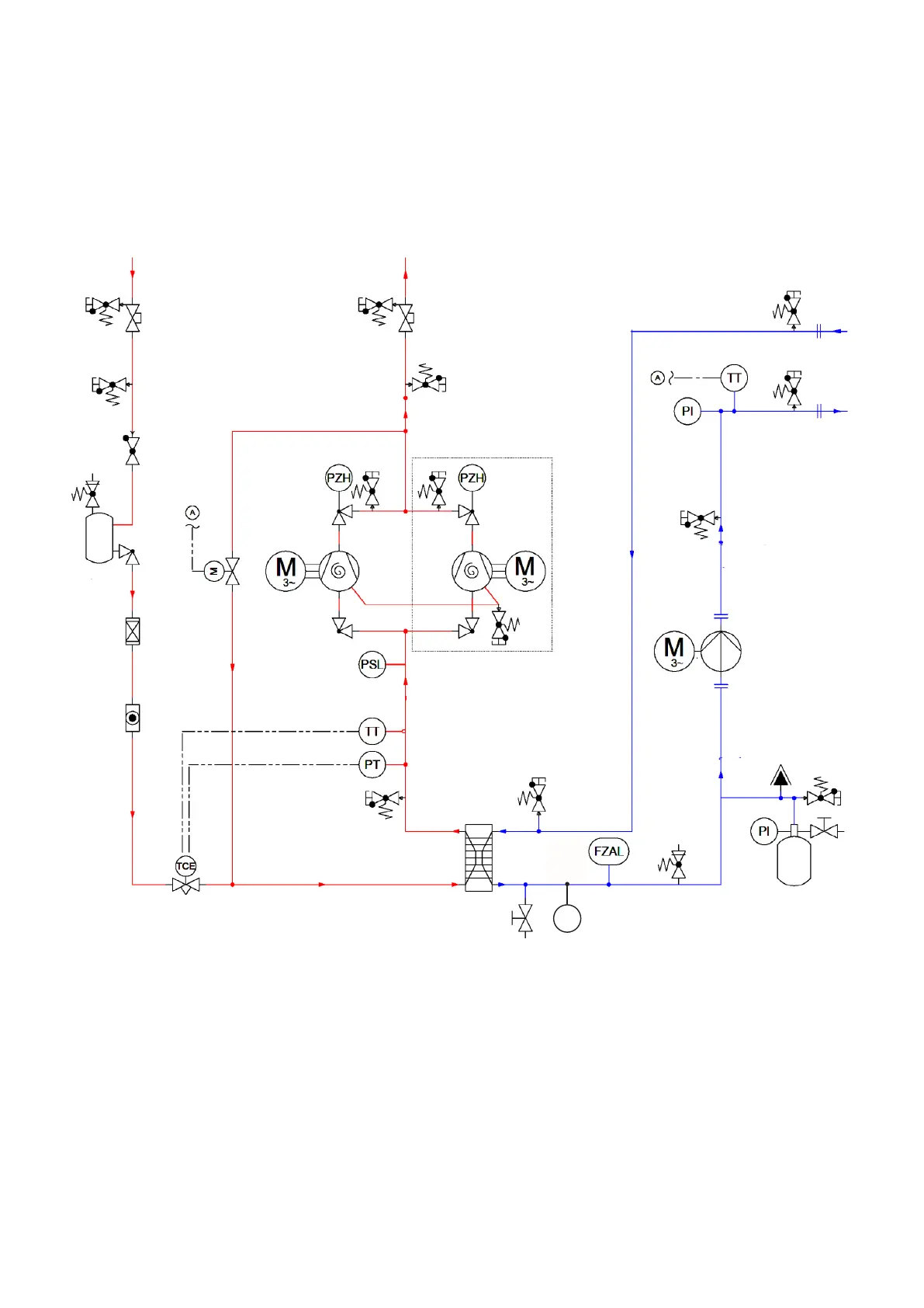
3.8.1 Cooling system A
Receiver
Compressor
Pump
Evaporator
Expansion tank
Chilled water
2nd compressor
only for CSI 661,
841 and 981 A
to the air cooled condenser

Related product manuals