EasyManua.ls Logo

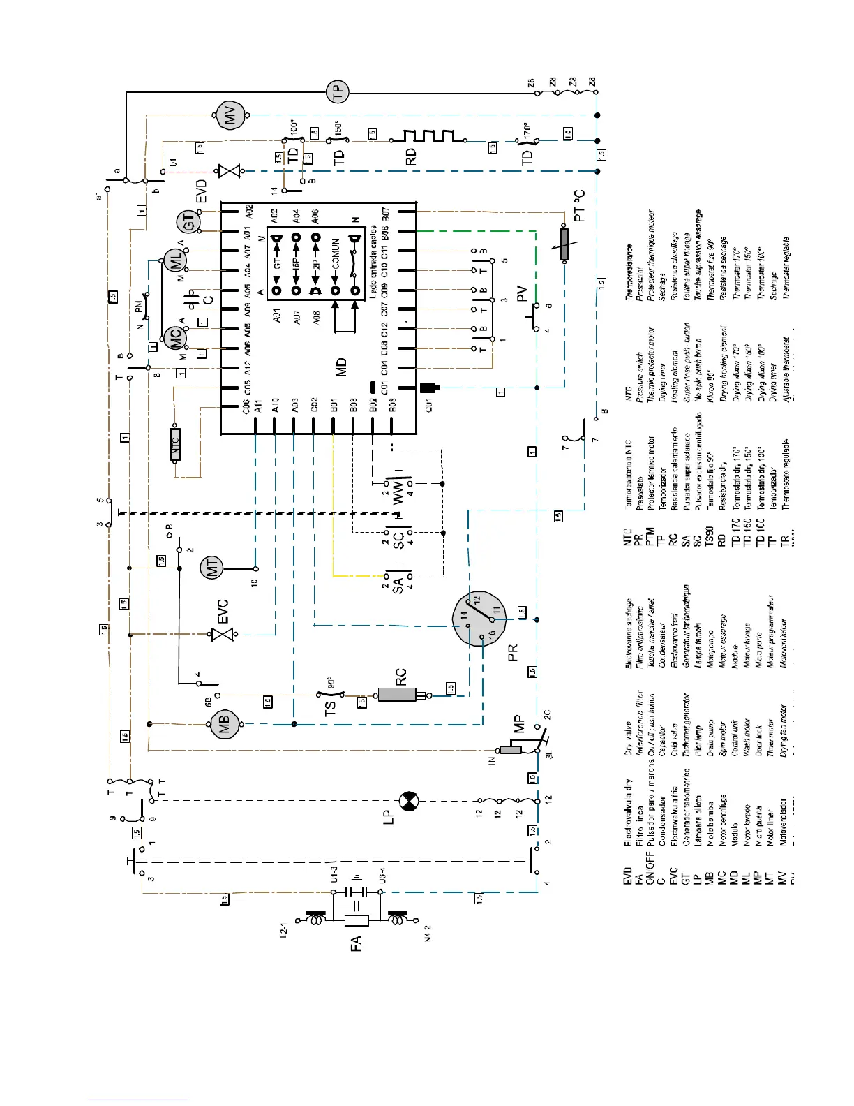
Supra SW5L65D - SW5 L30 D Wiring Diagram

Supra SW5L65D
52 pages
Print Icon
To Next Page IconTo Next Page
To Next Page IconTo Next Page
To Previous Page IconTo Previous Page
To Previous Page IconTo Previous Page
Loading...
SW5L 30D
460612722
WIRING DIAGRAM

Table of Contents