EasyManua.ls Logo

TCM FB30-7 - Page 45

TCM FB30-7
175 pages
Print Icon
To Next Page IconTo Next Page
To Next Page IconTo Next Page
To Previous Page IconTo Previous Page
To Previous Page IconTo Previous Page
Loading...
- 33 -
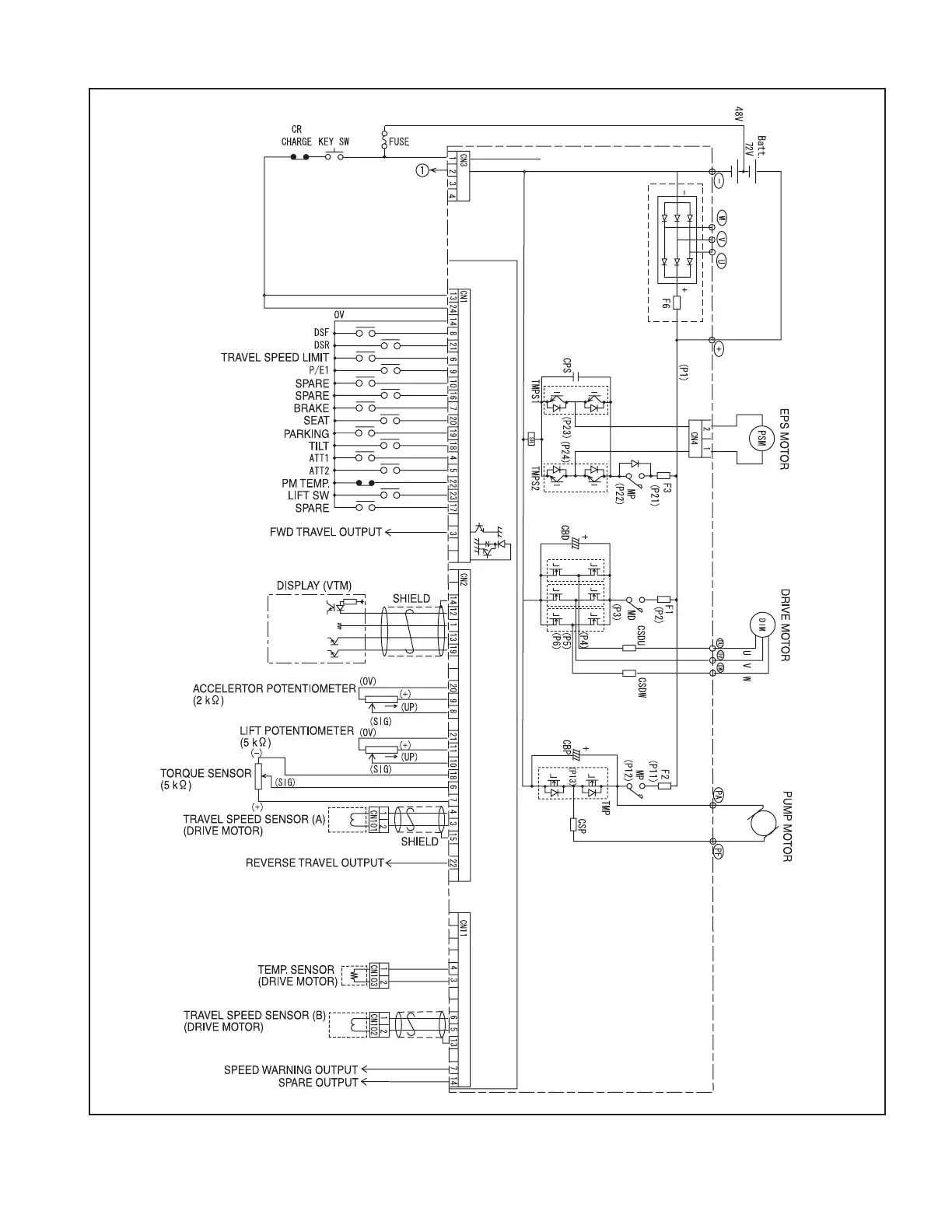
3. CONTROL SYSTEM
Fig. 3.5 Controller Wiring (3.0- to 3.5-ton Trucks)

Table of Contents

Other manuals for TCM FB30-7

Related product manuals