EasyManua.ls Logo

TDE MACNO DVS200 - 3.2 Component identification

TDE MACNO DVS200
134 pages
Print Icon
To Next Page IconTo Next Page
To Next Page IconTo Next Page
To Previous Page IconTo Previous Page
To Previous Page IconTo Previous Page
Loading...
User Manual Chapter 3 - Description, Components and Specifications 15
3.2. Component identification
T
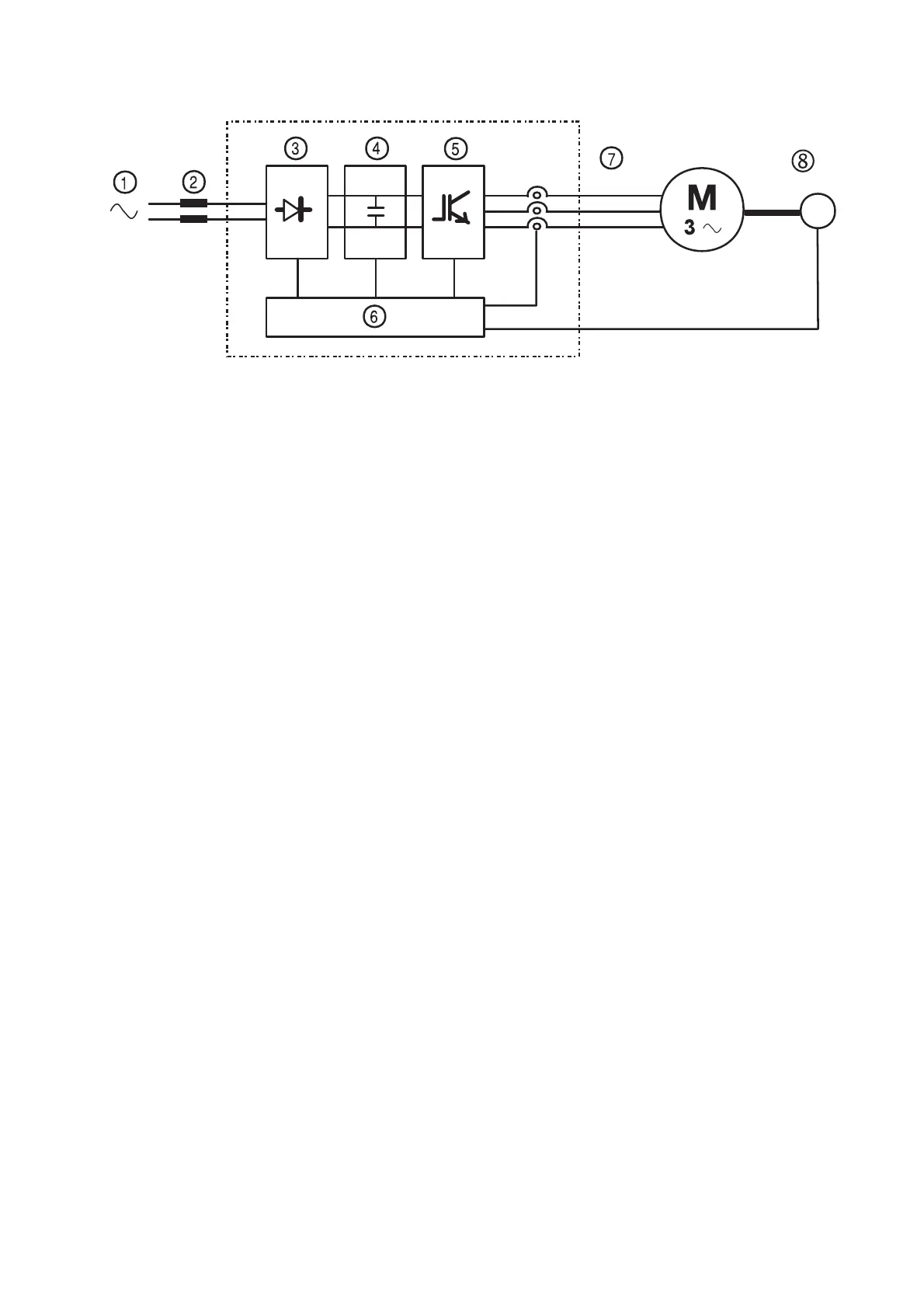
Figure 3.2.1: Basic schematic of a frequency inverter
Inverters convert a constant frequency, constant voltage mains supply into DC voltage. From this DC voltage, they then
generate a three phase AC supply with variable voltage and frequency. This variabile three phase power enables smooth
speed control of three phase asynchronous motors.
1 Mains supply: 220 V - 240 V single phase.
2 Mains choke (see section 5.7.1).
3 Rectifier bridge.
Uses full wave technology to convert AC into DC voltage.
4 Intermediate circuit.
Comprises precharge resistors and smoothing capacitors. DC voltage (U
DC
) = 1.41 x mains line voltage (U
LN
)
5 IGBT inverter bridge.
Converts DC voltage into three phase AC voltage with variable amplitude and frequency.
6 Configurable control section.
Comprises all the necessary cards for the control and regulation of the closed or open loop power section. Commands,
references and feedbacks are all connected to these cards.
7Output.
AC power variable between 0 and 94% of mains power (U
LN
).
8 Speed feedback (e.g. tachometer)

Table of Contents

Related product manuals