EasyManua.ls Logo

TECHTOP TD350 - Wiring Protection

TECHTOP TD350
371 pages
Print Icon
To Next Page IconTo Next Page
To Next Page IconTo Next Page
To Previous Page IconTo Previous Page
To Previous Page IconTo Previous Page
Loading...
TD350 Series VFD Installation guidelines
-33-
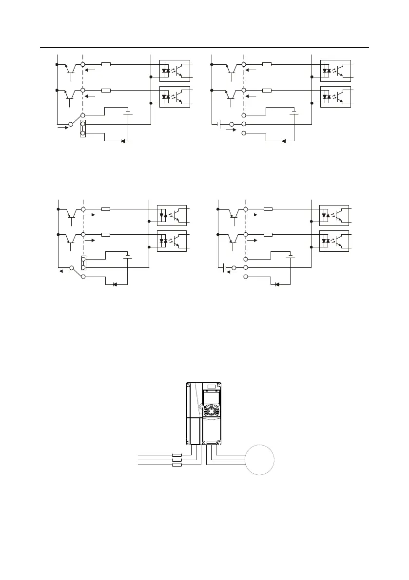
S1
S2
COM
PW
+
24V
COM
+ 24V
Internal powerNPN mode
S1
S2
COM
PW
+ 24V
COM
+
24V
External powerNPN mode
+ 24V
Fig 4.24 NPN mode
If input signal comes from PNP transistor, set the U-type short-contact tag based on the power used
according to the figure below.
S1
S2
COM
PW
+ 24V
COM
+ 24V
External powerPNP mode
S1
S2
COM
PW
+ 24V
COM
+ 24V
Internal powerPNP mode
Fig 4.25 PNP mode
4.5 Wiring protection
4.5.1 Protect the VFD and input power cable in short-circuit
Protect the VFD and input power cable during short-circuit to avoid thermal overload.
Carry out protective measures according to the following requirements.
Input cable
VFD
M
3
~
Fuse
Fig 4.26 Fuse configuration
Note: Select the fuse according to operation manual. During short-circuit, the fuse will protect input
power cables to avoid damage to the VFD; when internal short-circuit occurred to the VFD, it can
protect neighboring equipment from being damaged.

Table of Contents

Other manuals for TECHTOP TD350

Related product manuals