EasyManua.ls Logo

TECHTOP TD350 - Page 76

TECHTOP TD350
371 pages
Print Icon
To Next Page IconTo Next Page
To Next Page IconTo Next Page
To Previous Page IconTo Previous Page
To Previous Page IconTo Previous Page
Loading...
TD350 Series VFD Basic operation instructions
-71-
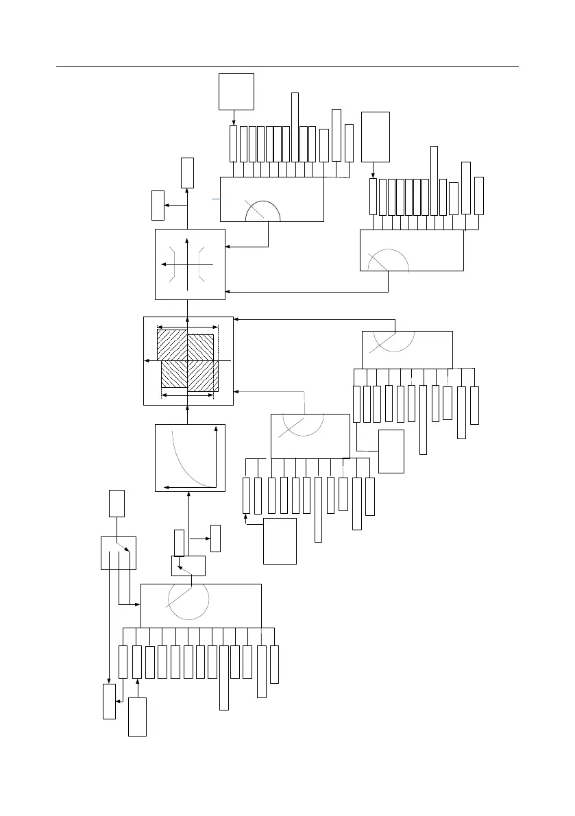
Speed control
Motorin
g
Brake
Keypad
AI1
AI2
AI3
HDIA
MODBUS
PROFIBUS\CANopen
Ethernet
AI1
AI2
AI3
HDIA
MODBUS
PROFIBUS\CANopen
Ethernet
Reserved
Multi-step speed
Torque control limit
Set upper limit
P00.00 (Speed control mode)
0
1
2
3
4
5
6
7
8
9
Invalid
Keypad
PROFIBUS\CANopen
MODBUS
Multi-step speed
HDIA
AI3
AI2
Ethernet
AI1
10
P03.12
Torque set by
keypad
0
1
2
3
4
5
6
7
8
P03.21
Set upper limit of brake
torque via keypad
Keypad
AI1
AI2
AI3
HDIA
MODBUS
PROFIBUS\CANopen
Ethernet
0
1
2
3
4
5
6
7
8
P03.20
Set upper limit of the
torque when motoring
via keypad
Torque
control
P17.09
0
1
2
3
4
5
6
7
Keypad
8
9
P03.16
Keypad limit value
of upper limit
frequency of
forward rotation in
torque control
AI1
AI2
AI3
HDIA
MODBUS
PROFIBUS\CANopen
Ethernet
Multi-step speed
0
1
2
3
4
5
6
7
Keypad
8
9
P03.17
Keypad limit value of
upper limit frequency of
reverse rotation in torque
control
Output torque
Start
0
1
2
P03.19
(Source of upper limit setup of
brake torque)
P03.18
(Source of upper limit setup of the
torque when motoring)
P03.15
(Source of upper limit frequency setup
of reverse rotation in torque control)
P03.14
(Source of upper limit frequency setup
of forward rotation in torque control)
Upper
limit of the
torque
during
motoring
Upper
limit of
brake
torque
Speed
control
Terminal function 29
Switching between torque control
and speed control
Valid
Invalid
P03.11
Torque setup mode
selection
P03.13
Torque reference filter time
P17.15
Torque reference
value
HDIB
EtherCat/Profinet
PLC card
HDIB
EtherCat/Profinet
PLC card
HDIB
EtherCat/Profinet
PLC card
HDIB
EtherCat/Profinet
PLC card
HDIB
EtherCat/Profinet
PLC card

Table of Contents

Other manuals for TECHTOP TD350

Related product manuals