EasyManua.ls Logo

Tecme NEUMOVENT - Page 11

Tecme NEUMOVENT
94 pages
Print Icon
To Next Page IconTo Next Page
To Next Page IconTo Next Page
To Previous Page IconTo Previous Page
To Previous Page IconTo Previous Page
Loading...
TECHNICAL AND MAINTENANCE MANUAL
Graph VENTILATOR
Review : 04
Date:
09/05/06
8
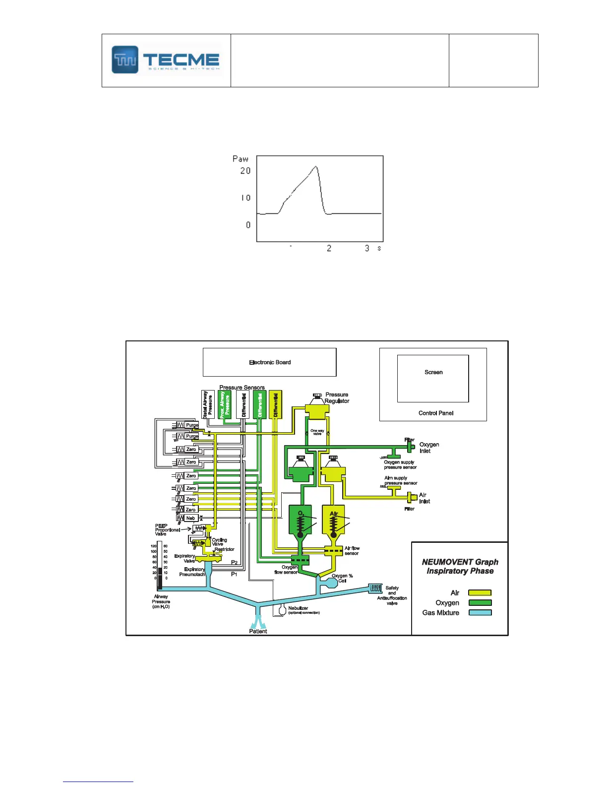
The expiratory phase can be modifying adding Positive Pressure at the End of Expiration
(PEEP). The NEUMOVENT Graph Ventilator produces this positive pressure by means of a
digital regulation of the closing force of the expiratory valve diaphragm.
Pressure curves during ventilation with
5 cm H
2
O of PEEP.

Table of Contents