EasyManua.ls Logo

Tecme NEUMOVENT - Page 13

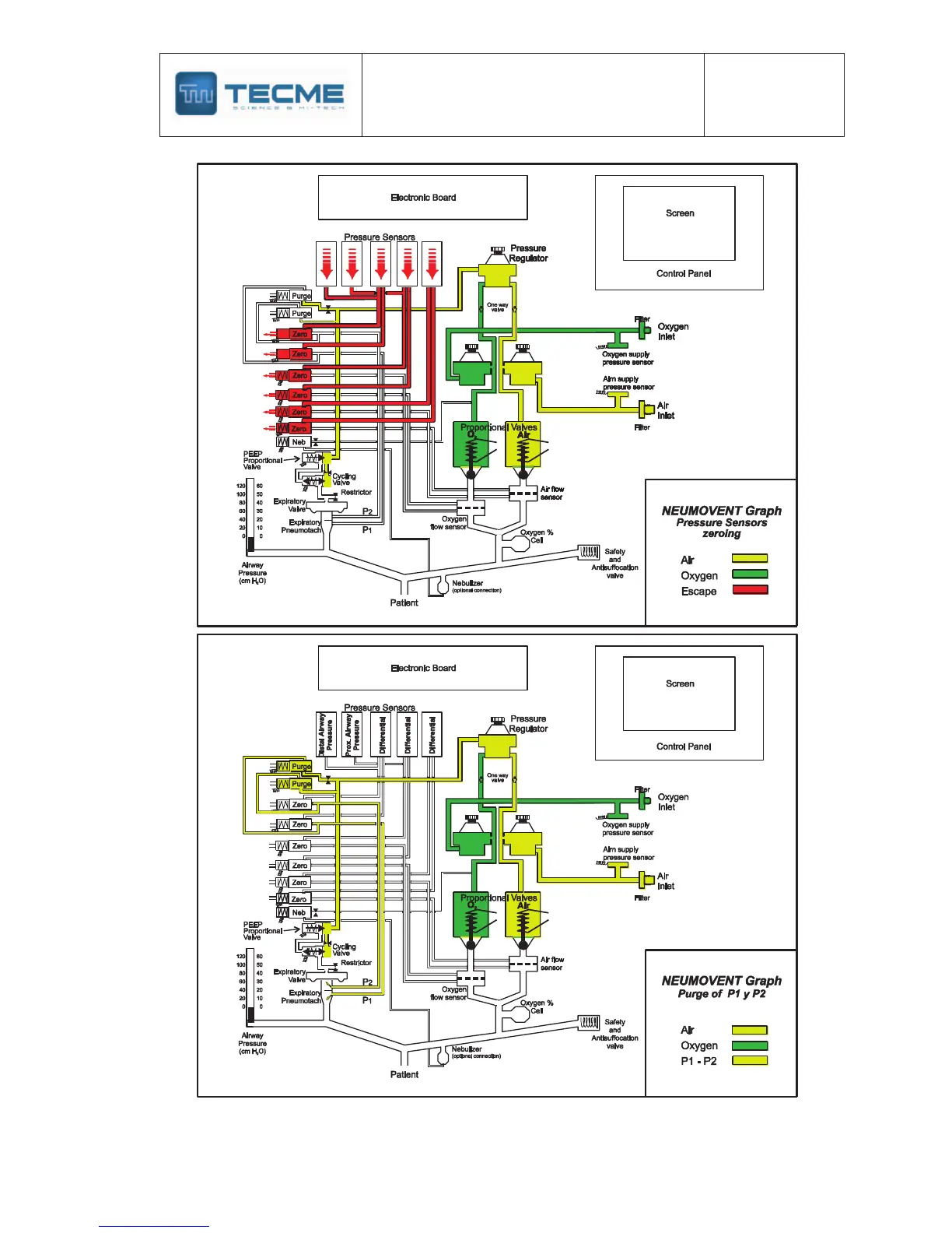
Tecme NEUMOVENT
94 pages
Print Icon
To Next Page IconTo Next Page
To Next Page IconTo Next Page
To Previous Page IconTo Previous Page
To Previous Page IconTo Previous Page
Loading...
TECHNICAL AND MAINTENANCE MANUAL
Graph VENTILATOR
Review : 04
Date:
09/05/06
10

Table of Contents