EasyManua.ls Logo

Tektronix 2205 - Page 179

Tektronix 2205
210 pages
Print Icon
To Next Page IconTo Next Page
To Next Page IconTo Next Page
To Previous Page IconTo Previous Page
To Previous Page IconTo Previous Page
Loading...
2205 Service
6716-18
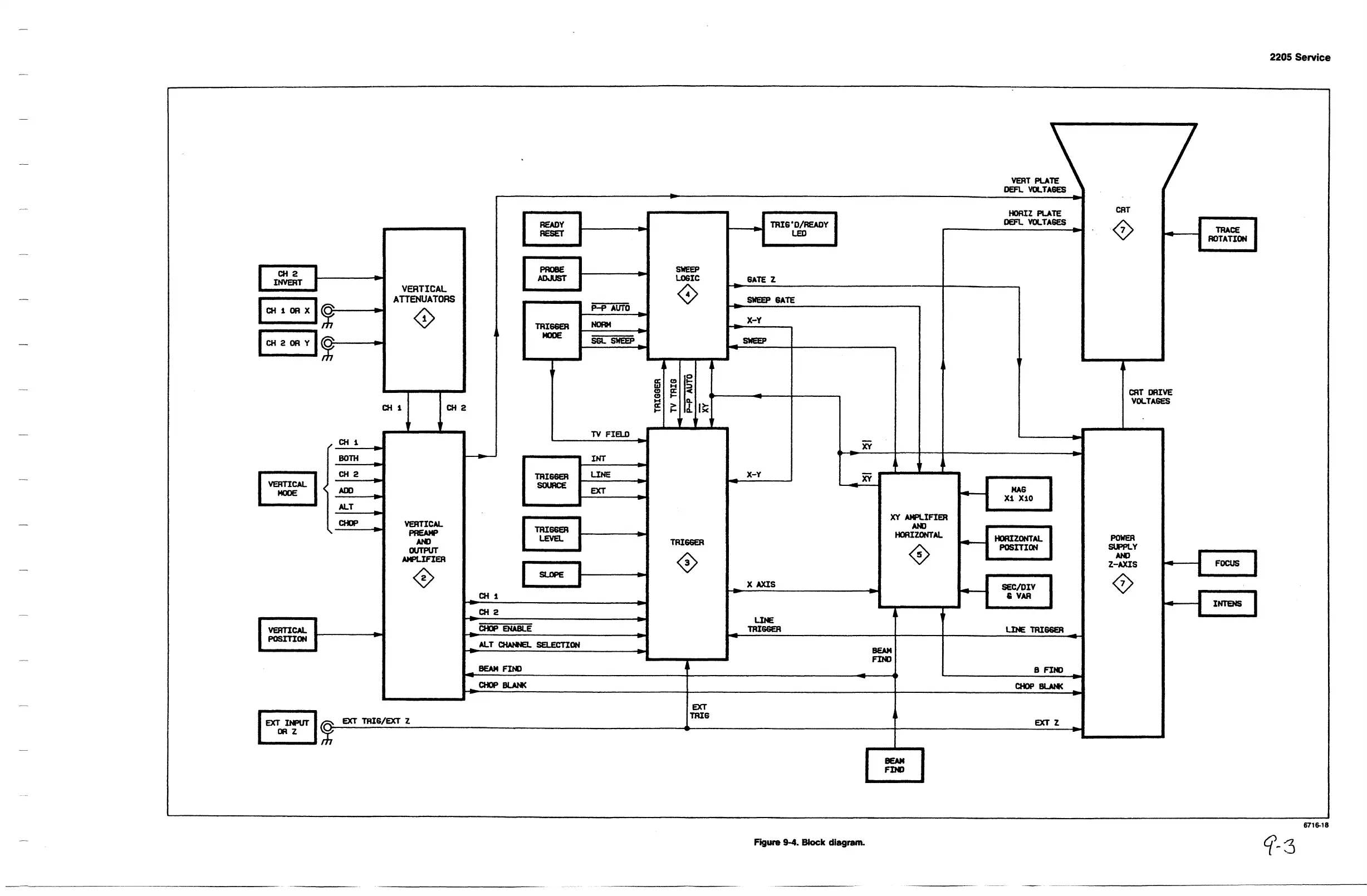
Figure 9-4. Block diagram.

Table of Contents

Other manuals for Tektronix 2205

Related product manuals