EasyManua.ls Logo

Toa RM-200SF - Page 74

Toa RM-200SF
114 pages
Print Icon
To Next Page IconTo Next Page
To Next Page IconTo Next Page
To Previous Page IconTo Previous Page
To Previous Page IconTo Previous Page
Loading...
3-47
Chapter 3
INSTALLATION AND SETTING PROCEDURES (HARDWARE)
Tips
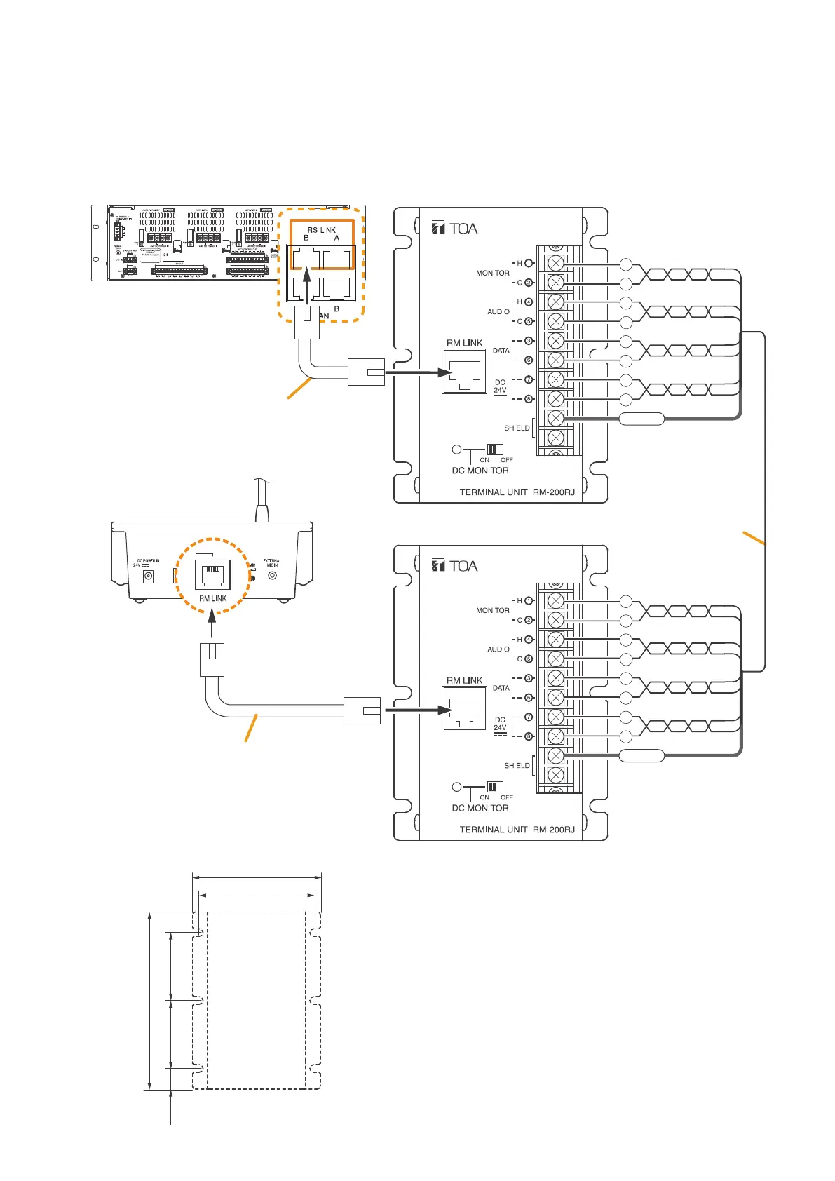
• WhenusingashieldedCPEVcable,itisrecommendedtouseanoptionalRM-200RJTerminalUnitthat
serves wiring conversion between the CPEV cable and STP Category 5 straight cable (with RJ45 connectors).
Connect the CPEV cable between the same terminals of both RM-200RJ units pairing cables 1 with 2, 4 with
5, 3 with 6, and 7 with 8 as shown below.
Over 4-pair shielded
CPEV cable (main cable)
STP Category 5 straight cable
(with RJ45 connectors)
Tip
The RM-200RJ can be installed on a desk or to a wall.
RM-300X rear
44.5
116
44.513.5
75
84
[RM-200RJ Mounting dimensions]
RM-200RJ
RM-200RJ
1
2
5
6
3
4
7
8
Shield
1
2
5
6
3
4
7
8
Shield
STP Category 5 straight cable
(with RJ45 connectors)
VX-3000F

Table of Contents

Related product manuals