EasyManua.ls Logo

Tonghui TH9310 Series - Control Interface Instruction

Tonghui TH9310 Series
59 pages
Print Icon
To Next Page IconTo Next Page
To Next Page IconTo Next Page
To Previous Page IconTo Previous Page
To Previous Page IconTo Previous Page
Loading...
ā—‡40
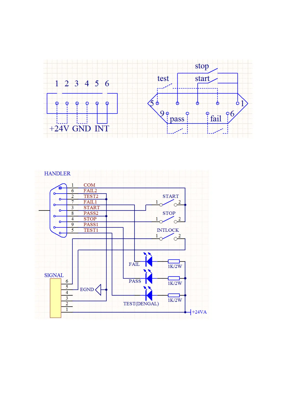
4. SIGNAL interface additionally provides the power supply with +24V output voltage and 0.5A
output current. Coordinating with HANDLER interface control signal, it can be used for driving
indicator light, optoelectronic switch and miniwatt electromagnetic valve. (See picture below)
4.6.2 Control interface instruction
Control interface is generally used as remote control and test synchronization or indication. The
external connection of the interface is as follows:
4.5.2 External circuit connection diagram
Instruction:
1. The switch can be replaced with secondary optical coupling and other isolated form switch element.
For the current direction, refer to the principle of above diagram (COM terminal is LOW end).
2. The indicator light can be replaced with other drive control components. The current direction is
subject to the power.

Table of Contents

Related product manuals