EasyManua.ls Logo

Toradex Colibri - Page 55

Default Icon
66 pages
Print Icon
To Next Page IconTo Next Page
To Next Page IconTo Next Page
To Previous Page IconTo Previous Page
To Previous Page IconTo Previous Page
Loading...
Colibri Carrier Board Design Guide
Toradex AG l Altsagenstrasse 5 l 6048 Horw l Switzerland l +41 41 500 48 00 l www.toradex.com l info@toradex.com
Page | 55
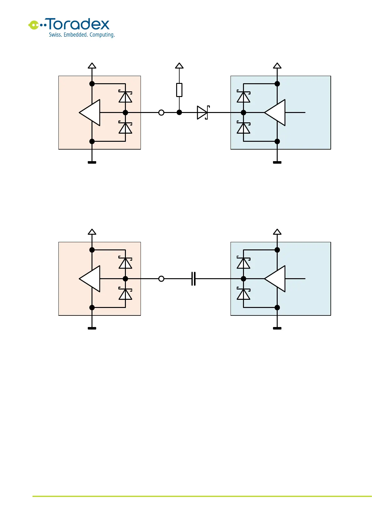
Figure 48: Diode circuit for backfeeding prevention with an external pull-up resistor
3.7.5.8 Capacitive Coupling
Some high-speed signals allow (or require) capacitive coupling. Capacitive coupling blocks all DC
current and eliminates backfeeding caused by a DC offset of high-speed signals. Most high-speed
interfaces and differential clocks (e.g., LVPECL, CML) use capacitive coupling nowadays. Typical
signals using capacitive coupling are PCIe, SATA, DisplayPort, and the SuperSpeed signals of USB.
Figure 49: Capacitive coupled signals
PeripheralSoC
IO Rail (off)
RX
Module Pin
Peripheral Rail (on)
TX
0V 3.3V
3.3V0V
High
3.3V_SW (off)
PeripheralSoC
IO Rail (off)
RX
Module Pin
Peripheral Rail (on)
TX
0V 3.3V
1.6V DC0V
High

Table of Contents

Related product manuals