EasyManua.ls Logo

Toradex Colibri - Page 56

Default Icon
66 pages
Print Icon
To Next Page IconTo Next Page
To Next Page IconTo Next Page
To Previous Page IconTo Previous Page
To Previous Page IconTo Previous Page
Loading...
Colibri Carrier Board Design Guide
Toradex AG l Altsagenstrasse 5 l 6048 Horw l Switzerland l +41 41 500 48 00 l www.toradex.com l info@toradex.com
Page | 56
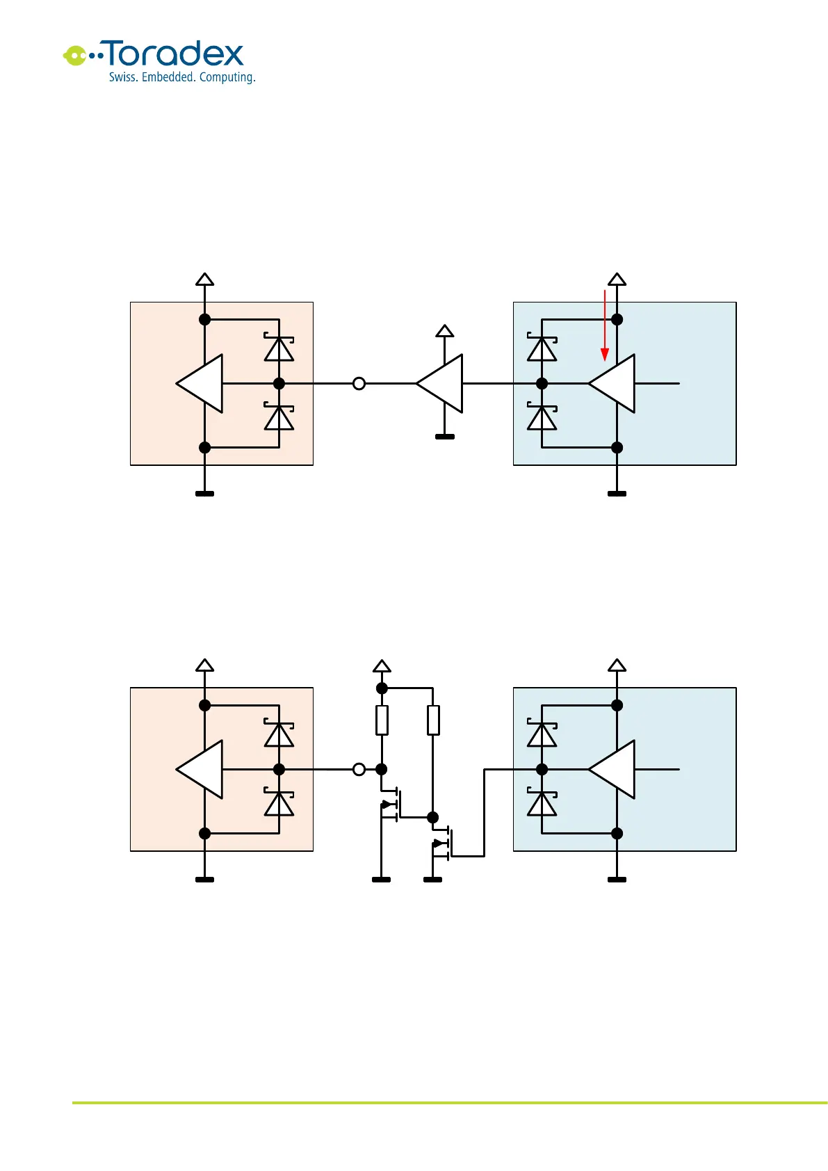
3.7.5.9 Non-Backfeeding Buffer
Placing an additional buffer in the signal path can prevent backfeeding. The buffer needs to be
powered from the same domain as the rail of the input. If the Colibri module is the signal input,
using a power rail that is switched by a module GPIO as the buffer's power supply is advised.
Noteworthy, the buffer should not have an ESD protection circuit at its input that allows for
backfeeding. Otherwise, the signal would back feed to the module domain, and the whole circuit
would lose its purpose.
Figure 50: Non-backfeeding buffer
3.7.5.10 Dual-FET circuit
For low-speed signals, two transistors and two resistors can be used for blocking backfeeding. The
first transistor is inverting the signal, while the second one makes it an open-drain type. Make sure
the pull-up resistors are on the input IO rail. Instead of using two transistors, it might be possible
to invert the signal in software and use only a single FET.
Figure 51: Dual-FET circuit
PeripheralSoC
IO Rail (off)
RX
Module Pin
Peripheral Rail (on)
TX
0V 3.3V
3.3V0V
High
3.3V_SW (off)
0V
PeripheralSoC
IO Rail (off)
RX
Peripheral Rail (on)
TX
0V 3.3V
3.3V0V
High
1k
3.3V_SW (off)
100k
0V

Table of Contents

Related product manuals