EasyManua.ls Logo

Toradex Colibri - Page 57

Default Icon
66 pages
Print Icon
To Next Page IconTo Next Page
To Next Page IconTo Next Page
To Previous Page IconTo Previous Page
To Previous Page IconTo Previous Page
Loading...
Colibri Carrier Board Design Guide
Toradex AG l Altsagenstrasse 5 l 6048 Horw l Switzerland l +41 41 500 48 00 l www.toradex.com l info@toradex.com
Page | 57
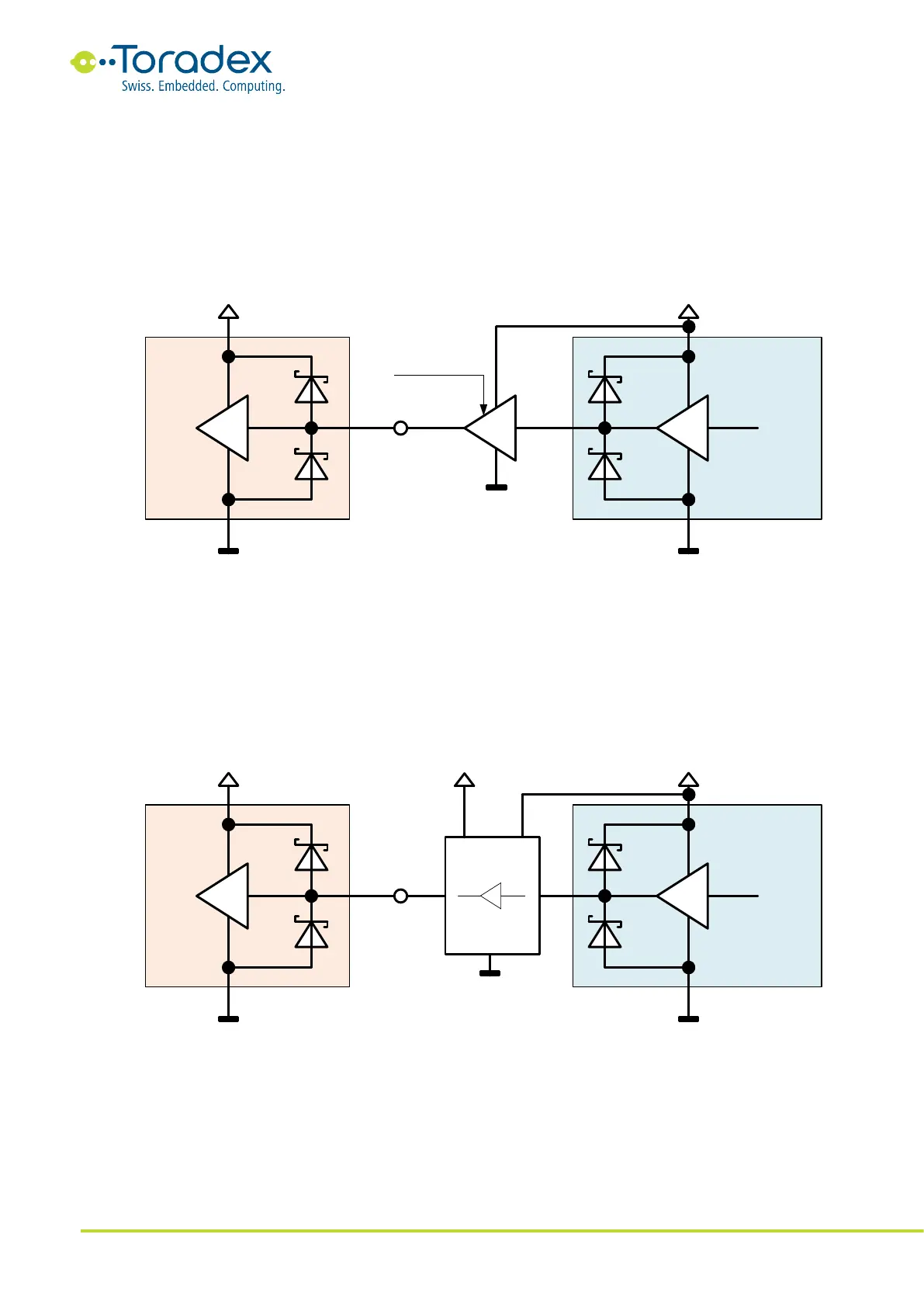
3.7.5.11 Tristate Buffer
Tristate buffers that feature an output enable control signal can be a solution. For example, RS232
transceivers often feature an output enable signal. The biggest challenge with this solution is to
control the output enable signal. Often you cannot directly use the IO rail. If there is backfeeding
to the power rail used as the output enable signal, the buffers might never turn off, and therefore
the backfeeding remains. Likely another circuit is required for generating a proper output enable
signal.
Figure 52: Tristate buffer
3.7.5.12 Level Shifter
Level shifters can be an effective method for preventing backfeeding. Especially if you anyway need
a level shifter in the signal path. Even if both sides have the same IO voltage level, a level shifter
can still be a good option. It is crucial to select a level shifter that allows both power rails to be
switched off individually. Not all level shifters allow that without causing backfeeding. A good
candidate for preventing backfeeding is the SN74AVC4T774 from TI. For open-drain signals such
as the I2C bus, the FXMA2102L8X from ON Semiconductor prevents backfeeding.
Figure 53: Level shifter for preventing backfeeding
PeripheralSoC
IO Rail (off)
RX
Peripheral Rail (on)
TX
0V 3.3V
3.3V0V
High
Output Enable
Module Pin
PeripheralSoC
IO Rail (off)
RX
Peripheral Rail (on)
TX
0V 3.3V
3.3V0V
High
Level Shifter
3.3V_SW (off)
0V
VCC_B VCC_A
B A
GND

Table of Contents

Related product manuals