EasyManua.ls Logo

Toradex Colibri - Page 58

Default Icon
66 pages
Print Icon
To Next Page IconTo Next Page
To Next Page IconTo Next Page
To Previous Page IconTo Previous Page
To Previous Page IconTo Previous Page
Loading...
Colibri Carrier Board Design Guide
Toradex AG l Altsagenstrasse 5 l 6048 Horw l Switzerland l +41 41 500 48 00 l www.toradex.com l info@toradex.com
Page | 58
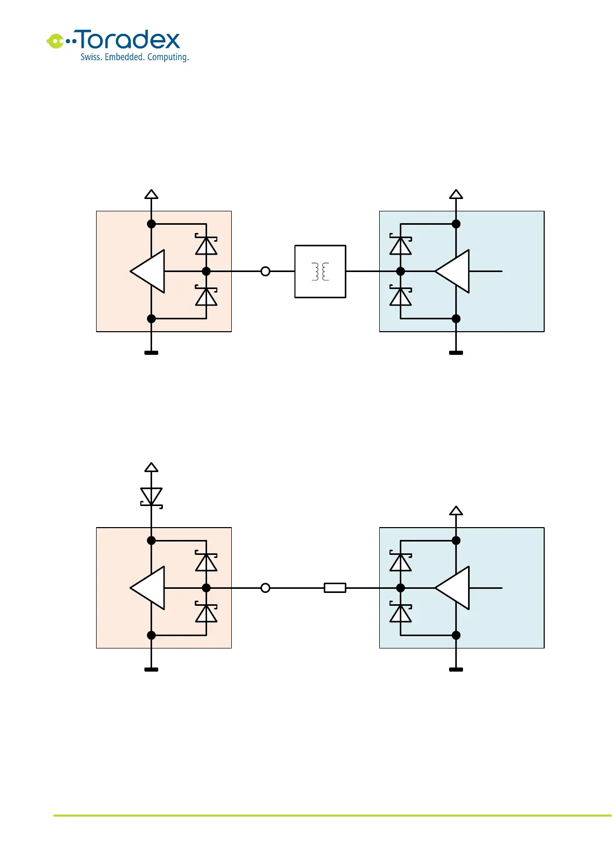
3.7.5.13 Galvanic Isolation
Galvanic isolations in the signal path can be achieved by transformers, optocouplers, or specialized
ICs. Especially in harsh environments, galvanic isolation is a preferred method for isolating power
domains of different devices. The so-called magnetics inside the Ethernet connector is also a
galvanic isolator and prevents backfeeding over the Ethernet cable. Galvanic isolators are also
preferred way for protecting different power domains of CAN interfaces.
Figure 54: Galvanic isolation between input and output
3.7.5.14 Reverse Current Protection in IO Rail
By placing a diode in the IO rail's power supply, reverse current to other IO rail devices can be
prevented. For example, this is a preferred solution for protecting the HDMI CEC signal from
backfeeding to the 3.3V rail. However, it is not always a feasible solution due to the forward
voltage drop on the IO voltage rail.
Figure 55: Reverse current protection diode
PeripheralSoC
IO Rail (off)
RX
Peripheral Rail (on)
TX
0V 3.3V
3.3V0V
High
PeripheralSoC
IO Rail (off)
RX
Module Pin
Peripheral Rail (on)
TX
22R
3.0V 3.3V
3.3V3.3V
High
0V

Table of Contents

Related product manuals