EasyManua.ls Logo

Toradex Colibri - Page 59

Default Icon
66 pages
Print Icon
To Next Page IconTo Next Page
To Next Page IconTo Next Page
To Previous Page IconTo Previous Page
To Previous Page IconTo Previous Page
Loading...
Colibri Carrier Board Design Guide
Toradex AG l Altsagenstrasse 5 l 6048 Horw l Switzerland l +41 41 500 48 00 l www.toradex.com l info@toradex.com
Page | 59
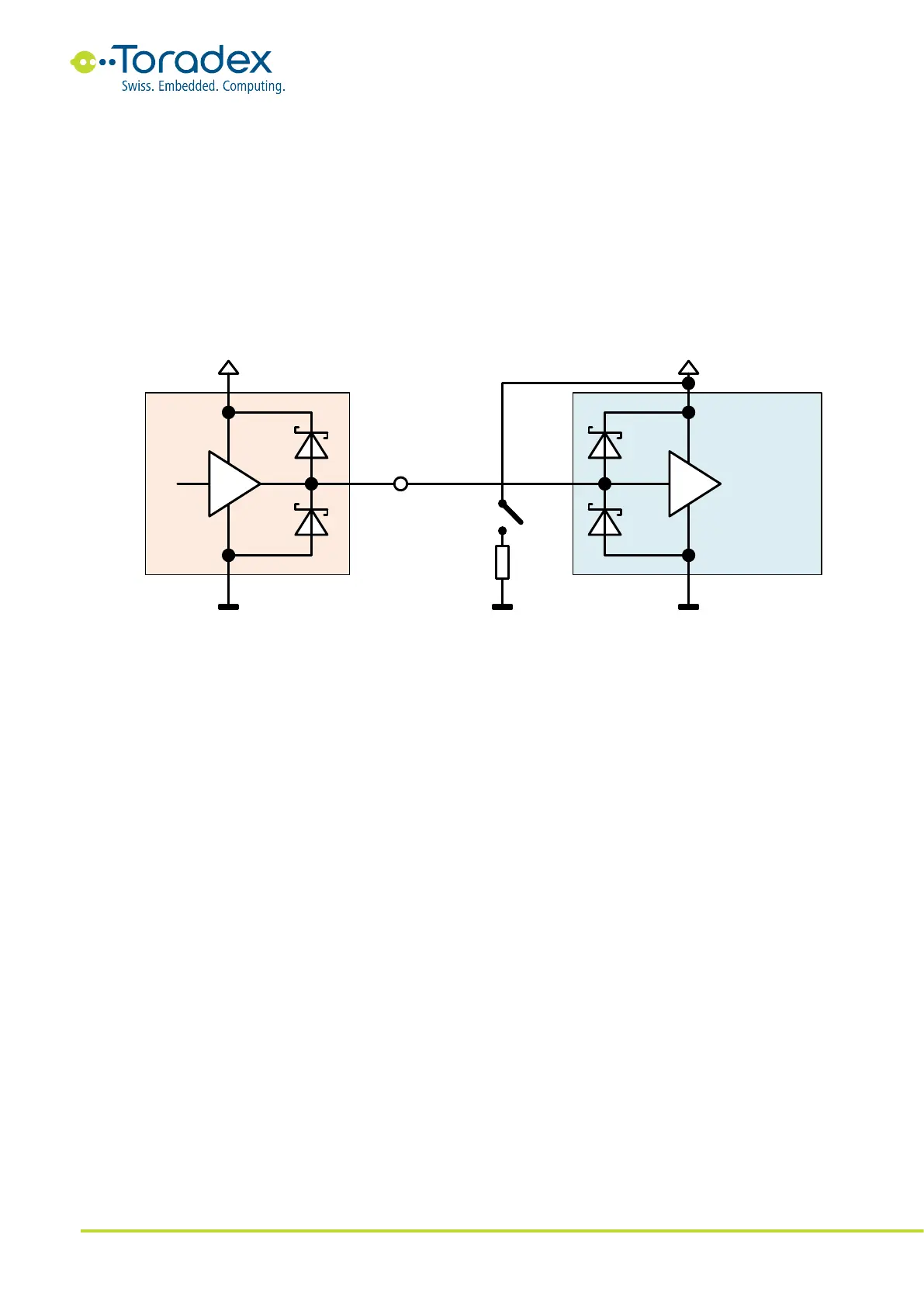
3.7.5.15 Extra Load on Rail
Suppose the primary issue caused by the residual voltage is an above-threshold voltage
compromising the power-on reset or an incorrect device configuration strapped. In that case, a
solution might be adding an extra load to the affected rail. Turning this load on only during the
power-up sequence is advisable for reducing the extra power consumption. Before implementing
this approach, make sure the extra load is not overloading the output driver or the ESD protection
diode. Often this method is used in conjunction with other methods described before as an
additional fallback solution. For example, the driver should drive output signals low to prevent
backfeeding. If the driver fails to set the output signals correctly, the extra load can make sure that
the peripheral's power-on reset is still triggering.
Figure 56: Additional load on peripheral rail
PeripheralSoC
IO Rail (on)
TX
Module Pin
Peripheral Rail (off)
RX
3.3V
High
10R

Table of Contents

Related product manuals