EasyManua.ls Logo

Toro 72923 - Schematics

Toro 72923
92 pages
Print Icon
To Next Page IconTo Next Page
To Next Page IconTo Next Page
To Previous Page IconTo Previous Page
To Previous Page IconTo Previous Page
Loading...
Schematics
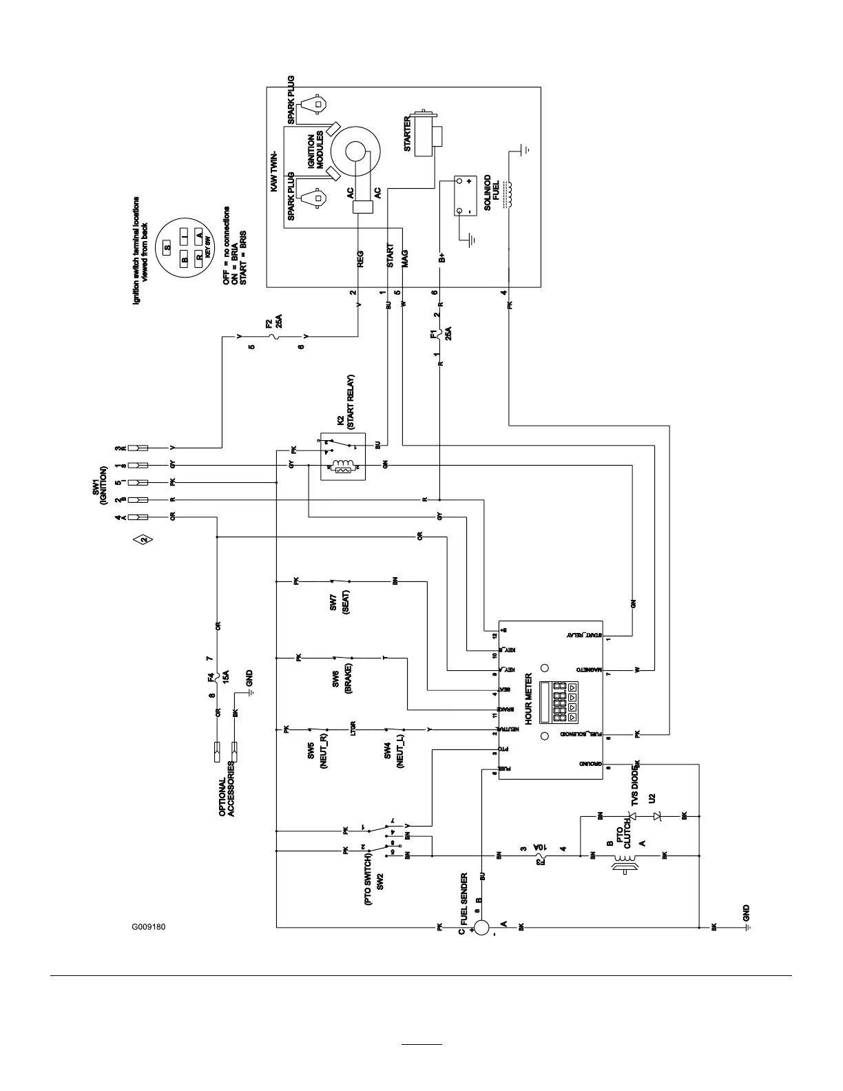
g009180
Electrical Schematic—Kawasaki Engines (Rev . A)
90

Table of Contents

Related product manuals