EasyManua.ls Logo

Trane CGAM - Page 231

Trane CGAM
276 pages
Print Icon
To Next Page IconTo Next Page
To Next Page IconTo Next Page
To Previous Page IconTo Previous Page
To Previous Page IconTo Previous Page
Loading...
CG-SVX17D-EN 231
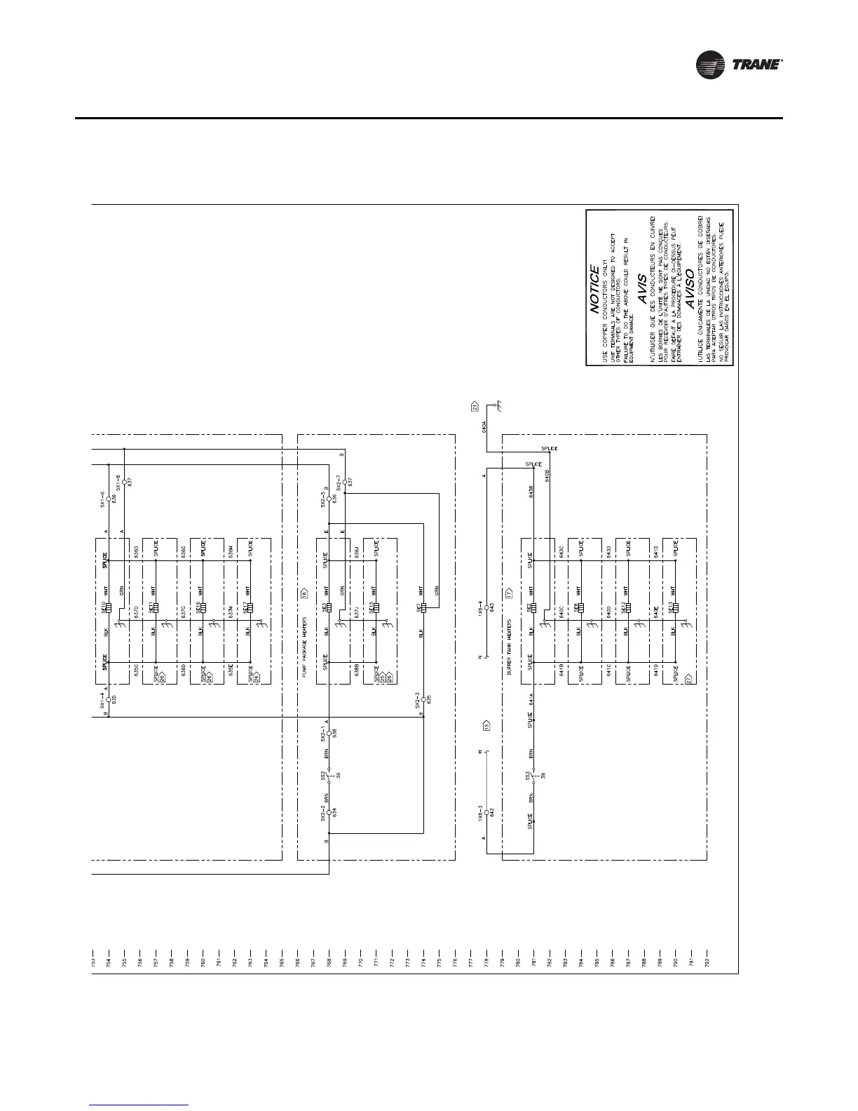
Unit Wiring
40-70 Ton - “V Frame” - Freeze Protection

Table of Contents

Related product manuals