EasyManua.ls Logo

Trane CGAM - Page 238

Trane CGAM
276 pages
Print Icon
To Next Page IconTo Next Page
To Next Page IconTo Next Page
To Previous Page IconTo Previous Page
To Previous Page IconTo Previous Page
Loading...
238 CG-SVX17D-EN
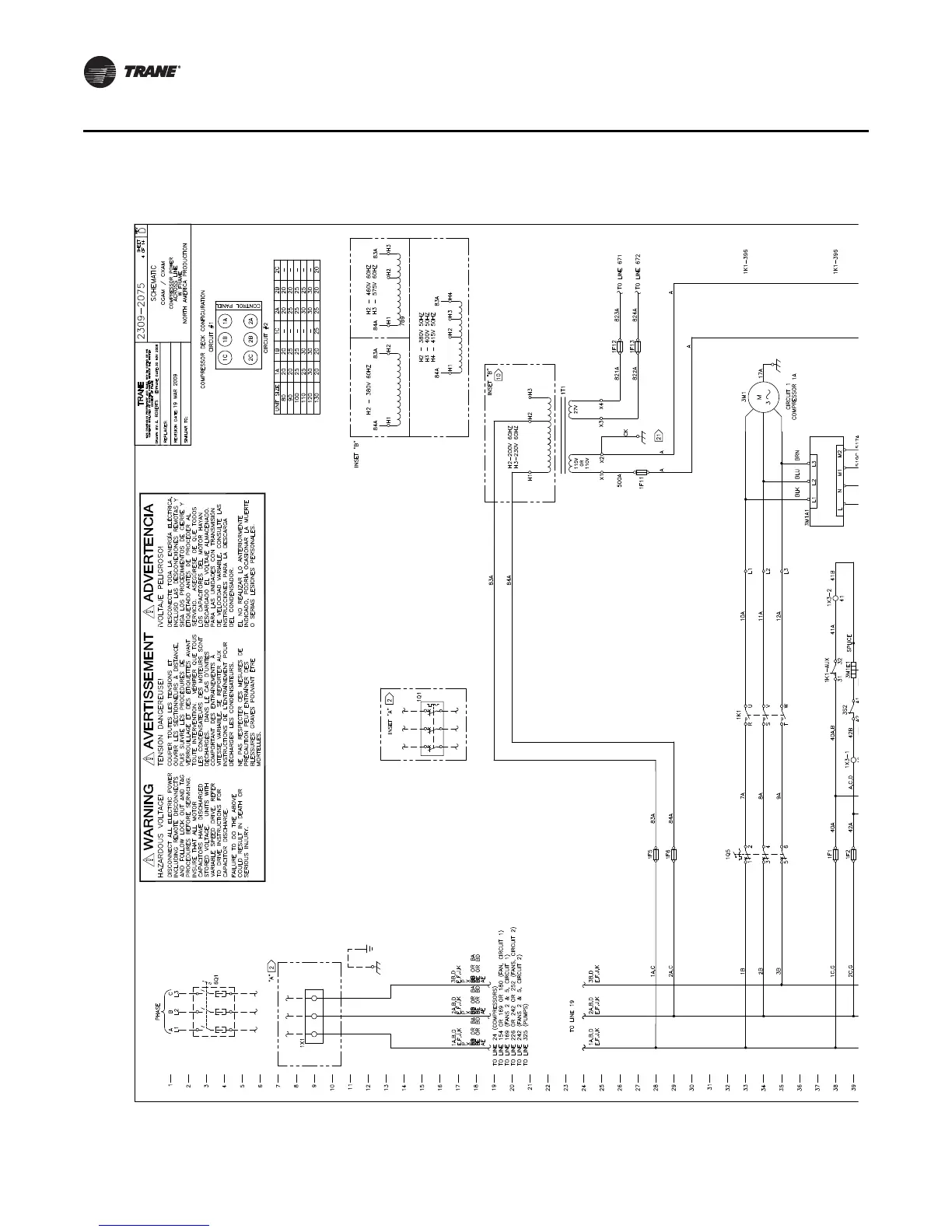
Unit Wiring
W2075-4
80-130 Ton - “W Frame” - Compressor Power Circuit 1

Table of Contents

Related product manuals