EasyManua.ls Logo

Trane CGAM - Page 247

Trane CGAM
276 pages
Print Icon
To Next Page IconTo Next Page
To Next Page IconTo Next Page
To Previous Page IconTo Previous Page
To Previous Page IconTo Previous Page
Loading...
CG-SVX17D-EN 247
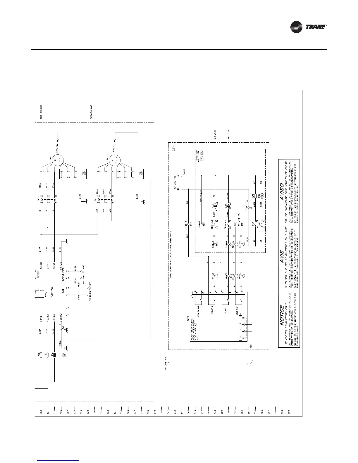
Unit Wiring
80-130 Ton - “W Frame” - Pump Power/Control

Table of Contents

Related product manuals