EasyManua.ls Logo

Trane CGAM - Page 249

Trane CGAM
276 pages
Print Icon
To Next Page IconTo Next Page
To Next Page IconTo Next Page
To Previous Page IconTo Previous Page
To Previous Page IconTo Previous Page
Loading...
CG-SVX17D-EN 249
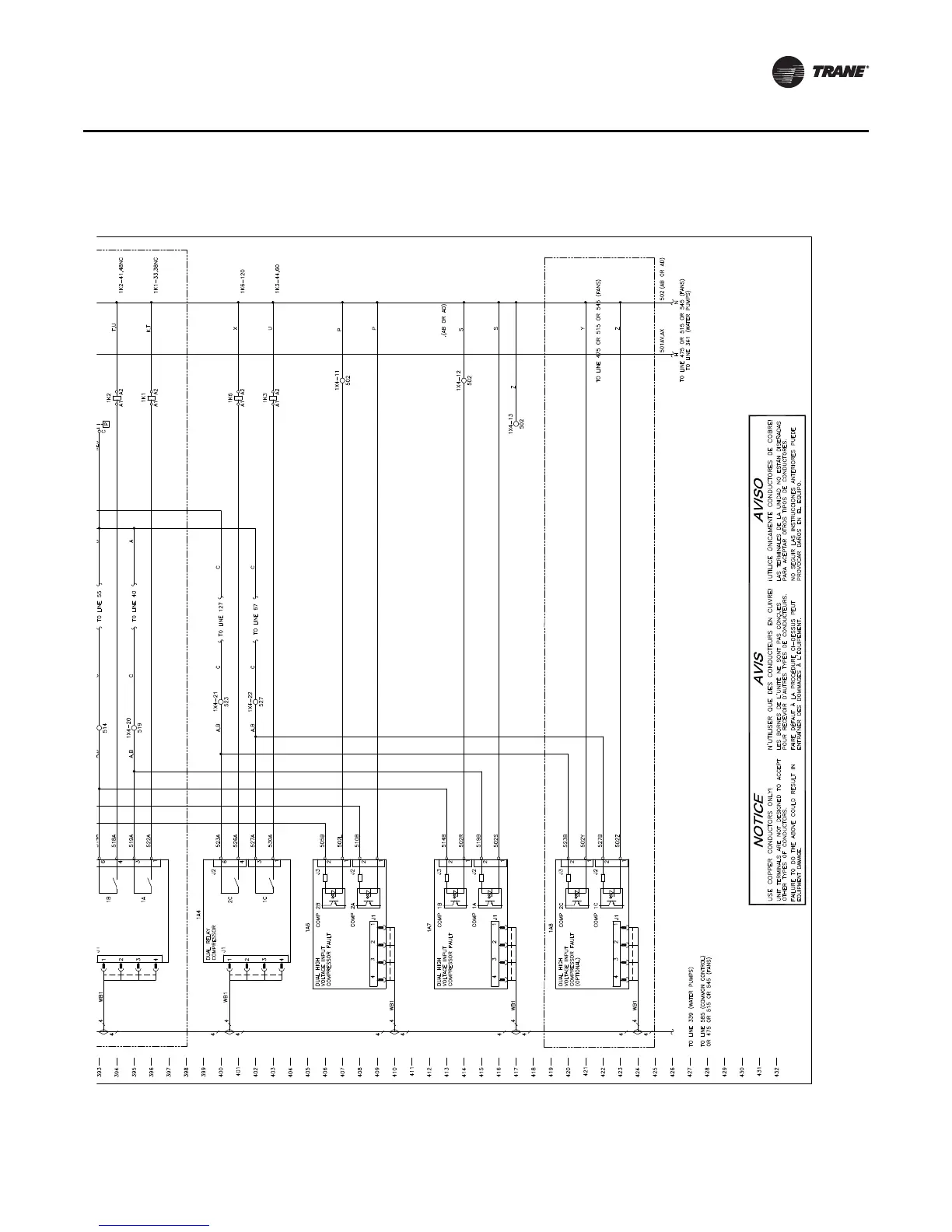
Unit Wiring
80-130 Ton - “W Frame” - Compressor Control

Table of Contents

Related product manuals