EasyManua.ls Logo

Trane CGAM - Page 274

Trane CGAM
276 pages
Print Icon
To Next Page IconTo Next Page
To Next Page IconTo Next Page
To Previous Page IconTo Previous Page
To Previous Page IconTo Previous Page
Loading...
274 CG-SVX17D-EN
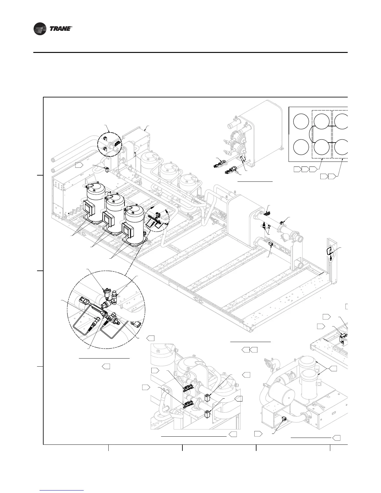
Unit Wiring
6499
CIRCUIT 1 SENSORS
SUCTION/DISCHARGE
5
6
7
8
A
B
C
D
3M2
3M1
3M3
E
V
A
P
O
R
A
T
O
R
CKT2
PHR
CKT1
PHR
CKT1
3M9
4M9
4M7
3M7 3M6
BUFFER
TANK
FAN MOTOR L
(ALL "W" F
4M6
CKT1
PHR
CKT2
PHR
CONTROL
PANEL
E
V
A
P
O
R
A
T
O
R
5M1
5M2
EXPANSION
TANK
FIELD PUMP
(DO NOT MOVE THIS VIEW)
CONTROL
PANEL
3M1A1
3S2
3M1E1
3M2A2
3S3
3M1E2
3M3A3
3S4
3M1E3
5B3
5E4
3S1
3B3
3B2
3B4
3B1
5X1
5S1
5B2
5X2
5E3
5E11
4
4
3
4
4 2 1
2
PARTIAL HEAT RECOVERY
VIEWED FROM CONTROL PANEL
5E16
5E17
5B5
5B6
3
5
SEE PARTIAL HEAT
RECOVERY DETAIL
4
4
4
4
4
4
4Y1
3Y1
5E1
EVAPORATOR
VIEWED FROM COMPRESSORS
4
PUMP PACKAGE
WITHOUT BUFFER TANK
4
5E14
4
4
4
5E5
80-130 Ton - “W Frame” - Device Location

Table of Contents

Related product manuals