EasyManua.ls Logo

V2 CITY2+L - 10 Lettura del Contatore DI Cicli; Segnalazione Della Necessità DI Manutenzione

V2 CITY2+L
Print Icon
To Next Page IconTo Next Page
To Next Page IconTo Next Page
To Previous Page IconTo Previous Page
To Previous Page IconTo Previous Page
Loading...
ITALIANO
- 13 -
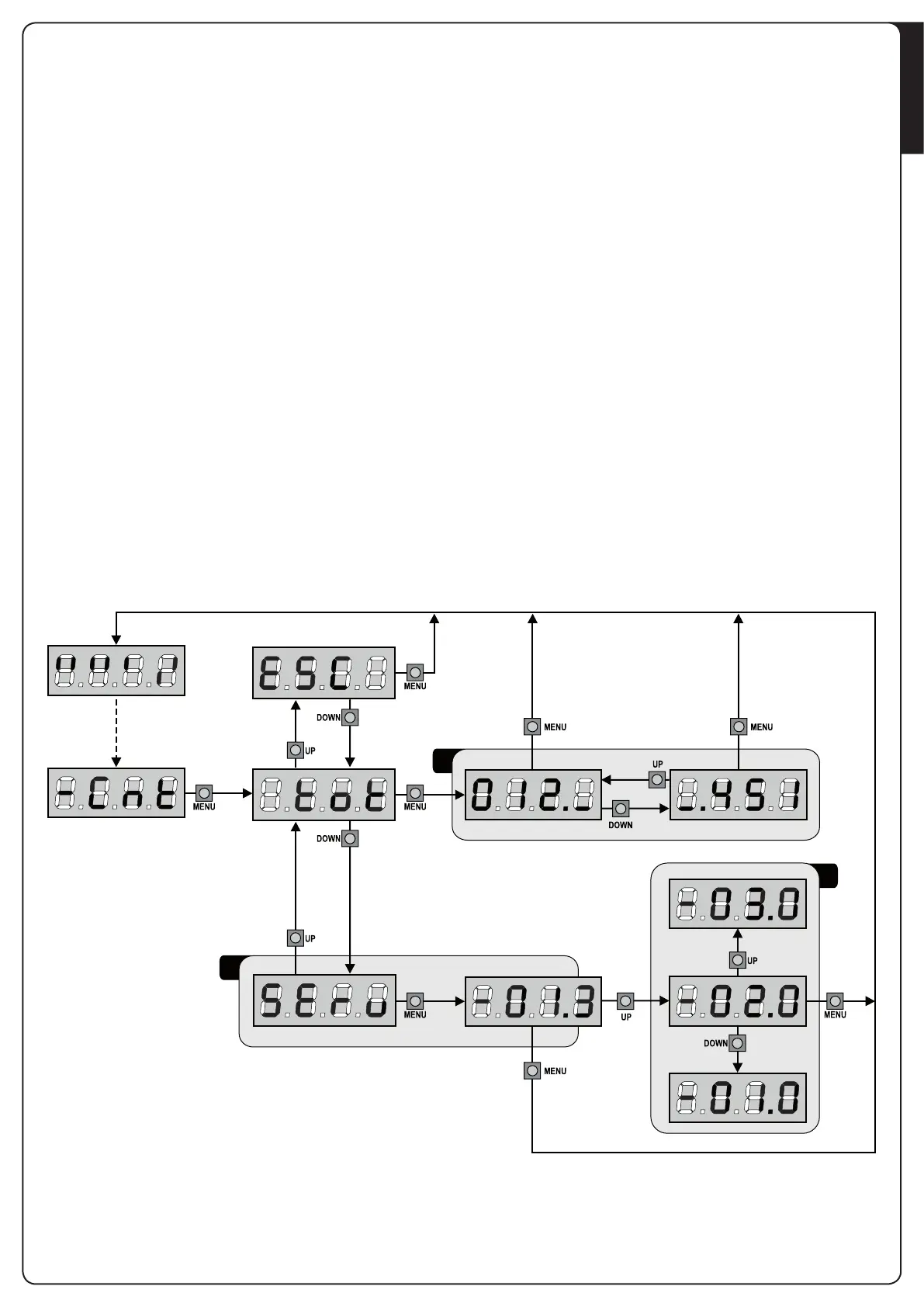
10 - LETTURA DEL CONTATORE DI CICLI
La centrale CITY2+ tiene il conto dei cicli di apertura del cancello
completatie,serichiesto,segnalalanecessitàdimanutenzione
dopo un numero pressato di manovre.
Sono disponibili due contatori:
• Totalizzatorenonazzerabiledeiciclidiaperturacompletati
(opzione tot della voce Cont )
• Contatoreascalaredeiciclichemancanoalprossimo
intervento di manutenzione (opzione SErv della voce Cont).
Questosecondocontatorepuòessereprogrammatoconil
valore desiderato.
Loschemachesegueillustralaproceduraperleggereil
totalizzatore,leggereilnumerodiciclimancantialprossimo
interventodimanutenzioneeprogrammareilnumerodicicli
mancantialprossimointerventodimanutenzione(nell’esempio
la centrale ha completato 12451 cicli e mancano 1300 cicli al
prossimo intervento.
L’area 1 rappresentalaletturadelconteggiototaledicicli
completati: con i tasti UP e DOWNèpossibilealternarela
visualizzazionedellemigliaiaodelleunità.
L’area 2 rappresenta la lettura del numero di cicli mancanti al
prossimointerventodimanutenzione:ilvaloreèarrotondatoalle
centinaia.
L’area 3 rappresental’impostazionediquest’ultimocontatore:
alla prima pressione del tasto UP o DOWN il valore attuale
delcontatorevienearrotondatoallemigliaia,ognipressione
successivafaaumentareodiminuirel’impostazionedi1000unità.
Ilconteggioprecedentementevisualizzatovieneperduto.
10.1 - SEGNALAZIONE DELLA NECESSITÀ DI
MANUTENZIONE
Quandoilcontatoredeiciclimancantialprossimointerventodi
manutenzionearrivaazero,lacentralesegnalalarichiestadi
manutenzionemedianteunprelampeggiosupplementaredi5
secondi.
Lasegnalazionevieneripetutaall’iniziodiogniciclodi
apertura,nchèl’installatorenonaccedealmenudiletturae
impostazionedelcontatore,programmandoeventualmente
il numero di cicli dopo il quale sarà nuovamente richiesta la
manutenzione.
Senonvieneimpostatounnuovovalore(cioèilcontatoreviene
lasciatoazero),lafunzionedisegnalazionedellarichiestadi
manutenzioneèdisabilitataelasegnalazionenonvienepiù
ripetuta.
m ATTENZIONE: le operazioni di manutenzione devono
essere eseguite esclusivamente da personale qualicato.
3
1
2

Table of Contents

Related product manuals