EasyManua.ls Logo

V2 CITY2+L - Lectura del Contador de Ciclos; Señalación de la Necesidad de Mantenimiento

V2 CITY2+L
Print Icon
To Next Page IconTo Next Page
To Next Page IconTo Next Page
To Previous Page IconTo Previous Page
To Previous Page IconTo Previous Page
Loading...
ESPAÑOL
- 85 -
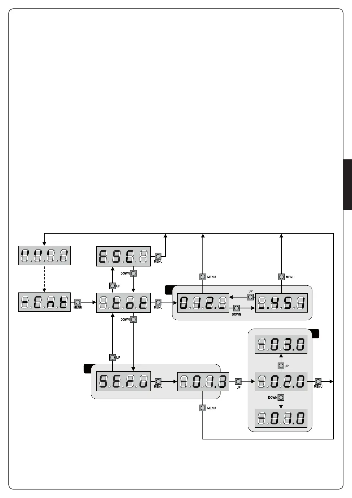
10 - LECTURA DEL CONTADOR DE
CICLOS
El cuadro CITY2+ cuenta los ciclos de apertura de la puerta
completadosy,sisequiere,señalalanecesidaddemantenimiento
después de un número establecido de maniobras.
Se dispone de dos tipos de contadores:
• Totalizadornoreseteabledelosciclosdeaperturacompletados
(opción“tot” del menú “Cont”)
• Cuentaatrásdelosciclosquefaltanparalapróxima
intervencióndemantenimiento(opción“SErv” del menú
Cont”).Estesegundocontadorpuedeprogramarseconel
valor que se desee.
El esquema ilustra el procedimiento para leer el totalizador, leer
elnúmerodeciclosquefaltanparalapróximaintervenciónde
mantenimientoyprogramarelnúmerodeciclosquefaltanparala
próximaintervencióndemantenimiento(enelejemploelcuadro
hacompletado12451ciclosyfaltan1300ciclosalapróxima
intervención.
El área 1 representa la lectura total de los ciclos completados:
conlasteclasUpyDownesposiblealternarlavisualizaciónentre
millares o unidades.
El área 2 representalalecturadelnúmerodeciclosquefaltan
paralapróximaintervencióndemantenimiento:elvalorestá
redondeado a los centenares.
El área 3 representalaprogramacióndeesteúltimocontador:
alaprimerapulsacióndelateclaUpoDownelvaloractualdel
contadorseredondeaalosmillares,cadapulsaciónsiguiente
aumentaodisminuyelaprogramaciónde1000unidades.
Elcontadoranteriorvisualizadovieneasíperdidoprogramandoel
nuevo número.
10.1 - SEÑALACIÓN DE LA NECESIDAD DE
MANTENIMIENTO
Cuandoelcontadordeciclosquefaltanparalapróxima
intervencióndemantenimientollegaacero,elcuadroseñalala
peticióndemantenimientomedianteunpredestelloadicionales
de5segundosdelalámparadeseñalización.
Laseñalaciónserepitealcomienzodecadaciclodeapertura,
hastaqueelinstaladornoaccedaalmenúdelecturay
programacióndelcontador,programandoeventualmenteun
nuevonúmerodeciclosdespuésdeloscualesserápedido
nuevamente el mantenimiento.
Sinoseprogramaunnuevovalor(dejandoelcontadoracero),
lafuncióndeseñalacióndelapeticióndemantenimientoqueda
deshabilitadaylaseñalaciónnoserárepetida.
m ATENCION: las operaciones de mantenimiento tienen
que ser efectuadas exclusivamente por personal calicado.
3
1
2

Table of Contents

Related product manuals