EasyManua.ls Logo

V2 CITY2+L - Page 63

V2 CITY2+L
Print Icon
To Next Page IconTo Next Page
To Next Page IconTo Next Page
To Previous Page IconTo Previous Page
To Previous Page IconTo Previous Page
Loading...
FRANÇAIS
- 61 -
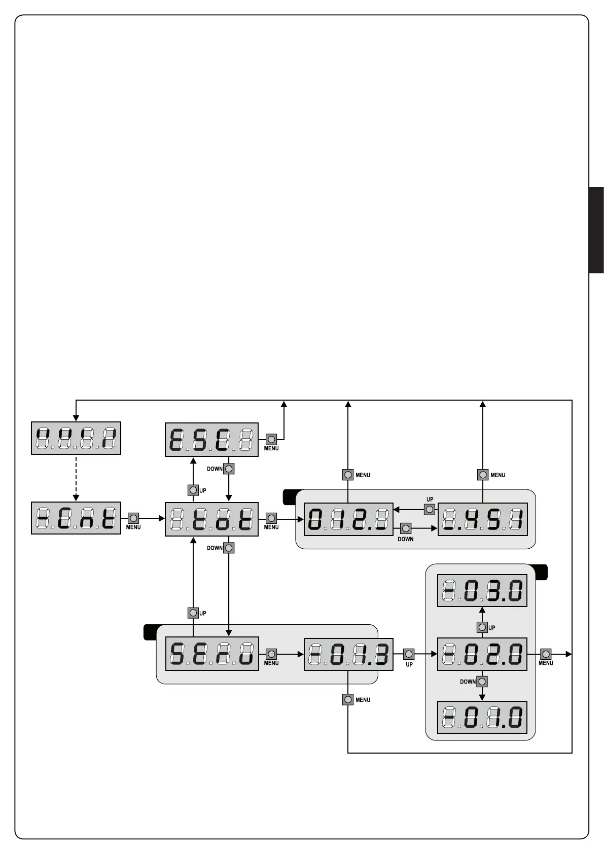
10 - LECTURE DU COMPTEURS DE
CYCLES
L’armoireCITY2+tienslecomptedescyclesd’ouverturedu
portailscomplétésetsisouhaité,signalelanécessited’entretien
aprèsunnombrexédemanœuvres.
Ilyaadispositiondeuxcompteurs:
• Totalisateurdescyclesd’ouverturecomplétésqu’onpeutpasle
mettre a zéro (option tot de la voix Cont )
• Compteurdégressifdescyclesquemanquentàlaprochaine
entretien (option SErv de la voix Cont).Cedeuxième
compteurpeutêtreprogramméaveclevaleursouhaité.
Le schéma suivante montre la procédure pour lire le totalisateur,
lirelenombredecyclemanquantàlaprochaineentretienet
programmerlenombredecyclemanquantàlaprochaine
entretien(dansl’exemplel’armoireacomplété12451cycleset
manquent1300cyclesalaprochaineentretien).
L’aire 1 représentelalectureducomptetotaledescycles
complété: avec les touches Up et Down est possible alterner la
visualisation des milliers ou des unités
L’aire 2 représentelalecturedunombredescyclesmanquantsà
la prochaine entretien: le valeur est arrondi à la centaine
L’aire 3représentel’établissementdecederniercompteurs:
à la premiers pression du touche Up ou Down le valeur actuel
ducompteurviensarrondiaumillier,chaquepressionaprès
augmenteoudiminuelepostagede1000unité.Lecomptage
précédemment visualisé est perdu.
10.1 - SIGNALISATION DE LA NÉCESSITÉ
D’ENTRETIEN
Quandlecompteurdescyclesmanquantàlaprochaine
entretienarriveàzéro,l’armoiresignalelarequêted’entretienà
traversunclignotementpréalablesupplémentairede5seconds.
Lasignalisationviensrépétéaudébutdechaquecycle
d’ouverture,jusqu’àquandl’installateurn’accèdeaumenu
delectureetétablissementducompteur,enprogrammant
éventuellementlenombredecycleaprèslequelseraànouveau
demandéel’entretien.
Si ne viens pas établit un nouveau valeur (on laisse le compteur à
zéro),lafonctiondesignalisationdelarequêtedeentretienest
des-habilitéeetlasignalisationneviensplusrépété.
m ATTENTION: les opération d’entretien doivent être
faites seulement par personnel qualié.
3
1
2

Table of Contents

Related product manuals