EasyManua.ls Logo

VAMP 260 - Measurement and Data Acquisition System Based on VAMP 260 S and Communication Via Profibus

VAMP 260
78 pages
Print Icon
To Next Page IconTo Next Page
To Next Page IconTo Next Page
To Previous Page IconTo Previous Page
To Previous Page IconTo Previous Page
Loading...
VAMP Ltd Power monitoring unit
Technical description
VAMP 260
VM260.EN004 Vamp 24h support phone : +358 (0)20 753 3264
27
3.4. Measurement and data acquisition
system based on VAMP 260s and
communication via Profibus
Remote
Control
Center
Energy
Management
System
Serial communication
Energy pulses
Meteringex
Power
Error
Com
Alarm
Trip
A
B
C
VAMP260
PowerMonitoringUnit
Power
Error
Com
Alarm
Trip
A
B
C
VAMP260
PowerMonitoringUnit
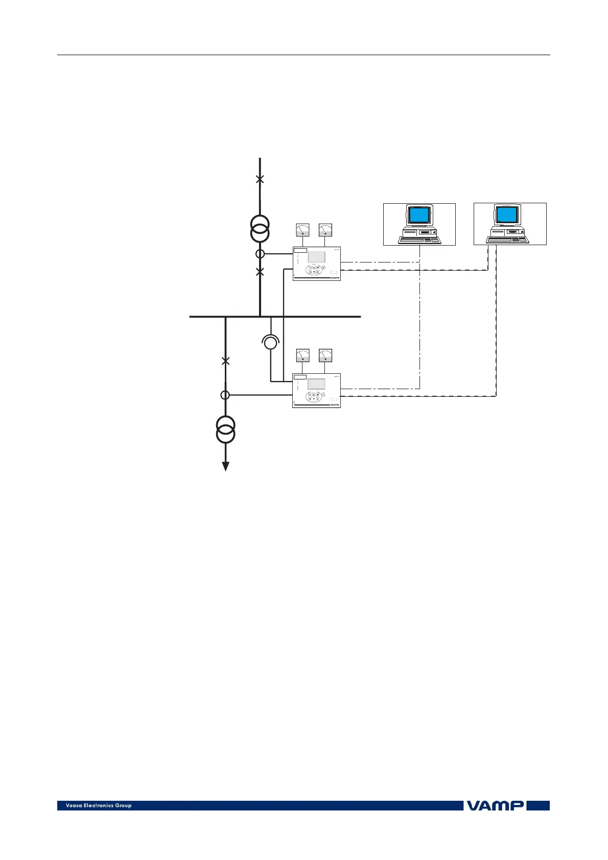
Figure 3.4-1. The measurement and data acquisition system of an industrial
power network. The system is based on VAMP 260s and a PC control room,
which are linked together via a serial bus. Energy pulses are available for
Energy Management Systems.

Table of Contents