EasyManua.ls Logo

VAMP 260 - Power Monitoring Unit in a 400 V Network

VAMP 260
78 pages
Print Icon
To Next Page IconTo Next Page
To Next Page IconTo Next Page
To Previous Page IconTo Previous Page
To Previous Page IconTo Previous Page
Loading...
VAMP 260 Power monitoring unit
Technical description
VAMP Ltd
28
Vamp 24h support phone : +358 (0)20 753 3264
VM260.EN004
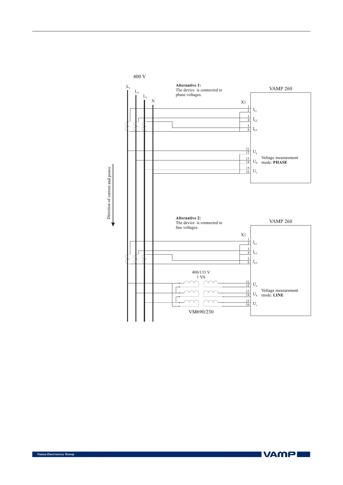
3.5. Power Monitoring Unit in a 400 V
network
Figure 3.5-1. Example of VAMP 260 voltage measurement connection

Table of Contents